Iklan 300x250

39 polaris 380 parts diagram

The Polaris 380 pressure-side pool cleaner (view larger). The Polaris Vac-Sweep 380 pressure cleaner works in all in-ground pools, and requires a booster pump (sold separately). Featuring the iconic Polaris three-wheel design, the Polaris 380's all-wheel, belt drive mechanism provides greater vacuum power and faster cleaning (3 hours or less).

Large selection of parts for your 2000 Polaris Indy 600 XC Deluxe 45th Anniv Snowmobile. Fast, fair shipping.

This photo about: Polaris 380 Parts Diagram, entitled as Polaris 260 Parts Diagram Polaris 380 Parts Diagram - also describes Polaris 260 Parts Diagram and labeled as: ], with resolution 1948px x 2392px

Polaris 380 parts diagram

Polaris 380 parts diagram

Polaris 380 Pool Cleaner Parts Diagram . Created Date: 4/4/2018 1:04:28 PM

Polaris 380 Pool Cleaner Parts Diagram. Polaris 380 Pool Cleaner. Polaris 380 parts list for easy ordering of parts for your Polaris 380. Polaris 380 Pool Cleaner Parts List Polaris 380 Pool Cleaner. Key Model Description Product ID Buy Me; 1: 91001014: All Purpose Bag: AC-04762: BUY ME. 2: 91001152: Housing, Turbine Center: AC-04774: BUY ME. 3 ...

download polaris 380 parts diagram. File name: manual_id237235.pdf Downloads today: 195 Total downloads: 8778 File rating: 8.24 of 10 File size: ~1 MB

Polaris 380 parts diagram.

One-Pieces, Overalls & Jum… Uniforms. Clothing Sets

16+ Polaris Pool Parts Diagram Posted on February 28, 2021 by Zackary T. Gonzales An electrical wiring layout is an easy graph of the physical links and also physical layout of an electrical system…

If you receive any parts that appear to be damaged, blemished, or un-fit for your machine, please call us toll-free at 800-638-5822 or send us an email at returns@wheelerpowersports.com and we will make sure the issue is taken care of. Shop Genuine Polaris. Polaris ATV Parts; Polaris General Parts ...

Large selection of parts for your 1998 Polaris Indy 500 Snowmobile. Fast, fair shipping. ... Polaris 6.380" (162mm) Black Idler Wheel with 6004 series bearing (20mm ...

Polaris 380 Pool Cleaner Parts Diagram. Uncategorized November 13, 2018 0 masuzi. Polaris 380 parts diagram my pool polaris 380 pool cleaner parts in the swim 380 automatic pool cleaner parts. Polaris 380 Parts Diagram My Pool Polaris 380 Pool Cleaner Parts In The Swim

If you are impatient in writing reviews upon any of the Walther Ppk 380 Parts Diagram you've buy and have experience with, we encourage you to reach consequently to back others who are looking at buying the similar products. Along subsequent to customer reviews, supplementary areas that are great for product research are our How-To Articles, Product exposure forums, and Product Specialists.

We've gathered our favorite ideas for Smith And Wesson Bodyguard 380 Parts Diagram General, Explore our list of popular images of Smith And Wesson Bodyguard 380 Parts Diagram General and Download Every beautiful wallpaper is high resolution and free to use. Download for free from a curated selection of Smith And Wesson Bodyguard 380 Parts Diagram General for your mobile and desktop screens.

Polaris 380 parts diagram. Key model description product id buy me. Polaris 55 56 53 42 54 to insure proper operation and long life for the polaris be sure to insist on genuine polaris parts. Free shipping over 99. Check out our click able parts exploded diagram page to help identify where your parts go. ...

Smith And Wesson Bodyguard 380 Parts Diagram - Ekerekizul S&W BODYGUARD 380 W/CRIMSON TRACE LASER , 10048 ***LIMIT ... Gunlistings.org - Pistols Smith And Wesson Bodyguard .380 ...

Get Cheap Mossberg 380 Parts Diagram And Best Film Shotgun Mics for Best deal Now!! Record keeping is an crucial part of hospital management. The technology used has grown from simple normal labour to complex THIS systems. Since ancient, medical records were kept physically by paper. It is slowly and steadily changed by complex IT established ...

Smith And Wesson Bodyguard 380 Parts Diagram - General ... Pin on Hobbies. Smith And Wesson Bodyguard 380 Parts Diagram ... 35 Smith And Wesson Bodyguard 380 Parts Diagram - Free ... China's CF-98 Modular Service Pistol - Forgotten Weapons ...

Polaris 380 Parts Diagram 3/3 [PDF] [PDF] Polaris 380 Parts Diagram Right here, we have countless books polaris 380 parts diagram and collections to check out. We additionally allow variant types and along with type of the books to browse. The satisfactory book, fiction, history, novel, scientific research, as competently as various extra

Polaris Vac Sweep 280 Cleaner Replacement Parts | In The Swim

Polaris vac sweep 280 cleaner replacement parts | in the swim

This photo about: Polaris 380 Parts Diagram, entitled as Polaris Parts Diagram Awesome Hose Parts For Polaris 180 280 380 Polaris 380 Parts Diagram - also describes Polaris Parts Diagram Awesome Hose Parts for Polaris 180 280 380 and labeled as: ], with resolution 1402px x 1794px

Polaris 360 Parts Diagram | My Pool

Polaris 360 parts diagram | my pool

Variety of smith and wesson bodyguard 380 parts diagram wires layout. A circuitry design is actually a streamlined typical photo symbol of an power circuit. It presents the parts of the circuit as streamlined forms, and also the power along with indicator links in between the gadgets.

Polaris 380 Pool Cleaner Parts | Pool Supply 4 Less

Polaris 380 pool cleaner parts | pool supply 4 less

The Polaris Vac-Sweep ® TR36P features advanced technology cleaning without the need for a separate booster pump. Vacuums, sweeps and scrubs the bottom and walls of any size or shape pool. In-line back-up valve automatically frees the TR36P if it gets cornered and keeps cleaning without interruption. Available for sale only at your local pool ...

Polaris 380 - Hose Assembly Parts - INYOPools.com

Polaris 380 - hose assembly parts - inyopools.com

If you receive any parts that appear to be damaged, blemished, or un-fit for your machine, please call us toll-free at 800-638-5822 or send us an email at returns@wheelerpowersports.com and we will make sure the issue is taken care of. Shop Genuine Polaris. Polaris ATV Parts; Polaris General Parts ...

Pool Supply Unlimited | Polaris 380 Automatic Pool Cleaner ...

Pool supply unlimited | polaris 380 automatic pool cleaner ...

Below is actually a picture gallery about polaris 380 parts diagram full along with the summary of the graphic, feel free to find the photo you need to have. polaris 380 parts diagram is one of the pics our team found out on the world wide web coming from trusted resources.

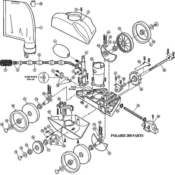
Polaris 280 Replacement Parts Diagram - PoolZoom BlogPoolZoom ...

Polaris 280 replacement parts diagram - poolzoom blogpoolzoom ...

Polaris Brands. 65 years ago, our founders created an early snowmobile to better travel through northern Minnesota winters. Ever since, that same ingenuity and ability to Think Outside has driven Polaris and our brands forward as we pioneer product breakthroughs and enriching experiences that help people work and play outside. Learn More.

Polaris Vac-Sweep® 380 Automatic Pool Cleaner Parts

Polaris vac-sweep® 380 automatic pool cleaner parts

If you are avid in writing reviews on any of the Kel Tec 380 Parts Diagram you've purchase and have experience with, we help you to get as a result to back others who are looking at buying the similar products. Along in the manner of customer reviews, extra areas that are good for product research are our How-To Articles, Product exposure to air forums, and Product Specialists.

Polaris 180 Pool Cleaner Parts | Pool Supply World

Polaris 180 pool cleaner parts | pool supply world

Polaris 380 Black Max Parts - INYOPools.com

Polaris 380 black max parts - inyopools.com

Polaris 3900 Sport Pool Cleaner Parts

Polaris 3900 sport pool cleaner parts

Polaris 380 pool cleaner parts

Polaris 380 pool cleaner parts

Vac-Sweep 280 parts at Doheny's

Vac-sweep 280 parts at doheny's

Polaris Vac Sweep 180 Pool Cleaner Replacement Parts

Polaris vac sweep 180 pool cleaner replacement parts

Polaris 3900 Parts Breakdown Diagram - thebackyardpool

Polaris 3900 parts breakdown diagram - thebackyardpool

Polaris Spare Parts for Polaris 380 | www.poolandspacentre.co.uk

Polaris spare parts for polaris 380 | www.poolandspacentre.co.uk

Cleaner Parts List: Polaris 380

Cleaner parts list: polaris 380

Polaris 380 pool cleaner parts

Polaris 380 pool cleaner parts

Polaris 380 Parts | Trouble Free Pool

Polaris 380 parts | trouble free pool

Polaris 180 Cleaner Parts and Accessories- PartsWarehouse

Polaris 180 cleaner parts and accessories- partswarehouse

Polaris 380 Pool Cleaner Parts

Polaris 380 pool cleaner parts

Polaris Vac-Sweep 380 Cleaner Spare Parts Diagram – Epools ...

Polaris vac-sweep 380 cleaner spare parts diagram – epools ...

Polaris 380 pool cleaner parts

Polaris 380 pool cleaner parts

Polaris 380 Pressure Pool Cleaner | #1 Swimming Pool Cleaner ...

Polaris 380 pressure pool cleaner | #1 swimming pool cleaner ...

Sluggish Polaris 380 Pool Cleaner - InTheSwim Pool Blog

Sluggish polaris 380 pool cleaner - intheswim pool blog

Polaris 380 Parts | Trouble Free Pool

Polaris 380 parts | trouble free pool

Polaris 380 - Head Parts - INYOPools.com

Polaris 380 - head parts - inyopools.com

POLARIS 280 Pressure model F5 | Spare parts / parts - Rudy ...

Polaris 280 pressure model f5 | spare parts / parts - rudy ...

Polaris 380 Exploded Parts Diagram

Polaris 380 exploded parts diagram

Polaris 380 Pressure Pool Cleaner | #1 Swimming Pool Cleaner ...

Polaris 380 pressure pool cleaner | #1 swimming pool cleaner ...

Parts For Polaris 360 Pool Cleaner

Parts for polaris 360 pool cleaner

Cleaner Parts List: Polaris TR36P

Cleaner parts list: polaris tr36p

Polaris 280 TankTrax® Automatic Pool Cleaner Parts

Polaris 280 tanktrax® automatic pool cleaner parts

Pool Parts & Supplies | Pool Pumps, Filters, Heaters ...

Pool parts & supplies | pool pumps, filters, heaters ...

Polaris 360 Pool Cleaner Parts | Leslie's Pool Supplies

Polaris 360 pool cleaner parts | leslie's pool supplies

POLARIS 380 Pressure model F3 | Spare parts / parts - Rudy ...

Polaris 380 pressure model f3 | spare parts / parts - rudy ...

Polaris 3900 Sport Pool Cleaner Parts & Accessories

Polaris 3900 sport pool cleaner parts & accessories

Pool Supply Unlimited | Polaris 360 Automatic Pool Cleaner ...

Pool supply unlimited | polaris 360 automatic pool cleaner ...

Pool Parts & Supplies | Pool Pumps, Filters, Heaters ...

Pool parts & supplies | pool pumps, filters, heaters ...

0 Response to "39 polaris 380 parts diagram"

Post a Comment

Iklan Atas Artikel

Iklan Tengah Artikel 1

Iklan Tengah Artikel 2

Iklan Bawah Artikel