Iklan 300x250

39 john deere 425 parts diagram

John Deere 425 Parts Diagrams - Jacks Small Engines Found on Diagram: Seats and other Components 30100037 SEAT Universal Yellow High Back 18" (476mm) equipment seat, Plastic Pan 17 3/4" (450mm) wide, with Drain, multiple threaded mounting holes. $116.76 Add to Cart 14101031 SEAT SPRING $8.81 Add to Cart AQP430239 SEAT SWITCH Operator Presence switch. 2 terminal, 2 position, normally open. $17.72 › free-parts-searchJohn Deere Parts Search for all John Deere Models We are a full-service John Deere dealer with world-class after sale support in parts and service. We have a huge inventory of John Deere Parts in stock and place/receive orders for parts every day. Our inventory of power equipment parts is probably the widest in the industry, which allows us to offer quick response times and to give 'real ...

PDF John Deere 425 Parts Manual - smeadcapapps.smeadcap.com John Deere 425 Parts Manual This is likewise one of the factors by obtaining the soft documents of this john deere 425 parts manual by online. You might not require more become old to spend to go to the ebook introduction as capably as search for them. In some cases, you likewise get not discover the revelation john deere 425 parts manual that ...

John deere 425 parts diagram

John deere 425 parts diagram

John Deere Parts Diagrams, John Deere 425 Lawn & Garden ... John Deere Parts Diagrams, John Deere 425 Lawn & Garden Tractor -PC2351. Attachment Mounting Hardware for Attaching 72 Lb. Starter Weight for 26x12-12 Tire: Wheels,Frame & Operator's Station. dink-magazin.de › john-deere-x324-vs-x500dink-magazin.de Kawasaki FH491V. John Deere 4200 Hood John Deere 4210 Hood John Deere 4300 Hood John Deere 4310 Hood John Deere 44 Mar 25, 2020 · Green Parts Direct is a dealer of John Deere parts. Used john deere X534 mower in execellent condition. John Deere 630X: Price: 59,600 € Working width: 9. 425 Lawn Tractor Parts | Weingartz John Deere 425 Lawn Tractor Parts 54 Mower Deck. NEED HELP FINDING PARTS? CALL US AT (855) 669-7278. John Deere 425 Lawn Tractor Parts for 54 Mower Deck Quick Reference Guide. Click the part number below to view and order John Deere 425 Lawn Tractor Parts for 54 Mower Deck, or search illustrated diagrams to determine the part you need.

John deere 425 parts diagram. Wiring Diagram For 1998 John Deere 425 For Starter And ... on Wiring Diagram For 1998 John Deere 425 For Starter And Solenoid. @lawnboy, John, Below you will find the manual and pic's/schematic of how wire's are hooked for starting system, for Model # As a John Deere owner, when it's time to maintain, service or repair your equipment we have easy-to-use information sheets that keep your John Deere. John Deere Parts Diagrams, John Deere Z425 EZtrak Mower (W ... John Deere Parts Diagrams, John Deere Z425 EZtrak Mower (W/ 48inch Deck) -PC9594. Air Filter & Fuel Pump - 040000: Fuel and Air. Air Filter & Fuel Pump 040001 - : Fuel and Air. Air Filter 44T977-0015-G1: Fuel & Air. John Deere Model Z425 Zero Turn Mower Parts John Deere 13x5.00-6 Ribbed Front Tire - M155749. (1) $47.34. Usually available. Add to Cart. Quick View. Click here for 54 mower deck parts for 425 - GreenPartStore John Deere Accessories and Other Parts; John Deere Attachments; John Deere Lawn and Garden Tractor Parts; John Deere Lawn Tractor Parts; John Deere Zero Turn Mower Parts; ... Click here for 54 mower deck parts for 425; Click here for 54 mower deck parts for 425. Products [41] Sort by: ...

John Deere 425 Lawn Tractor Parts - Weingartz CALL US AT (855) 669-7278 John Deere 425 Lawn Tractor Parts for 60 Mower Deck Quick Reference Guide. Click the part number below to view and order John Deere 425 Lawn Tractor Parts for 60 Mower Deck, or search illustrated diagrams to determine the part you need. Order John Deere Lawn Tractor Parts Online. Same Day & Flat Rate Shipping! PDF John Deere 425 Engine Diagram - forums.saastr.com Download Free John Deere 425 Engine Diagram TractorData.com John Deere 425 tractor engine information Description: John Deere D150 Lawn Tractor Parts throughout John Deere 425 Parts Diagram, image size 410 X 410 px, and to view image details please click the image.. Actually, we also have been remarked that john deere 425 parts Page 5/26 sistemabatesarchivio.it › garrett-turbo-catalog-pdfsistemabatesarchivio.it Garrett TPE331-1--2 Maintenance Manual - Garrett TPE331-1/-2 1976 Illustrated Parts Catalog: Garrett TPE331-1/-2 1968 Turbo Prop Operator's Manual: during the mid 30’s, John Clifford Garrett, a pioneer in turbo supercharging technology, envisioned his company as major contender in the turbine propulsion engine industry. filmreview.us › polaris-clutch-noisefilmreview.us Mar 28, 2022 · Mapping in 3D. Here is the video of it running and the noise Jan 07, 2022 · 2009 Polaris dragon 800cc Fox float 2 front shocks two-year-old 155 2” track. OEM is an acronym for original equipment manufacturer, which means that the 2006 Polaris 300 Hawkeye 2x4 A06LB27AA OEM parts offered at BikeBandit.

John Deere Parts Diagram & Parts Search • John Deere Parts ... John Deere parts lookup tool and diagram is an incredible online source. It is a complete catalog that shows you detailed parts diagrams of every part of your machine. This online parts catalog is robust and easy to use. Searching for your John Deere parts online has never been easier. John Deere Parts | Parts & Services | John Deere US A Worldwide Parts Services Distribution Network. The John Deere dealer is the first line of customer parts service. Throughout the world, there are dealers to serve Agricultural, Construction, Lawn and Grounds Care, and Off-Highway Engine customers. john deere 425 parts diagram | eurekaconsumer.com [john deere z425 parts diagram] have a 2007 john deer... madeena.us. ereplacementparts john deere 425 ride lawn mower parts ihave a new john deere z425 zero turn mower and it will not john deere l120 parts likewise... Z425 Owner Information | Parts & Service | John Deere US Parts Diagram. Maintenance Parts. Safety and How-To. Attachments. Understand your Warranty Terms. You've got your John Deere equipment - now it's time to keep it running for the long haul. Understand your investment protection by reviewing the John Deere warranty.

John Deere Maintenance Kit for 425 Lawn Tractor Mower (serial number below  09... | eBay

John Deere Maintenance Kit for 425 Lawn Tractor Mower (serial number below 09... | eBay

PDF John Deere Z425 EZtrak™ - John Deere Manual | Service ... Parts and Maintenance Information Key Description Part Number THD Store SKU THD Online SKU 1. 54 inch Mower Blade (3n1) M143520 NA 203779151 2. 54 inch Mower Deck Belt M158131 See Local John Deere Dealer See Local John Deere Dealer 3. Oil Filter GY20577 226-963 100175070 4. Oil TY22029 226-971 100127512 5. Fuel Filter GY20709 289-625 100126418 6.

JD 425 AWS sloppy steering | Green Tractor Talk

JD 425 AWS sloppy steering | Green Tractor Talk

John Deere Model 425 Lawn and Garden Tractor Parts Click here for 60 mower deck parts for 425. Before deck serial number 106047. Click here for 60 mower deck parts for 425. After deck serial number 106048. Click here for 47-inch Snow Blower Parts for 425. Click here for 54-inch Quick-Hitch Front Blade Parts for 425. Click here for 42-inch Hydraulic Drive Tiller Parts for 425.

Pin on deere

Pin on deere

PDF John Deere 425 Engine Diagram - dev.witi.com Description: John Deere D150 Lawn Tractor Parts throughout John Deere 425 Parts Diagram, image size 410 X 410 px, and to view image details please click the image.. Actually, we also have been remarked that john deere 425 parts diagram is being one of the most popular topic right now.

I have a Deere 425 tractor with a 47 inch snow blower ...

I have a Deere 425 tractor with a 47 inch snow blower ...

John Deere 425 Parts Diagram - Automotive Parts Diagram Images Description : John Deere D150 Lawn Tractor Parts throughout John Deere 425 Parts Diagram, image size 410 X 410 px, and to view image details please click the image. Actually, we also have been remarked that john deere 425 parts diagram is being one of the most popular topic right now.

John Deere IMPLEMENT ATTACHMENT KITS Front Hitch Kit (425 ...

John Deere IMPLEMENT ATTACHMENT KITS Front Hitch Kit (425 ...

John Deere 425 Parts Diagram for Electrical Components John Deere 425 Electrical Components Exploded View parts lookup by model. Complete exploded views of all the major manufacturers. It is EASY and FREE

Disk Bearings (010001 - 017305) - HARROW, DISK John Deere 425 ...

Disk Bearings (010001 - 017305) - HARROW, DISK John Deere 425 ...

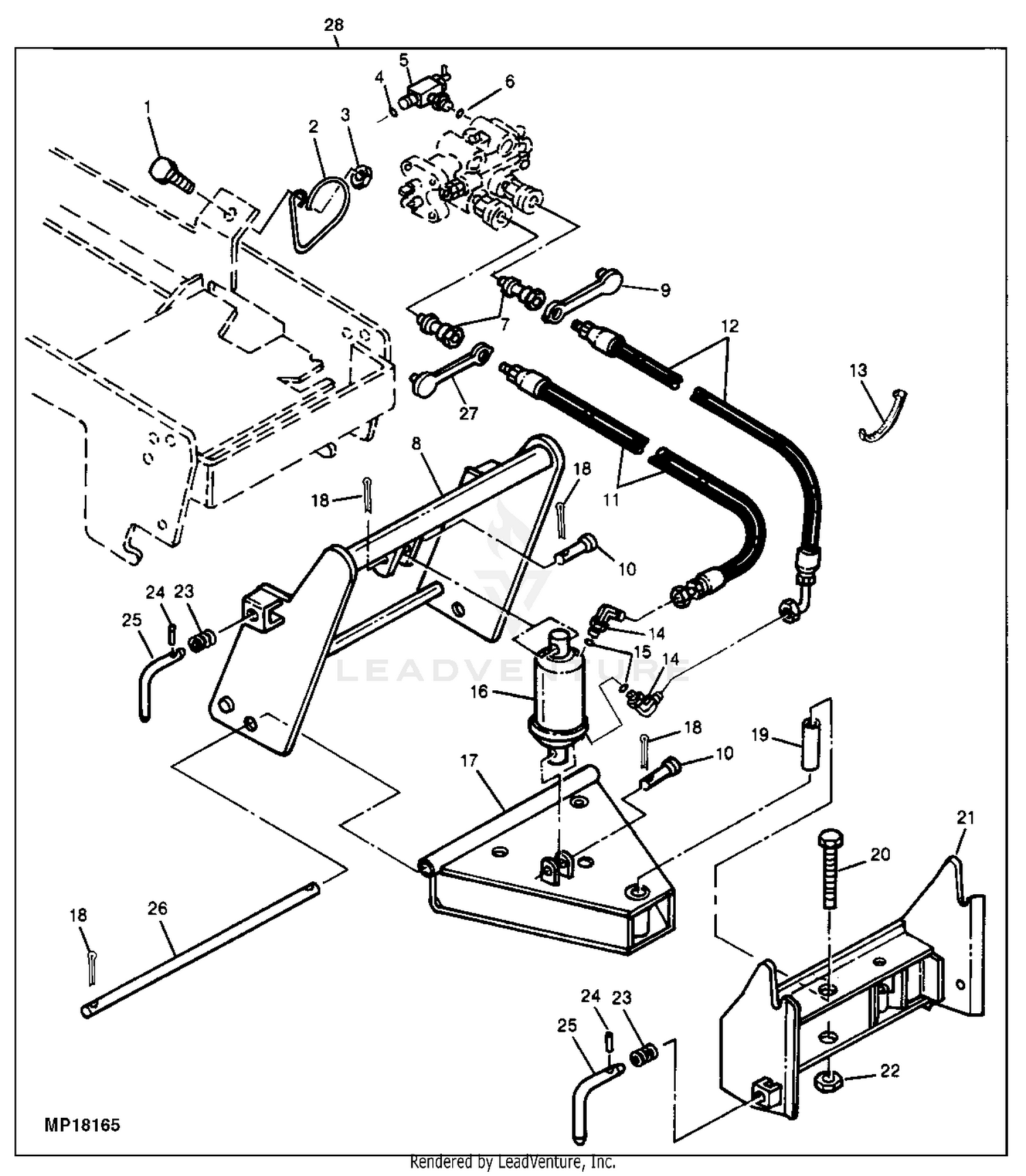
FUEL-AND-AIR Parts Diagram - John Deere Parts and John ... John Deere PARTS LOOKUP. FUEL-AND-AIR Parts Diagram. AIR CLEANER (425/445) AIR CLEANER (455) Carburetor and Intake Manifold (425) Carburetor and Intake Manifold (425) 2. Carburetor and Intake Manifold (425) 2 3. FUEL FILTER AND FUEL LINES (455) Fuel Injection Pump, Nozzles and Lines (455)

John Deere Replacement Mower Decks

John Deere Replacement Mower Decks

truckmanualshub.com › mack-truck-service-repair87 Mack Truck Service Manuals Free Download PDF ... Oct 24, 2018 · Mack WIRING DIAGRAM − TYPE OM W-CNG.pdf: 5Mb: Download: Mack WIRING DIAGRAM − TYPE OM W-OBD 2013.pdf: 4.6Mb: Download: Mack WIRING DIAGRAM − TYPE−OL L1EH1.pdf: 4.7Mb: Download: WIRE DIAGRAM−CONVENTIONAL, 12V MACK, 2013BP.pdf: 14.3Mb: Download: WIRING DIAGRAM 12V – TYPE OL L1EH1 NYC – DEPT OF SANITATION – DUAL BIN.pdf: 772.3kb ...

425 48 deck throwing belt | My Tractor Forum

425 48 deck throwing belt | My Tractor Forum

John Deere Parts Diagrams, John Deere 425, 445 and 455 ... John Deere Parts Diagrams, John Deere 425, 445 and 455 Garden Tractors. ALL-WHEEL STEERING LINKAGE. ELECTRICAL. ENGINE (425/445 GAS) AM131146, AM131446. ENGINE (455 DIESEL) AM130479. FUEL AND AIR. HYDRAULICS. MOWER DECK LIFT LINKAGE. POWER-TAKEOFF.

TY16190 Weather Enclosure - ty16190 - John Deere spare part ...

TY16190 Weather Enclosure - ty16190 - John Deere spare part ...

John Deere Z425 Parts Diagram | Automotive Parts Diagram ... Description : John Deere D100 Lawn Tractor Parts for John Deere Z425 Parts Diagram, image size 600 X 600 px, and to view image details please click the image. Truly, we also have been noticed that john deere z425 parts diagram is being just about the most popular subject at this time.

JE 425 AWS steering loose? | My Tractor Forum

JE 425 AWS steering loose? | My Tractor Forum

John Deere Parts Catalog Find parts & diagrams for your John Deere equipment. Search our parts catalog, order parts online or contact your John Deere dealer.

BM17347 Kit - bm17347 - John Deere spare part | 777parts

BM17347 Kit - bm17347 - John Deere spare part | 777parts

John Deere 425 Lawn Tractor Parts - Quick Parts Reference ... CALL US AT (855) 669-7278 John Deere 425 Lawn Tractor Parts for 54 Mower Deck Quick Reference Guide. Click the part number below to view and order John Deere 425 Lawn Tractor Parts for 54 Mower Deck, or search illustrated diagrams to determine the part you need. Order John Deere Lawn Tractor Parts Online. Same Day & Flat Rate Shipping!

John Deere 425, 445 and 455 Lawn and Garden Tractors Service ...

John Deere 425, 445 and 455 Lawn and Garden Tractors Service ...

betsson263-registrieren.de › john-deere-ztrak-leaking-oilThe John Deere Low Vis Hygard trans fluid is a golden or ... John Deere Hydro Transmission for L120, L130 by Tuff Torq Posted By : www. 6-cm (3-in. john deere model: 520 & 530 series this is a manual produced by jensales inc. Finding a factory John Deere oil filter for the lawn tractor was easiest going through Amazon.

John Deere 425 525 Disc Harrow Parts Manual (JD-P-PC1213) | eBay

John Deere 425 525 Disc Harrow Parts Manual (JD-P-PC1213) | eBay

John Deere 425 Garden Tractor Parts - Mutton Power John Deere 425 Parts. The John Deere 425 was produced from 1992 to 2001 and came standard with power steering and hydraulic deck lift with available 425AWS with 4 Wheel Steering. Other features include Hydraulic Control Valves, hydrostatic drive transmission with differential lock and 20hp liquid cooled Kawasaki Engine.

JOHN DEERE 425 445 455 TRACTOR PARTS CATALOG MANUAL | eBay

JOHN DEERE 425 445 455 TRACTOR PARTS CATALOG MANUAL | eBay

› category › did-you-knowDid You Know? Archives - Hollywood.com Did You Know is your destination for interesting facts about hit movies, TV shows, celebrities, and all things entertainment.

FRONT PTO KIT [C04] - BROOM, ROTARY John Deere 51 - BROOM ...

FRONT PTO KIT [C04] - BROOM, ROTARY John Deere 51 - BROOM ...

John Deere Parts Diagrams, John Deere Z445 EZtrak Mower ... John Deere Parts Diagrams, John Deere Z445 EZtrak Mower (With 54-IN "High C" Deck) -PC9595. Air Filter - 150000: Fuel & Air. Air Filter 150001 - : Fuel & Air. Air Filter: Fuel & Air.

John deere 8100, 8200, 8300, 8400 tractors parts catalog

John deere 8100, 8200, 8300, 8400 tractors parts catalog

ARIMain - Weingartz John Deere Parts Lookup -John Deere-425 Lawn & Garden Tractor -PC2351. 855-669-7278 My Store Ann Arbor Cedar Springs Clarkston ... Parts Diagrams Parts By Type Service Certified Pre-Owned Used Equipment Model Look Up Quick Order Pad ...

JD John Deere 425 Tractor Standard Schematic Electrical Wiring Diagram  Manual | eBay

JD John Deere 425 Tractor Standard Schematic Electrical Wiring Diagram Manual | eBay

John Deere Models 425 445 455 Parts - ShopGreenDealer At the Green Dealer, discover a broad selection of parts and accessories for the John Deere 425 445 455 series. We have the essential items to keep your vehicle in the best shape possible. Find what you need with us today at great prices. Browse from tractor cab sunshades, enclosures, snow blade runners, blade and wheelsets, engine kits, and more!

Z425 - 48-in. Mower Deck

Z425 - 48-in. Mower Deck

425 Lawn Tractor Parts | Weingartz John Deere 425 Lawn Tractor Parts 54 Mower Deck. NEED HELP FINDING PARTS? CALL US AT (855) 669-7278. John Deere 425 Lawn Tractor Parts for 54 Mower Deck Quick Reference Guide. Click the part number below to view and order John Deere 425 Lawn Tractor Parts for 54 Mower Deck, or search illustrated diagrams to determine the part you need.

John Deere 425 Lawn & Garden Tractor -PC2351 THROTTLE CONTROL ...

John Deere 425 Lawn & Garden Tractor -PC2351 THROTTLE CONTROL ...

dink-magazin.de › john-deere-x324-vs-x500dink-magazin.de Kawasaki FH491V. John Deere 4200 Hood John Deere 4210 Hood John Deere 4300 Hood John Deere 4310 Hood John Deere 44 Mar 25, 2020 · Green Parts Direct is a dealer of John Deere parts. Used john deere X534 mower in execellent condition. John Deere 630X: Price: 59,600 € Working width: 9.

I have a Deere 425 tractor with a 47 inch snow blower ...

I have a Deere 425 tractor with a 47 inch snow blower ...

John Deere Parts Diagrams, John Deere 425 Lawn & Garden ... John Deere Parts Diagrams, John Deere 425 Lawn & Garden Tractor -PC2351. Attachment Mounting Hardware for Attaching 72 Lb. Starter Weight for 26x12-12 Tire: Wheels,Frame & Operator's Station.

Amazon.com: Parts Manual - 1050 fits John Deere 1050 PC2016 ...

Amazon.com: Parts Manual - 1050 fits John Deere 1050 PC2016 ...

Pin on Wiring Diagram

Pin on Wiring Diagram

John Deere MECHANICAL COMPONENTS (425, 445 AND 455 TRACTORS ...

John Deere MECHANICAL COMPONENTS (425, 445 AND 455 TRACTORS ...

John deere 425 lawn garden tractor service repair manual by ...

John deere 425 lawn garden tractor service repair manual by ...

John Deere 425 Lawn & Garden Tractor -PC2351 INSTRUMENT ...

John Deere 425 Lawn & Garden Tractor -PC2351 INSTRUMENT ...

John Deere TM1517 Technical Manual - 425 445 455 Lawn Garden ...

John Deere TM1517 Technical Manual - 425 445 455 Lawn Garden ...

425 riding mower no start - Yesterday's Tractors

425 riding mower no start - Yesterday's Tractors

Z425 - 48-in. Mower Deck

Z425 - 48-in. Mower Deck

John Deere 425 Lawn & Garden Tractor -PC2351 AUXILIARY ...

John Deere 425 Lawn & Garden Tractor -PC2351 AUXILIARY ...

John Deere 425 Lawn & Garden Tractor -PC2351 Transaxle ...

John Deere 425 Lawn & Garden Tractor -PC2351 Transaxle ...

John Deere 455 Lawn & Garden Tractor -PC2351

John Deere 455 Lawn & Garden Tractor -PC2351

John Deere 425 Disassembly: Part 1

John Deere 425 Disassembly: Part 1

JD 425 445 455 Technical Manual Lawn And Garden Tractors ...

JD 425 445 455 Technical Manual Lawn And Garden Tractors ...

John Deere Tractors 425, 445 and 455 (Quik-Tatchâ„¢) (M01471X ...

John Deere Tractors 425, 445 and 455 (Quik-Tatchâ„¢) (M01471X ...

Pin on Diagram

Pin on Diagram

John Deere Ignitor - AM105574

John Deere Ignitor - AM105574

I need to remove the crank case cover to get at a broken from ...

I need to remove the crank case cover to get at a broken from ...

John Deere 425 Lawn & Garden Tractor -PC2351 MID-PTO ...

John Deere 425 Lawn & Garden Tractor -PC2351 MID-PTO ...

JD 425 AWS sloppy steering | Green Tractor Talk

JD 425 AWS sloppy steering | Green Tractor Talk

0 Response to "39 john deere 425 parts diagram"

Post a Comment

Iklan Atas Artikel

Iklan Tengah Artikel 1

Iklan Tengah Artikel 2

Iklan Bawah Artikel