Iklan 300x250

38 john deere 110 wiring diagram

I need a wiring diagram John Deere D110 riding mower I need a wiring diagram John Deere D110 riding mower. The blade belt is not engaging. I put on a new belt and have. The blade belt is not engaging. I put on a new belt and have the adjustment bracket on the deck to the maximum. Still loose when engaged. PDF Wiring Diagram For John Deere 2350 - dev.witi.com Description: Jd 110 Wiring Diagram John Deere 110 Ignition Switch Wiring Wiring in John Deere 214 Wiring Diagram, image size 800 X 745 px, and to view image details please click the image.. Here is a picture gallery about john deere 214 wiring diagram complete with the description of the image, please find the

John Deere G110 Mower Belt Diagram - schematron.org John Deere G110 Mower Belt Diagram 02.06.2019 6 Comments Buy Genuine OEM John Deere parts for your John Deere G Lawn Tractor ( With IN Mower Deck) IN 2-Stage Snowblower -PC pulleys & drive belt . This link will send you to the illustrated parts list on the john deere site. deck.. and they will have a diagram of the mowing deck with the belt.

John deere 110 wiring diagram

John deere 110 wiring diagram

John Deere 300 Wiring Diagram - peg perego john deere ... Here are a number of highest rated John Deere 300 Wiring Diagram pictures upon internet. We identified it from obedient source. Its submitted by giving out in the best field. We resign yourself to this nice of John Deere 300 Wiring Diagram graphic could possibly be the most trending subject afterward we share it in google plus or facebook. '67 110 Wiring Diagram | Weekend Freedom Machines Specifically, the ignition coil wire (pink) is shown going to the same ignition switch terminal as the battery (red) wire. This is incorrect. The coil wire actually goes to the same terminal as the generator light (orange) wire. Below is a link to a more verbose explanation from a much older post of mine. JOHN DEERE - Service Manual Download John Deere 110 Lawn and Garden Tractor (SN 250001 - ) Service Repair Manual (SM2101) John Deere 400 Hydrostatic Tractor Service Repair Manual (SM2103) John Deere 200 , 208 , 210 , 212 , 214 and 216 Lawn and Garden Tractors Service Repair Manual (SM2105 OCT-81)

John deere 110 wiring diagram. John Deere D110 Wiring Diagram - schematron.org John Deere D110 Wiring Diagram 06.10.2018 5 Comments Find the latest features and pricing on the John Deere E Lawn Tractor with 42 -in. Deck. Cleaning Air Intake Screen and Engine Fins · Checking and Cleaning Air Cleaner Elements (D and D) · Checking and Cleaning Air Cleaner Elements. John Deere 110 Wiring - unstyled john deere b wiring ... John Deere 110 Wiring. Here are a number of highest rated John Deere 110 Wiring pictures upon internet. We identified it from reliable source. Its submitted by government in the best field. We undertake this nice of John Deere 110 Wiring graphic could possibly be the most trending subject in the same way as we portion it in google gain or facebook. John Deere L110 Wiring Schematic - Free Wiring Diagram Variety of john deere l110 wiring schematic. A wiring diagram is a simplified standard photographic representation of an electric circuit. It reveals the parts of the circuit as simplified forms, and the power and signal links in between the devices. John Deere D110 Wiring Diagram John Deere D110 Wiring Diagram Find parts for your john deere wiring harness: electrical with our free parts lookup tool! Search easy-to-use diagrams and enjoy same-day shipping on standard. Cleaning Air Intake Screen and Engine Fins · Checking and Cleaning Air Cleaner Elements (D and D) · Checking and Cleaning Air Cleaner Elements.

Wiring Diagram John Deere 110 Lawn Tractor - Wiring Diagram John Deere 110 112 Lawn Garden Tractor Pc1081 Wiring Harness Electrical System Kohler And 100 001 250 000. 67 110 wiring diagram weekend freedom 1968 john deere need a garden tractor pc1081 harness 72 jd problems 1971 help 1974 won t start no d110 riding mower starter generator stator crazy l130 problem forum 1966 rf 70 or picture side tag green talk lawn la loader backhoe forums 112 1964 1965 ... Basic Wiring Diagram for all Garden Tractors using a ... Here is a basic wiring diagram that applies to all Vintage and Antique Lawn and Garden Tractors using a Stator Charging System and a Battery Ignition System. We did our best to keep this as simple and as easy to understand as possible. This applies to all old Cub Cadet, Ford, Jacobsen, John Deere, Wheel Horse, Case, and Simplicity Garden Tractors. Re-wiring John Deere 110 from "tractor w/o HL's" to ... Re-wiring John Deere 110 from "tractor w/o HL's" to Tractor with "batery-coil" Got a replacement switch to accommodate the battery-coil ignition set up that the previous owner revised. The new ignition switch has an "I" terminal. All of the rest are similar to that found on a wiring diagram for the 112 JD lawn tractor. John Deere 110 Tractor Loader Backhoe Service Manual ... Complete official service manual with Electrical Wiring Diagrams for John Deere 110 Tractor Loader Backhoe, with all the shop information to maintain, diagnose, repair, and rebuild like professional mechanics.. John Deere 110 Tractor Loader Backhoe workshop service & repair manual includes: * Numbered table of contents easy to use so that you can find the information you need fast.

John Deere 110 no spark and a wiring diagram needed ... John Deere 110 no spark and a wiring diagram needed. I am helping a friend work on his John Deere 110. We rebuilt the carb and replaced the head gasket. Went to start it and no spark, come to find out a bunch of wires came loose and didn't know where they went so he just guessed. It does not have a coil. Need a wiring diagram for a 1967 Deere 110 Garden Tractor On a John Deere 325 Lawn & Garden tractor, I need to know exactly how to connect the bent choke wire to the carburetor and the control … read more. Vince O. Small Engine Technician. High School or GED. 3,349 satisfied customers. I have a John Deere 145 garden tractor, and the mower blades. TractorData.com John Deere 110 tractor information Operator's Manual 110 (OM-M40401) published in 1963, by John Deere. Operator's Manual 110 and 110H (OM-M41412) published in 1966, by John Deere. Service Manual 110 and 112 Lawn and Garden Tractors published in 1967, by John Deere. Operator's Manual 38 Rotary Mower (OMM41126) published in 1963, by John Deere. In need of a John Deere 110 Wiring diagram - Garden ... Posted: Mon Jun 08, 2009 6:18 am Post subject: Re: In need of a John Deere 110 Wiring diagram: Jack, look at WeekendFreedomMachines.com. Then do a search for wiring diagram and you can pick the right one. There are different wiring diagrams for the 110's depending on the year and the engine so make sure you get the right one.

John Deere Mowers 1400 Diesel Series (1435) Electrical ...

John Deere Mowers 1400 Diesel Series (1435) Electrical ...

1965 John Deere 110 wiring from scratch - YouTube After a small electrical fire this john deere 110 from 1965 needed all new electrical components. It has an old school voltage regulator and solenoid that I ...

John Deere L100 L110 L120 L130 Technical Manual Lawn Tractors ...

John Deere L100 L110 L120 L130 Technical Manual Lawn Tractors ...

69 john deere 140 wiring diagram - Irish Connections John Deere Garden Tractor Collectors Head To Horicon Celebrate. 140 wiring schematic my tractor forum john deere diagram weekend 1972 jd h3 1968 garden forums testing solid state sytsem 1969 70 or picture electrical problems help rear hydraulic kit 1 question 110 charging system h1 pto clutch 120 engine disconnect 216 freedom tractordata com ...

1968 110 side tag | Green Tractor Talk

1968 110 side tag | Green Tractor Talk

John Deere D100, D110, D120, D130, D140 Service Manual PDF John Deere D100 D110 D120 D130 D140 D150 D160 D170 Tractor Service Manual PDF TM113219. Technical manual for John Deere D100 series lawn tractors includes the full description of service procedures, troubleshooting information, assembly and disassembly, inspection and adjustment, precautions and special operating instructions, technical ...

WIRING DIAGRAM--24 Volt System 966C WHEEL LOADER | AVSpare.com

WIRING DIAGRAM--24 Volt System 966C WHEEL LOADER | AVSpare.com

John Deere Manual | Service,and technical Manuals PDF Search for your specific John Deere Tractor Technical Manual PDF by typing the model in the search box on the right side of the page. About Your John Deere. John Deere & Company was founded in 1837. It has grown from a blacksmith shop with only one person to a group company that now sells in more than 160 countries around the world and employs ...

Pin on JDEERE 170

Pin on JDEERE 170

John Deere 170 Wiring Diagram - wiring diagram for john ... John Deere 170 Wiring Diagram - 16 images - john deere 165 hydro mower deck parts diagram best trend, john deere wiring diagram on and fix it here is the wiring, wiring diagram 3010 john deere tractor complete wiring, 28 john deere 170 lawn tractor parts diagram wire,

72 Jd 110 wiring problems | Garden Tractor Forums

72 Jd 110 wiring problems | Garden Tractor Forums

John Deere L110 Automatic Wiring Diagram 30 John Deere L110 Wiring Diagram Wiring Diagram List The best unconventional is always to use a verified and accurate John Deere L110 Automatic Wiring Diagram that's provided from a trusted source. A good, acknowledged company that has a long track baby book of providing the most up-to-date wiring diagrams available is not difficult to find.

Wiring diagram for John Deere D105 - Fixya

Wiring diagram for John Deere D105 - Fixya

L110 wiring diagram - Pinterest L110 wiring diagram Find this Pin and more on Household do it yourself by Joan Olbrys. Adventure Campers Electrical Wiring Diagram Safety Switch You Know Where Small Engine Wire Car Parts Tractors Lawn I have a John Deere, Model L110, S/N: GLX110A102889 and need a wiring diagram.

Gator 6x4 fuel pump not getting power | John Deere Gator Forums

Gator 6x4 fuel pump not getting power | John Deere Gator Forums

John Deere 110 Tractor Loader Backhoe Maintenance Guide ... Service Schedule Parts for a John Deere 110 Tractor Loader Backhoe (TLB) & Parts List. While your John Deere machine is certainly built with quality parts, they have a limited life. Good news is you can easily service your machine yourself using a John Deere maintenance kit or service kits or by getting the specific John Deere part needed to keep your John Deere mower or tractor running for a ...

Need a wiring diagram for a 300 | Weekend Freedom Machines

Need a wiring diagram for a 300 | Weekend Freedom Machines

John Deere 110 Garden Tractor Parts - Mutton Power John Deere 110 Parts. The John Deere 110 was produced from 1963 to 1974 and came with round fenders in 1963-1967 and square fenders in 1968-1974. The 110H model feature hydraulic deck lift and both came equipped with a Gear drive transmission, 38" or 46" Mower Deck and 8hp Kohler motor (1963 models had a 7hp Kohler) .

John Deere 110 Tractor Loader Backhoe Service Manual (TM1987 ...

John Deere 110 Tractor Loader Backhoe Service Manual (TM1987 ...

JOHN DEERE - Service Manual Download John Deere 110 Lawn and Garden Tractor (SN 250001 - ) Service Repair Manual (SM2101) John Deere 400 Hydrostatic Tractor Service Repair Manual (SM2103) John Deere 200 , 208 , 210 , 212 , 214 and 216 Lawn and Garden Tractors Service Repair Manual (SM2105 OCT-81)

1965 John Deere 110 wiring from scratch

1965 John Deere 110 wiring from scratch

'67 110 Wiring Diagram | Weekend Freedom Machines Specifically, the ignition coil wire (pink) is shown going to the same ignition switch terminal as the battery (red) wire. This is incorrect. The coil wire actually goes to the same terminal as the generator light (orange) wire. Below is a link to a more verbose explanation from a much older post of mine.

John Deere 110 Excavator Service Manual (Operation and Tests ...

John Deere 110 Excavator Service Manual (Operation and Tests ...

John Deere 300 Wiring Diagram - peg perego john deere ... Here are a number of highest rated John Deere 300 Wiring Diagram pictures upon internet. We identified it from obedient source. Its submitted by giving out in the best field. We resign yourself to this nice of John Deere 300 Wiring Diagram graphic could possibly be the most trending subject afterward we share it in google plus or facebook.

John deere 110, restoration project | My Lawnmower Forum

John deere 110, restoration project | My Lawnmower Forum

Jd 110 Wiring Help | Garden Tractor Forums

Jd 110 Wiring Help | Garden Tractor Forums

John Deere 110 Tractor Loader Backhoe Service Manual TM1987

John Deere 110 Tractor Loader Backhoe Service Manual TM1987

John Deere Lawn & Garden 110 (Serial #3551 to #130,000) & 112 (Up To Serial  #100,000) Complete Wire Harness

John Deere Lawn & Garden 110 (Serial #3551 to #130,000) & 112 (Up To Serial #100,000) Complete Wire Harness

I need a wiring diagram for a Deere D110 riding mower

I need a wiring diagram for a Deere D110 riding mower

Wiring Help | Garden Tractor Forums

Wiring Help | Garden Tractor Forums

1971 Deere 110 Wiring Help | Garden Tractor Forums

1971 Deere 110 Wiring Help | Garden Tractor Forums

1972 Deere 110 with 8 HP Kohler will not start. I have ...

1972 Deere 110 with 8 HP Kohler will not start. I have ...

John Deere 757 Z Trak wiring diagrams | My Lawnmower Forum

John Deere 757 Z Trak wiring diagrams | My Lawnmower Forum

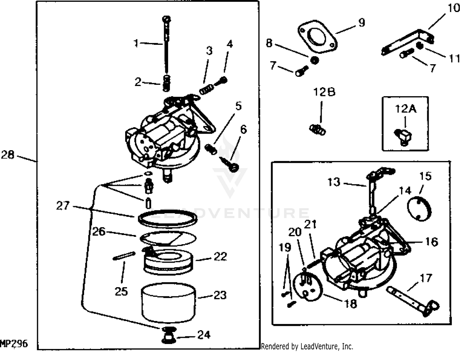
John Deere 110 LAWN & GARDEN TRACTOR -PC0855 CARBURETOR ...

John Deere 110 LAWN & GARDEN TRACTOR -PC0855 CARBURETOR ...

Wiring Help | Garden Tractor Forums

Wiring Help | Garden Tractor Forums

JD x475 mower deck won't engage, instrument cluster dead | My ...

JD x475 mower deck won't engage, instrument cluster dead | My ...

John Deere LA130 LA140 LA150 Lawn Tractor TM2371 Technical Manual PDF

John Deere LA130 LA140 LA150 Lawn Tractor TM2371 Technical Manual PDF

John Deere LT150 LT160 LT170 LT180 Lawn Tractors TM1975 Technical Manual PDF

John Deere LT150 LT160 LT170 LT180 Lawn Tractors TM1975 Technical Manual PDF

SOLVED: 1968 Model 110 Hydro. Where can I obtain a - Fixya

SOLVED: 1968 Model 110 Hydro. Where can I obtain a - Fixya

322 stalls when taken out of neutral or Pto engage pto ...

322 stalls when taken out of neutral or Pto engage pto ...

JD 110 positive or negative ground? | My Tractor Forum

JD 110 positive or negative ground? | My Tractor Forum

John Deere L 110 - Yesterday's Tractors

John Deere L 110 - Yesterday's Tractors

John Deere 111 wiring | Green Tractor Talk

John Deere 111 wiring | Green Tractor Talk

JOHN DEERE 110 TLB COMPLETE LIGHTING CIRCUIT DEAD | Page 2 ...

JOHN DEERE 110 TLB COMPLETE LIGHTING CIRCUIT DEAD | Page 2 ...

Need 1966 JD 110 RF Wiring Diagram.. | Garden Tractor Forums

Need 1966 JD 110 RF Wiring Diagram.. | Garden Tractor Forums

Wiring diagram for deere 112 series number307908M

Wiring diagram for deere 112 series number307908M

Basic Wiring Diagram for all Garden Tractors using a Stator ...

Basic Wiring Diagram for all Garden Tractors using a Stator ...

JD 110 stator wiring | Garden Tractor Forums

JD 110 stator wiring | Garden Tractor Forums

WFMFiles.com

WFMFiles.com

TM2373 - John Deere X110, X120, X140 Lawn Tractors (EXPORT ...

TM2373 - John Deere X110, X120, X140 Lawn Tractors (EXPORT ...

0 Response to "38 john deere 110 wiring diagram"

Post a Comment

Iklan Atas Artikel

Iklan Tengah Artikel 1

Iklan Tengah Artikel 2

Iklan Bawah Artikel