41 2006 f150 power steering hose diagram
Related posts Cash Flow Diagram Excel John Deere 111 Parts Diagram 2005 Ford F 150 Power Window Wiring Diagram. 2011 Ford F150 Wiring Diagram. Car theft is an ever-increasing problem nowadays, with A growing number of vehicle entrepreneurs falling sufferer to theft.
Power Steering Pump Help - Ford F150 Forum. I Have A 2004 F150 4x4 That Has Some Grinding Or Vibration. 32 1989 Ford F150 Steering Column Diagram. Need A Schematic Diagram For 1997 F. 1995 Ford F150 Has Intermittent Starting Problem Replaced.

2006 f150 power steering hose diagram
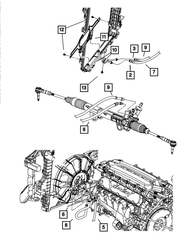
Mar 28, 2018 · 2004 - 2008 Ford F150 - Power steering diagram - Does anyone have a power steering line diagram for 2008 f150 5.4L??? There are two different coolers and different return lines. I can't find any diagrams online that help so I thought I would reach out to the experts here. 2004 gmc sierra 1500 4wd. I changed my power steering pump, bled it to i think satisfaction by jacking it up and with car off, rotate wheels quite a few times fully then top off then quick start and shut off and check it all and repeat. Took it for a drive (10 miles) and went very well. Felt like a new truck! Then i parked it and next day was 8° F. When i started it, the line that comes from steering box to the cooler popped open, a seam 2” long. I did use i think fiber reinforced fuel line. Is... [link to images](https://imgur.com/a/ULEerx0) Hi, Auto Mechanics, The steering on my 2006 Honda Odyssey was making humming/whirring noises when turning at slow speeds so I checked the power steering fluid and it was pretty low. I suspect a leak somewhere, but I'm not sure what's needed. The linked photos show damp areas at both ends of the hose running from what I assume is the power steering fluid reservoir, but it seems weird that a leak just showed up at both ends of the hose at the same...
2006 f150 power steering hose diagram. Ford F-150 2006, Remanufactured Power Steering Pump by Cardone Reman®. Cardone Reman Remanufactured Power Steering Pumps are built to meet or exceed OEM performance. Original designs are scrutinized for potential improvement, and where... Are you losing power steering fluid? Have you tried to locate where and why? This one had me going nuts. I started experiencing the age old wheezing Firs thing I did was check the power steering oil level. The bottle is located on the driver side behind the radiator. The cap does not have an... Heyo, My power steering is leaking. I've been refilling it for over a month now but am at my end with doing that haha. I've just been busy. Originally I thought it was the pump but 99% sure it's the rack and is leaking from where I circled in the attached photo. Can I repair/fix that one part or do I need to replace the whole unit. If it can be fixed... How? [Power Steering Leak Diagram](https://imgur.com/a/jMmK44v) Category: 2006 f150 power steering diagram Show details. 5 hours ago Ford F-150 2007, Power Steering Pressure Line Hose Assembly by Edelmann®. Quantity: 1 per Pack. Engineered by the company with more than 50 years of steering hose manufacturing experience, Edelmann power...
Need Vacuum Diagram For 97 F150 Ford Trucks com April 21st, 2019 - 1997 2003 F150 Need Vacuum Diagram For 97 F150 Found hoses diconnected busted dont know where they go A C comes out defrost only Chilton does not show and sticker is for emissions type vacuum Does anyone have a... 1999 Ford F-150 Power Steering Reservoir Line Hose | FordParts.com. Reservoir to pump ( both hose clamps) Pump to steering box ( both high pressure) Steering box to cooler ( high pressure on steering box, clamps on cooler) Cooler... Greetings folks, I have a friends Avalanche and Im trying to fix it up for his son to use for community college. I need a diagram for power steering lines. I got one going forward to what I think is a cooler that is leaking badly. I want to get the part so the kid can use the truck right up till I swap it. Thanks in advance. Find solutions to your diagram power steering hose question. Question about 1988 F 150. ...diagram of the power steering hoses (or just th epressure hose) so i know what i'm looking for to replace the hose. mcgtr There are only 2 hoses in the power steering system.
2006 ford f 150 power steering diagram jan 29 2019. Posted by ivanmckay on dec 20 2012. New oem power steering gear to cooler hose 2005 2008 Diagram for 1978 mustang steering column. What is the trick to removing the covers on the upper steering column to access the internal ign switch... Ford F-150 power steering intermittent and inconsistent problem or feels like no power steering sometimes and the steering wheel has trouble turning.The... 2006 ford f 150 power steering diagram wiring diagrams rh appsxplora co 2005 f150 loose steering f150 and super duty ford trucks rh com box diagram 1968 chevy truck column 4 6l triton engine Ford f 150 2006 power steering return line hose assembly by edelmann. Visit the post for more. After much trial and tribulation I managed the get the three bolts holding my power steering pump off my 2007 F150. Now the pump itself seems to be seized on the block it's mounted to. I can't get the damn thing off. Anyone have any ideas? Also, I just want to confirm, I removed the two bolts up top that were longer, and then the third bolt underneath and when that one came out it was quite a bit shorter than the other two. Just confirming this is correct and there is nothing else holding it in...
I have a 2006 scab - was hearing some noise out of front end on slight left turns... determined to be wheel bearing - when swapping it out I was replacing IWE actuator as well - two of three bolts snapped off in the knuckle - after many curse words and failed extractions I bought a new dorman knuckle....I was sick of trying to get the bolts out -- just mounted the bearing and put lower ball joint nut on to hold - lining up shaft and IWE for install and the screws for the IWE simply do not fit in...
The writers of 2005 Ford F150 Power Steering Hose Diagram have made all reasonable attempts to offer latest and precise information and facts for the readers of this publication. The creators will not be held accountable for any unintentional flaws or omissions that may be found.
Specification Description and Operation Power Steering Diagnosis and Testing Power Steering Duratorq-TDCi/2.2L Duratorq-TDCi (110kW/150PS) - Puma Power Steering Pump Belt Tensioner A localized circuit diagram is included to provide circuit identification, connectors, splices, fuses, wire...
In addition you can bookmark this page to you favorite bookmarking sites. Power steerring hoses detailed photos of replacing all four hoses...
Ford F 150 Steering Diagram. It could possibly appear to be a hard endeavor, nonetheless it is in fact pretty effortless if someone lets you know how to get it done. The initial step is to buy the right Ford F 150 Steering Diagram . Sprinkler Ford F 150 Steering Diagram is marketed at hardware suppliers...
NEW OEM POWER STEERING GEAR TO COOLER HOSE 2005-2008 FORD F150 #6L3Z-3A713-E (Cheaper aftermarkets available but I didn't want have time In diagrams on ford parts sites and from tracing it out under the truck it seems to me that that line, which I believe is the high pressure line, is the one that attaches...
2004 2008 ford f150 how does the power steering return line attach to the steering gear. I need a fuse box diagram for a ford f150 2006.
Steering wheel on my truck recently got really tight. I checked out my power steering res and it was a little low so I topped it off. While doing so, I realized that the cap was not put on properly. I have had to top the res off before, so I assume I have a very slow leak somewhere. Anyway, normally topping it off solves the problem, but this time nothing changed really. Could something have gotten into the res and is causing a clog somewhere? The cap was on, just misthreaded. I don't think the...
I need a diagram showing the route of the return power steering hose? . Reply 1: Hello, Here is a video that shows the steps of changing the ... Lugnutlisa. Member. 2006 ford taurus. 6 cyl. 2WD.
Details: Ford F-150 2006, Power Steering Pressure Line Hose Assembly by Edelmann®. Quantity: 1 per Pack. Engineered by the company with more than 50 years of steering hose manufacturing experience, Edelmann power steering replacement hoses Highly resistant to stress conditions...
This 2006 Ford F150 Fuse Diagram shows a Passenger Compartment Fuse Panel and an Auxiliary Relay Box. Power Steering. Rain and water repellant for windshields. Ram ProMaster City Review. 2007 Ford F150 Fuse Diagram Central Junction Box. 1 10 Windshield wiper motor...
Ford Lower Power Steering Hose Replace F150 power steering rack diagram in addition 5 0 mustang as well as 2006 toyota ta a power steering diagram furthermore ford f 150 regular cab moreover.
2006 ford f 150 power steering diagram here you are at our site this is images about 2006 ford f 150 power steering diagram posted by alice ferreira in 2006 category on nov 09 2019. Ford f 150 2006 power steering return line hose assembly by gates.
Bmw 325i Vacuum Diagram Wiring Diagram General. 03 Escape Radiator Hose Diagram Wiring Diagram Dom. Bmw Oem 01 06 325ci 2 5l L6 Radiator 2006 Bmw 525i Serpentine Belt Diagram 1995 Ford F 150 Wiring Diagram. E46 Cooling System Guide Overheating Coolant Etc E46fanatics.
2006 pontiac grand prix power steering hose diagram. Hose tube cutter. Remove the belt and make sure your power steering ok first. Ford f 150 2006 power steering return line hose assembly by gates. You can also find other images like ford wiring diagram ford parts diagram ford replacement...
View and Download Ford 2010 F-150 owner's manual online. Page 11 Avoid Smoking, Flames, or Sparks Explosive Gas Power Steering Fluid Service Engine Soon Passenger Compartment Air Filter Check Fuel Cap 2010 F-150 (f12) Owners Guide, 1st Printing USA (fus) Introduction Power Window...
Fuse box diagram (location and assignment of electrical fuses and relays) for Ford F-150 (2004, 2005, 2006, 2007, 2008). In this article, we consider the eleventh-generation Ford F-150, produced from 2004 to 2008. Cigar lighter (power outlet) fuses in the Ford F-150 are the fuses №37 (Rear power...
Ford 2006 f 150 54l v8 steering power steering pressure hose. No parts for vehicles in selected markets. Pressure Return Ho...
[link to images](https://imgur.com/a/ULEerx0) Hi, Auto Mechanics, The steering on my 2006 Honda Odyssey was making humming/whirring noises when turning at slow speeds so I checked the power steering fluid and it was pretty low. I suspect a leak somewhere, but I'm not sure what's needed. The linked photos show damp areas at both ends of the hose running from what I assume is the power steering fluid reservoir, but it seems weird that a leak just showed up at both ends of the hose at the same...
2004 gmc sierra 1500 4wd. I changed my power steering pump, bled it to i think satisfaction by jacking it up and with car off, rotate wheels quite a few times fully then top off then quick start and shut off and check it all and repeat. Took it for a drive (10 miles) and went very well. Felt like a new truck! Then i parked it and next day was 8° F. When i started it, the line that comes from steering box to the cooler popped open, a seam 2” long. I did use i think fiber reinforced fuel line. Is...
Mar 28, 2018 · 2004 - 2008 Ford F150 - Power steering diagram - Does anyone have a power steering line diagram for 2008 f150 5.4L??? There are two different coolers and different return lines. I can't find any diagrams online that help so I thought I would reach out to the experts here.
0 Response to "41 2006 f150 power steering hose diagram"
Post a Comment