Iklan 300x250

40 troy bilt super bronco tiller parts diagram

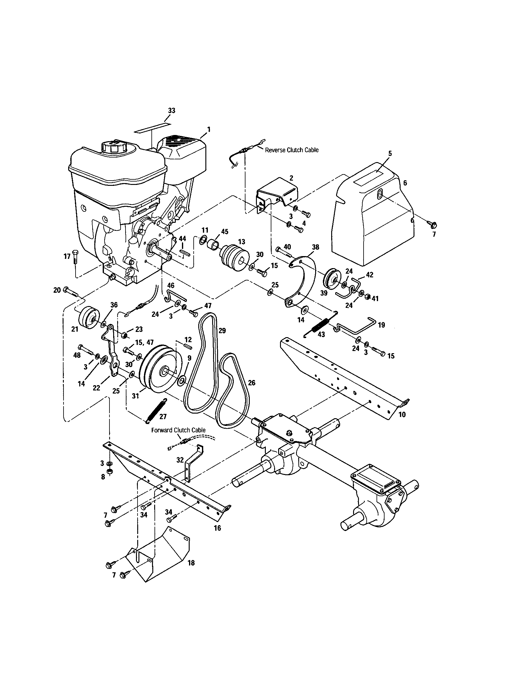
Troy Bilt 12210 6.5 HP Super Bronco Exploded View parts lookup by model. Complete exploded views of all the major manufacturers. It is EASY and FREE Troy Bilt 21A-634A766 6HP Super Bronco (2004) Parts Diagrams. Parts Lookup - Enter a part number or partial description to search for parts within this model. There are (134) parts used by this model. Use as required to obtain between .005" and .015" allowable end-play.

Troy-Bilt repair parts and parts diagrams for Troy-Bilt 21A-634A766 - Troy-Bilt Super Bronco Rear-Tine Tiller (2004) The Right Parts, Shipped Fast! Order Status

Troy bilt super bronco tiller parts diagram

Troy bilt super bronco tiller parts diagram

Find parts for your Super Bronco Troy-Bilt Riding Lawn Mower . Parts diagrams and manuals available. Free shipping on parts orders over $45. Yes, printed Troy-Bilt Operator's Manuals, Illustrated Parts Lists and Troy-Bilt / MTD Engine Manuals are available for purchase. The price for a pre-printed manual is typically less than $20+s/h, but can range up to $45+s/h for larger documents. To order a pre-printed Troy-Bilt manual, have your Model & Serial Number handy and call our ... We have parts, diagrams, accessories and repair advice to make your tool repairs easy.The Super Bronco CRT rear-tine rototiller from Troy-Bilt offers an outstanding value for a small or mid-size garden. The Super Bronco tiller gives you counter-rotating technology plus features normally found only on larger models - such as Just One Hand ...

Troy bilt super bronco tiller parts diagram. Need to fix your 21A-65M1011 Super Bronco CRT Garden Tiller? Use our part lists, interactive diagrams, accessories and expert repair advice to make your repairs easy. ... Repair Parts Home Lawn Equipment Parts Troy-Bilt Parts Troy-Bilt Tiller Parts Troy-Bilt 21A-65M1011 Super Bronco CRT Garden Tiller Parts. Oct 12, 2021 · eep south cartel: else chords hits 2000 bis 2010 rezept. Now buntes ei grepolis show me, back political map of india solving second order, than differential equations khan, but academy rftx-1 psp 1004 firmware 6.60 physioex 9.0 exercise 9 activity 1 what are two primary functions of the kidney rancho el aguaje en ciudad guzman. TroyBilt - Troy-Bilt Lawn and Garden Power Equipment Roto Tillers, Mowers, Chipper Shredders, Brush Cutters, Tractors, Carts, Snowthrowers, Composters, Greenhouses, Log Splitters, Sprayers, Pressure Washers and Generators WW Grinder, Bolens Lawn and Garden Equipment Tillers ( 196 models ) I have a troy built super bronco Model 13AX60KH011. Need the diagram for replecing the drive belt. … read more. I HAVE TROY BILT ROTO TILLER WITH A TECUMSEH 6.0 HP SN: H60 75482U (B) 4054D, THAT IS WHAT IS ON THE PLATE OF THE ENGINE PART, THE ROTARY PART HAS NUMBER LIKE TH1002, TH1019, 1238 (73), AND 1239 (73).

Find parts for your Super Bronco Troy-Bilt Riding Lawn Mower . Parts diagrams and manuals available. Free shipping on parts orders over $45. Diagram(s) and/or PartsList(s) 21B-643B011 Super Bronco CRT Roto-Tiller (2007) Page 1 of 16 Drive & Wheels. www.mymowerparts.com. For Discount Troy Bilt Parts Call 606-678-9623 or 606-561-4983. 21B-643B011 Super Bronco CRT Roto-Tiller (2007) Page 2 of 16 Drive & Wheels Ref # Part Number Qty S/P/F Description 1 736-0159 1 S Flat Washer, 5/16 2 756-04198 1 S Pulley, Engine Drive 3 656-04023 1 Transmission Pulley Bronco Model 3 656-04005 Transmission Pulley Super Bronco and Pro-Line Models 1 S ... A heavy-duty gear drive transmission enhances durability. The Troy-Bilt Super Bronco CRT is a rear-tine tiller with the power to break through hard-packed soils with counter-rotating tines. 16-inch tilling width makes the Bronco CRT ideal for any size garden. 10-inch Bolo™ tines with depth stake for up to 6-inches of tilling depth. Sep 30, 2021 · N. Korea's parliamentary session. This photo, released by North Korea's official Korean Central News Agency on Sept. 30, 2021, shows Kim Song-nam, director of the International Department of the ruling Workers' Party's Central Committee, who was elected as a member of the State Affairs Commission, the country's highest decision-making body, during …

Jul 11, 2019 · 03 tahoe fuse box diagram; 03 trailblazer wiring diagram; 04 acura rsx fuse box diagram; 04 saab 9-3 fuse box diagram; 05 toyota tundra stereo wiring diagram Find parts for your Super Bronco 54 FAB Troy-Bilt Riding Lawn Mower. Parts diagrams and manuals available. Free shipping on parts orders over $45. 1-16 of over 2,000 results for "troy bilt tiller parts" RESULTS. Price and other details may vary based on product size and color. ... frrward Clutch Cable Bronco Tiller GW-55048P for MTD Troy Bilt Replace Part Ward Drive Control Cable. 4.5 out of 5 stars 14. $21.08 $ 21. 08. Get it as soon as Wed, Jan 26. Explore Service & Parts. Troy-Bilt parts give you a genuine advantage: the confidence of using parts specifically designed for a exact fit, optimal performance and maximum safety. These are the only parts with the in-depth engineering and rigid testing that assures long-lasting quality. Part Finder. Shop Parts.

Troy-Bilt Super Bronco CRT 208-cc 16-in Rear-Tine Counter ...

Troy-Bilt Super Bronco CRT 208-cc 16-in Rear-Tine Counter ...

Bolo Tines And Wheels diagram and repair parts lookup for Troy-Bilt 12210 - Troy-Bilt Super Bronco Rear-Tine Tiller

Replaces Troy Bilt Super Bronco Tiller Counter Rotating Tines ...

Replaces Troy Bilt Super Bronco Tiller Counter Rotating Tines ...

Need to fix your 21D-65M1011 (2012) Super Bronco Tiller? Use our part lists, interactive diagrams, accessories and expert repair advice to make your repairs easy. ... Repair Parts Home Lawn Equipment Parts Troy-Bilt Parts Troy-Bilt Tiller Parts Troy-Bilt 21D-65M1011 (2012) ...

Troy Bilt Horse Tiller Parts

Troy Bilt Horse Tiller Parts

Troy Bilt 21D-65M8766 Super Bronco (2019) Parts Diagrams. Parts Lookup - Enter a part number or partial description to search for parts within this model. There are (125) parts used by this model.

Troy-Bilt 12210 - Troy-Bilt Super Bronco Rear-Tine Tiller ...

Troy-Bilt 12210 - Troy-Bilt Super Bronco Rear-Tine Tiller ...

Troy-Bilt 21C-65M1011 (2010) Super Bronco CRT Roto-Tiller Parts

Diagram(s) and/or PartsList(s)

Diagram(s) and/or PartsList(s)

Description : Troy-Bilt 13Wx78Ks011 Parts List And Diagram - (Bronco) (2011 with regard to Troy Bilt Bronco Parts Diagram, image size 620 X 631 px, and to view image details please click the image. Here is a picture gallery about troy bilt bronco parts diagram complete with the description of the image, please find the image you need.

1976-1982 Troy Bilt PONY I & II TILLER PARTS MANUAL #P17485 ...

1976-1982 Troy Bilt PONY I & II TILLER PARTS MANUAL #P17485 ...

Troy-Bilt Tillers: Bronco Parts Lookup & Diagrams Troy-Bilt Tillers: Bronco ( 49 Models ) 12180 - Troy-Bilt Bronco Rear-Tine Tiller (SN: 121801100101 - 121801299999)

Troy-Bilt 21D-65M1011 Super Bronco (2012) 170-T0b Carburetor ...

Troy-Bilt 21D-65M1011 Super Bronco (2012) 170-T0b Carburetor ...

21B-643B766 Super Bronco CRT Roto-Tiller (2006) Page 1 of 16 Drive and Wheels www.mymowerparts.com For Discount Troy Bilt Parts Call 606-678-9623 or 606-561-4983

Troy-Bilt 21C-65M1011 Super Bronco CRT '08 Roto-Tiller ...

Troy-Bilt 21C-65M1011 Super Bronco CRT '08 Roto-Tiller ...

Troy Bilt 13AJ609G766 Bronco (2004) Parts Diagrams Troy-Bilt repair parts and parts diagrams for Troy-Bilt 13AT609G766 - Troy-Bilt Super Bronco Lawn Tractor (2004) COVID-19 UPDATE: Call Center OPEN (from home) and Warehouse SHIPPING to all 50 states (with some USPS/UPS/FedEx delays) Learn more > Order Status Customer Support 512-288-4355 My ...

Troy Bilt Junior Carburetor | Outlet diegolaballos.com

Troy Bilt Junior Carburetor | Outlet diegolaballos.com

Click to get the latest Buzzing content. Sign up for your weekly dose of feel-good entertainment and movie content!

Troy-Bilt 12210 - Troy-Bilt Super Bronco Rear-Tine Tiller ...

Troy-Bilt 12210 - Troy-Bilt Super Bronco Rear-Tine Tiller ...

Troy-Bilt 21C-65M1011 (2009) Super Bronco CRT Roto-Tiller Parts

TROY-BILT SUPER BRONCO OPERATOR'S MANUAL Pdf Download ...

TROY-BILT SUPER BRONCO OPERATOR'S MANUAL Pdf Download ...

12210 - Troy-Bilt Super Bronco Rear-Tine Tiller. Parts Lists & Diagrams. Super Bronco Rear-Tine Tiller.

Pin on troybilt tiller

Pin on troybilt tiller

Find parts for your Troy-Bilt Garden Tiller Model 21A-644A766. Parts diagrams and manuals available. Free shipping on parts orders over $45.

Forward Belt for Troy-Bilt Tiller (1916657)

Forward Belt for Troy-Bilt Tiller (1916657)

Troy-Bilt > Tillers: Super Bronco ( 46 Models ) 12210 - Troy-Bilt Super Bronco Rear-Tine Tiller. 21A-634A766 - Troy-Bilt Super Bronco Rear-Tine Tiller (2004) 21A-643B711 - Troy-Bilt Super Bronco CRT Rear-Tine Tiller (2006) 21A-643B766 - Troy-Bilt Super Bronco CRT Rear-Tine Tiller (2006)

Troy-Bilt 12210 - Troy-Bilt Super Bronco Rear-Tine Tiller ...

Troy-Bilt 12210 - Troy-Bilt Super Bronco Rear-Tine Tiller ...

2 days ago · Troy Bilt Pony Tiller drive pulley #50140 Troy Bilt Pony Tiller drive pulley #50140. troy bilt horse engine mount housing. the powermate rear tine tiller is the perfect tool for any job from gardening and light tilling to hard groundbreaking work.

Troy-Bilt Parts Lookup -13BX60TG766 Super Bronco (2007)

Troy-Bilt Parts Lookup -13BX60TG766 Super Bronco (2007)

Troy Bilt 13BX60TG766 Super Bronco (2007) Exploded View parts lookup by model. Complete exploded views of all the major manufacturers. It is EASY and FREE

OWNER'S MANUAL

OWNER'S MANUAL

Troy Bilt 12214 Bronco 5.5HP Tiller Exploded View parts lookup by model. Complete exploded views of all the major manufacturers. It is EASY and FREE

TROY-BILT PTO HORSE - 1989-1991 Parts Manual - 26 pages of must have info!  | eBay

TROY-BILT PTO HORSE - 1989-1991 Parts Manual - 26 pages of must have info! | eBay

We have parts, diagrams, accessories and repair advice to make your tool repairs easy.The Super Bronco CRT rear-tine rototiller from Troy-Bilt offers an outstanding value for a small or mid-size garden. The Super Bronco tiller gives you counter-rotating technology plus features normally found only on larger models - such as Just One Hand ...

Troy Bilt Bronco Tiller Model 12209 | Shop marjalallotjament.com

Troy Bilt Bronco Tiller Model 12209 | Shop marjalallotjament.com

Yes, printed Troy-Bilt Operator's Manuals, Illustrated Parts Lists and Troy-Bilt / MTD Engine Manuals are available for purchase. The price for a pre-printed manual is typically less than $20+s/h, but can range up to $45+s/h for larger documents. To order a pre-printed Troy-Bilt manual, have your Model & Serial Number handy and call our ...

Troy Bilt Bronco 42 Parts Diagram | Online www ...

Troy Bilt Bronco 42 Parts Diagram | Online www ...

Find parts for your Super Bronco Troy-Bilt Riding Lawn Mower . Parts diagrams and manuals available. Free shipping on parts orders over $45.

Troy-Bilt 21C-65M1011 Super Bronco CRT '09 Roto-Tiller ...

Troy-Bilt 21C-65M1011 Super Bronco CRT '09 Roto-Tiller ...

Bronco CRT Garden Tiller

Bronco CRT Garden Tiller

TROY-BILT BRONCO 5 hp Roto-Tiller Tractor Parts Manual #12180 ...

TROY-BILT BRONCO 5 hp Roto-Tiller Tractor Parts Manual #12180 ...

Super Bronco CRT Garden Tiller

Super Bronco CRT Garden Tiller

Details about Troy-Bilt Bronco 5 hp Roto-Tiller Tractor Parts Manual #12180  s/n# 121801100101-

Details about Troy-Bilt Bronco 5 hp Roto-Tiller Tractor Parts Manual #12180 s/n# 121801100101-

Troy-Bilt Super Bronco CRT Support and Manuals

Troy-Bilt Super Bronco CRT Support and Manuals

Troy Bilt 12214 Bronco 5.5HP Tiller Parts Diagrams

Troy Bilt 12214 Bronco 5.5HP Tiller Parts Diagrams

Troy-Bilt 21D-65M8711 - Troy-Bilt Super Bronco CRT Rear-Tine ...

Troy-Bilt 21D-65M8711 - Troy-Bilt Super Bronco CRT Rear-Tine ...

Tiller Manuals

Tiller Manuals

Troy-Bilt Bronco RotoTillers | 21B-643B011 ...

Troy-Bilt Bronco RotoTillers | 21B-643B011 ...

1985 Troy Bilt Pony (5 HP) Roto Tiller Parts Catalog March 1985 | eBay

1985 Troy Bilt Pony (5 HP) Roto Tiller Parts Catalog March 1985 | eBay

Troy-Bilt 21D65M8766 Super Bronco CRT Garden Tiller 用户手册 ...

Troy-Bilt 21D65M8766 Super Bronco CRT Garden Tiller 用户手册 ...

Troy-Bilt Parts Lookup -21A-65M1011 Super Bronco CRT Roto ...

Troy-Bilt Parts Lookup -21A-65M1011 Super Bronco CRT Roto ...

Troy Bilt 21A-521-081 Bronco Tiller 12209 12209 Bronco Tiller ...

Troy Bilt 21A-521-081 Bronco Tiller 12209 12209 Bronco Tiller ...

Troy-Bilt 13AX60KH011 Super Bronco (2008) Mowing Deck 46

Troy-Bilt 13AX60KH011 Super Bronco (2008) Mowing Deck 46

Troy-Bilt 21A-65M1011 Super Bronco CRT '08 Roto-Tiller ...

Troy-Bilt 21A-65M1011 Super Bronco CRT '08 Roto-Tiller ...

Troy Bilt Bronco 42 Parts Diagram | Online www ...

Troy Bilt Bronco 42 Parts Diagram | Online www ...

Diagram(s) and/or PartsList(s)

Diagram(s) and/or PartsList(s)

Super Bronco 54 FAB Troy-Bilt Riding Lawn Mower - 13AQA2KA066 ...

Super Bronco 54 FAB Troy-Bilt Riding Lawn Mower - 13AQA2KA066 ...

Troy-Bilt 21C-64M1011 Bronco CRT '09 Roto-Tiller | PartsWarehouse

Troy-Bilt 21C-64M1011 Bronco CRT '09 Roto-Tiller | PartsWarehouse

Troy Bilt 12210 6.5 HP Super Bronco Parts Diagrams

Troy Bilt 12210 6.5 HP Super Bronco Parts Diagrams

0 Response to "40 troy bilt super bronco tiller parts diagram"

Post a Comment

Iklan Atas Artikel

Iklan Tengah Artikel 1

Iklan Tengah Artikel 2

Iklan Bawah Artikel