Iklan 300x250

41 exmark lazer z parts diagram

LZ27KC604 - Exmark 60" Lazer Z Zero-Turn Mower, 27HP ... LZ27KC604 - Exmark 60" Lazer Z Zero-Turn Mower, 27HP Kohler (SN: 370000 - 439999) (2003) > Parts Diagrams (26) Hide Air-Cooled Engine Deck Group Common Engine Deck Group Decal Group (Part 1) Decal Group (Part 2) Deck Group 52" Deck Group 60" Deck Group 72" Front Frame Group Hydraulic Group Kawasaki 27 HP Liquid-Cooled Electrical Diagram Exmark Lazer Z Belt Diagram - schematron.org The Exmark Lazer Z lawnmower may not work if the belt is too worn; if this occurs, follow these steps Gather all lawnmower replacement parts in one location. schematron.org - Order Genuine eXmark Part (DECAL,BELT ROUTING) . eXmark LAS25KC - Exmark 60" Lazer Z AS Zero-Turn Mower, 25HP.

EXMARK LAZER Z PARTS MANUAL Pdf Download | ManualsLib Page 10 Nut, 5/8-11 regular ....8 633987 Wheel (52" Kaw, 60" & 72")..2 633441 Swivel, deck mount....4 633584 Bearing cup......4 805268 Washer, 5/8 std flat ....4 633587 Handle........1 Exmark red touch up spray paint - P/N 850337... Page 11 FRONT FRAME GROUP... Page 12: Main Frame Group

Exmark lazer z parts diagram

Exmark lazer z parts diagram

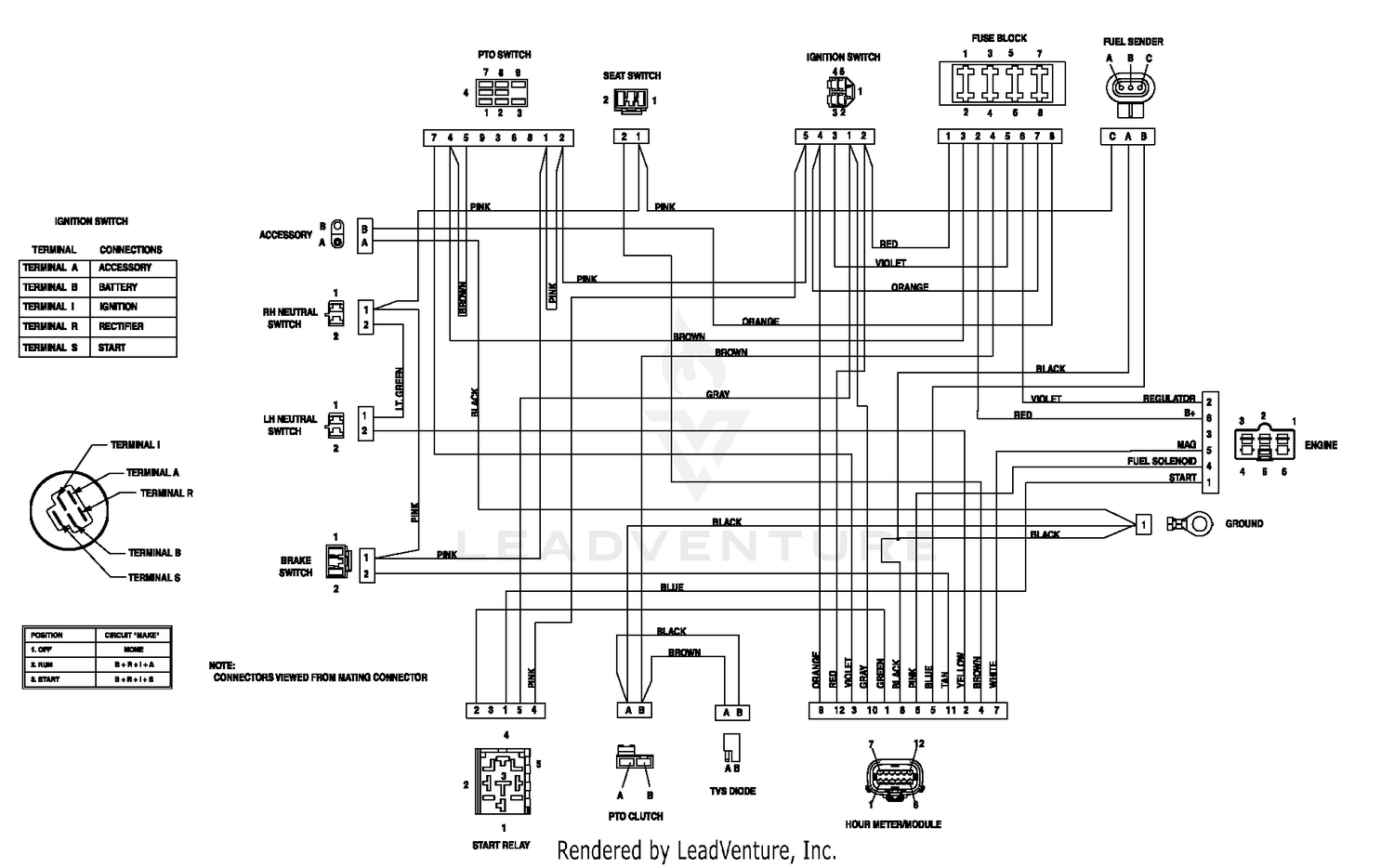
LZ31BV605 - Exmark 60" Lazer Z Zero-Turn Mower, 31HP ... Parts Lists & Diagrams 60" Lazer Z Zero-Turn Mower, 31HP Briggs & Stratton Recommended Parts Show LZ31BV605 - Exmark 60" Lazer Z Zero-Turn Mower, 31HP Briggs & Stratton (SN: 720000 - 789999) (2008) > Parts Diagrams (26) Hide Decal Group Deck Group Deck Group (cont.) Electrical Diagram - 27HP Kohler Electrical Diagram - 28HP Kawasaki Exmark LCT4818KC - Exmark 48" Lazer Z CT Zero-Turn Mower ... 48" Lazer Z CT Zero-Turn Mower, 18HP Kohler Deck Group 44", 48" And 52" Parts Diagram 1 Exmark Part# 3296-29 Nut, Nyloc 5/16-18 In Stock, Qty 20+ $ 2.12 Add to Cart 0 2 Exmark Part# 3256-3 Washer, 5/16 Std In Stock, Qty 12 $ 0.46 Add to Cart 0 3 Exmark Part# 103-2970-01 Shield, Belt In Stock, Qty 20+ $ 28.69 Add to Cart 0 4 Exmark Part# 32128-20 Exmark Lazer Z Ignition Switch Wiring Diagram Exmark Lazer Z key switch would turn engine over. Pull up the parts manual and look at the wiring diagrams, the yellow wire goes to the start. Displaying Electrical Group parts for the eXmark Lazer Z - Exmark Lazer Z Zero- Turn Mower (SN: ). Browse all parts by section for this model. Exmark Lawn Mower Ignition, Safety, PTO & Kill Switches.

Exmark lazer z parts diagram. eXmark Lazer Z Mower Parts - Shank's Lawn Exmark Lazer Z Parts We sell and ship Exmark Lazer Z Mower Parts! Genuine original parts for Exmark Lazer Z Mowers. SELECT WITHIN EXMARK : Please make a selection below. *919,999 and Below (2010 and Prior Models) *920,000-989,999 (2011 Models) 312,000,000 (2012 Models) Exmark Lazer Z S Series Parts - Mutton Power The Exmark Lazer Z S Series parts are online here with attached parts diagrams for your convenience. Parts including belts, gauge wheels, and more. ... John Deere 100 Parts. The Exmark Lazer Z S Series was produced starting in 2011 to present with a Kohler or a Kawasaki engine and is a lawn tractor the is equipped with zero turn caster front ... Exmark Lazer Z 26 Hp Wiring Diagram - schematron.org If you have any questions or concerns, contact the Exmark Customer Service department at or visit your local schematron.orgon: Ashland Avenue, Beatrice, NE, Exmark Lazer Z Electrical Schematic Displaying sections and components for the eXmark Lazer Z AC - Exmark Lazer Z Air Cooled Schematic 23,27,30 HP. Several of wiring diagram for exmark zero ... Exmark lazer z parts diagram" Keyword Found Websites ... Exmark lazer z parts diagram" Keyword Found Websites . Keyword-suggest-tool.com DA: 28 PA: 37 MOZ Rank: 91. Description : Electrical System 226V Grasshopper Mower Parts 2010.5- The Mower throughout Exmark Lazer Z Parts Diagram, image size 680 X 954 px, and to view image details please click the image; Here is a picture gallery about exmark lazer z parts diagram complete with the description of ...

Exmark Lazer Z Hp Drive Belt Diagram Exmark Lazer Z Hp Drive Belt Diagram 22.10.2018 7 Comments Exmark NAVIGATOR Manual Online: Pump Drive Belt Replacement, Belt Guide Adjustment. 1. Stop Engine, Wait See PTO Belt Replacement Section For Removal Instructions. 3. LAZER Z LZ27KC Pump Drive Belt Tension. Exmark Manuals - 2005 and Older | Exmark Use the features below to find Exmark operator and parts manuals. If you do not find what you are looking for or have questions, please contact customer service at 800.667.5296. Exmark Mower Original Parts - Service & Support | Exmark When you need a part for your Exmark, there's only one place to go - right to the source. Exmark designs, engineers, and tests our own superior OEM parts so they're guaranteed to work in perfect harmony with your machine. Quick Reference Parts Parts Look-Up The truth is, nobody knows your Exmark machine better than the people who developed it. Exmark Lazer Z Wiring Diagram exmark lazer z hp user manual • schematics, electrical diagram — kohler, ignition switch • exmark gardening equipment. wiringall.com - select exmark lz27kc - exmark 60 lazer z zero-turn mower, 27hp kohler (sn: ) () diagrams and order genuine .details about exmark lazer z hp wiring diagram has been uploaded by ella brouillard and tagged in this …

Exmark Lazer Z HP Mowers Parts Lookup by Model Parts lookup for Exmark power equipment is simpler than ever. Enter your model number in the search box above or just choose from the list below. How to FIND Your Exmark Model Number > Exmark Lazer Z Hp Mowers Parts Diagrams LHP19KA465 (SN 600,000-669,999) [2006] LHP19KA465 (SN 670,000-719,999) [2007] LHP19KA465 (SN 720,000-789,999) Exmark LZZ34KA726 Lazer Z AC S/N 790,000 & Up Parts ... Exmark LZZ34KA726 Lazer Z AC S/N 790,000 & Up Fuel Tank Group Parts Diagram. SWIPE SWIPE. 48" Deck Group. 52" Deck Group. 60" Deck Group. 72" Deck Group. Brake Handle Assembly - 117-0383. Exmark LZZ34KA726 Lazer Z AC S/N 790,000 & Up Parts ... Exmark LZZ34KA726 Lazer Z AC S/N 790,000 & Up Engine Group - 23-27HP Kohler Parts Diagram. SWIPE SWIPE. 48" Deck Group. 52" Deck Group. 60" Deck Group. Exmark Zero-Turn Mowers Lazer Z Parts with Diagrams ... Exmark Zero-Turn Mowers: Lazer Z Parts Lookup & Diagrams Exmark Zero-Turn Mowers: Lazer Z ( 749 Models ) LAS23KC524 - Exmark 52" Lazer Z AS Zero-Turn Mower, 23HP Kohler (SN: 600000 - 669999) (2006)

Lz23kc604 | Shop tercesa.com

Lz23kc604 | Shop tercesa.com

Exmark Lazer Z HP Parts - muttonpower.com The Exmark Lazer Z HP was in production from 2009 to the year 2010. Made with a 46", 50", and a 56" mower deck powered by a Kohler or a Kawasaki engine. 47 items 1 2 » 47 items Exmark 1/2 Lock Nut 3296-23 (3296-23) $0.99 Quick View Compare Exmark 1/2x8 Screw 325-42 (325-42) $10.88 Quick View Compare Exmark 3/4 Lock Nut 3296-51 (3296-51) $5.38

Lhp5223kc | Store www.cremascota.com

Lhp5223kc | Store www.cremascota.com

Exmark LZE751GKA524A2 - Exmark 52" Lazer Z E-Series Zero ... Idler Assembly diagram and repair parts lookup for Exmark LZE751GKA524A2 - Exmark 52" Lazer Z E-Series Zero-Turn Mower, Kawasaki FX (SN: 402082300 - 404314158) (2018)

Exmark Lazer Z 103 0656 Parts Manual ManualsLib Makes It Easy ...

Exmark Lazer Z 103 0656 Parts Manual ManualsLib Makes It Easy ...

Exmark Lazer Z CT Parts - Mutton Power Exmark Lazer Z CT Parts. The Exmark Lazer Z CT was made for the year 2009 and comes with a Briggs and Stratton, a Kohler or a Kawasaki engine with deck ranging from 48", 52", and 60" decks. 35 items. 27 48 72 96. Relevance Manufacturer A-Z Manufacturer Z-A Name A-Z Name Z-A Price Low To High Price High To Low.

Exmark LZX749EKC606 - Exmark 60

Exmark LZX749EKC606 - Exmark 60" Lazer Z X-Series Zero-Turn ...

Lazer Z E-Series - Commercial Grade Zero Turn Mowers | Exmark Created specifically for your 48-72" cutting deck Lazer Z, its electronic motor features Exmark's signature durability and a low-profile design that leaves plenty of trailer space. Air Ride Suspension Seat. Designed to fit all Lazer Z models, the new air ride seat gives you the best comfort available.

Exmark LZAS26LKA604 - Exmark 60

Exmark LZAS26LKA604 - Exmark 60" Lazer Z AS Zero-Turn Mower ...

Exmark Lawn Mower Service & Support | Exmark Use the features below to find Exmark operator and parts manuals. If you do not find what you are looking for or have questions, please contact customer service at 800.667.5296. Look Up Product Manuals Hydro drive life extension program After the engine, the most expensive components on virtually all mowers are the hydro drive units.

Exmark LZS801KA604SS S/N 312,000,000 & Up Parts Diagram for ...

Exmark LZS801KA604SS S/N 312,000,000 & Up Parts Diagram for ...

Exmark Lazer Z Belt Diagram Oregon Exmark Exmark Lazer Z 52", 60", 72" Deck Mowers Parts Diagram. SWIPE SWIPE Previous BELT EXMARK 5/8 X 60" DECK BELT OEM #. Fortunately, belt replacement is a project you can tackle on your own. Follow the steps for taking apart an Exmark Lazer Z, removing the belts, and installing new. EXMARK LAzER z 52", 60" & 72 DEcK MOWERS. OEP.

2003 Exmark Lazer Z HP 457hours « Zero Turn Mower

2003 Exmark Lazer Z HP 457hours « Zero Turn Mower

Amazon.com: exmark lazer z parts 1-16 of over 1,000 results for "exmark lazer z parts" RESULTS. Amazon's Choice for exmark lazer z parts. Parts 4 Outdoor 6 Deck Wheel Kit REPLACEMENTUSA Made Fits Exmark 103-3168 103-4051 1-603299. 4.6 out of 5 stars 258. $51.22 $ 51. 22. Get it as soon as Tue, Apr 19. FREE Shipping by Amazon.

Electrical System 226V Grasshopper Mower Parts 2010.5- The ...

Electrical System 226V Grasshopper Mower Parts 2010.5- The ...

Exmark Lazer Z XS Parts - Mutton Power Exmark Lazer Z XS Parts. The Exmark Lazer Z XS was built with either a Briggs and Stratton, a Kubota Diesel, or a liquid cooled Kawasaki engine. This mower comes equipped with a 60", 66", or a 72" Mowing Deck and was in productions between 2009 and 2010.. 32 items.

Exmark LZZ34KA726 Lazer Z AC S/N 790,000 & Up Parts Diagram ...

Exmark LZZ34KA726 Lazer Z AC S/N 790,000 & Up Parts Diagram ...

Exmark Lazer Z Wiring Diagram - schematron.org Exmark Lazer Z HP User Manual • Schematics, Electrical diagram — kohler, Ignition switch • Exmark Gardening equipment. Discover best Exmark Lazer Z images and ideas on Bing. images and ideas about Ignition Switch Wiring Diagram, Electrical Schematic, Engine Wiring Harness.

Lhp4818kc | Online tercesa.com

Lhp4818kc | Online tercesa.com

Exmark Lazer Z Ignition Switch Wiring Diagram Exmark Lazer Z key switch would turn engine over. Pull up the parts manual and look at the wiring diagrams, the yellow wire goes to the start. Displaying Electrical Group parts for the eXmark Lazer Z - Exmark Lazer Z Zero- Turn Mower (SN: ). Browse all parts by section for this model. Exmark Lawn Mower Ignition, Safety, PTO & Kill Switches.

Exmark LZE730GKA604A3 - Exmark 60

Exmark LZE730GKA604A3 - Exmark 60" Lazer Z E-Series Zero-Turn ...

Exmark LCT4818KC - Exmark 48" Lazer Z CT Zero-Turn Mower ... 48" Lazer Z CT Zero-Turn Mower, 18HP Kohler Deck Group 44", 48" And 52" Parts Diagram 1 Exmark Part# 3296-29 Nut, Nyloc 5/16-18 In Stock, Qty 20+ $ 2.12 Add to Cart 0 2 Exmark Part# 3256-3 Washer, 5/16 Std In Stock, Qty 12 $ 0.46 Add to Cart 0 3 Exmark Part# 103-2970-01 Shield, Belt In Stock, Qty 20+ $ 28.69 Add to Cart 0 4 Exmark Part# 32128-20

Exmark LHP19KA465 - Exmark 46

Exmark LHP19KA465 - Exmark 46" Lazer Z HP Zero-Turn Mower ...

LZ31BV605 - Exmark 60" Lazer Z Zero-Turn Mower, 31HP ... Parts Lists & Diagrams 60" Lazer Z Zero-Turn Mower, 31HP Briggs & Stratton Recommended Parts Show LZ31BV605 - Exmark 60" Lazer Z Zero-Turn Mower, 31HP Briggs & Stratton (SN: 720000 - 789999) (2008) > Parts Diagrams (26) Hide Decal Group Deck Group Deck Group (cont.) Electrical Diagram - 27HP Kohler Electrical Diagram - 28HP Kawasaki

Exmark Lazer Z AS S/N 850,000-919,999 60

Exmark Lazer Z AS S/N 850,000-919,999 60" Deck Group

EXMARK LAzER z 52

EXMARK LAzER z 52", 60" & 72 DEcK MOWERS Illustrated Parts Lists

eXmark Lazer Z HP Operators Manual & Part List Diagrams Schematics  LHP19KA505 | eBay

eXmark Lazer Z HP Operators Manual & Part List Diagrams Schematics LHP19KA505 | eBay

Exmark LAZER Z HP Operator's Manual | Manualzz

Exmark LAZER Z HP Operator's Manual | Manualzz

Exmark Next Lazer Z Air Cooled S/N 850,000 & Up LZZ23KC486 S ...

Exmark Next Lazer Z Air Cooled S/N 850,000 & Up LZZ23KC486 S ...

EXMARK LAZER Z PARTS MANUAL Pdf Download | ManualsLib

EXMARK LAZER Z PARTS MANUAL Pdf Download | ManualsLib

EXMARK LAZER Z ADVANTAGE SERIES PARTS MANUAL Pdf Download ...

EXMARK LAZER Z ADVANTAGE SERIES PARTS MANUAL Pdf Download ...

Exmark Lazer Z HP S/N 320,000-369,999 LHP4417KA S/N 320,000 ...

Exmark Lazer Z HP S/N 320,000-369,999 LHP4417KA S/N 320,000 ...

EXMARK LAZER Z HP 465 OPERATOR'S MANUAL Pdf Download | ManualsLib

EXMARK LAZER Z HP 465 OPERATOR'S MANUAL Pdf Download | ManualsLib

Exmark Lazer Z AS S/N 850,000-919,999 Electrical Diagram

Exmark Lazer Z AS S/N 850,000-919,999 Electrical Diagram

eXmark Parts | Buy Online & Save

eXmark Parts | Buy Online & Save

Lz25kc603 | Store www.cremascota.com

Lz25kc603 | Store www.cremascota.com

Exmark LAS28KA724 - Exmark 72

Exmark LAS28KA724 - Exmark 72" Lazer Z AS Zero-Turn Mower ...

Exmark LZ23KC604 S/N 320,000-369,999 (2002) Parts Diagram for ...

Exmark LZ23KC604 S/N 320,000-369,999 (2002) Parts Diagram for ...

John Deere, Toro, Exmark Parts and Sales | Fort Wayne

John Deere, Toro, Exmark Parts and Sales | Fort Wayne

Lzs749akc604a1 | Online www.cremascota.com

Lzs749akc604a1 | Online www.cremascota.com

Lzs749akc72400 | Store www.kilianjornetfoundation.org

Lzs749akc72400 | Store www.kilianjornetfoundation.org

Exmark LZZ34KA726 Lazer Z AC S/N 790,000 & Up Parts Diagram ...

Exmark LZZ34KA726 Lazer Z AC S/N 790,000 & Up Parts Diagram ...

Exmark 1-653438-SL Blower Deck Belt Lazer Z HP XS Twin Ultra Vac Bagger  1-653438

Exmark 1-653438-SL Blower Deck Belt Lazer Z HP XS Twin Ultra Vac Bagger 1-653438

Exmark LZX921GKA726C1 - Exmark 72

Exmark LZX921GKA726C1 - Exmark 72" Lazer Z X-Series Zero-Turn ...

Exmark Lazer Z HP 465, Lazer Z HP 505, Lazer Z HP 565 Parts ...

Exmark Lazer Z HP 465, Lazer Z HP 505, Lazer Z HP 565 Parts ...

Exmark Lazer Z X-Series

Exmark Lazer Z X-Series

Exmark LZZ34KA726 Lazer Z AC S/N 790,000 & Up Parts Diagram ...

Exmark LZZ34KA726 Lazer Z AC S/N 790,000 & Up Parts Diagram ...

Adjustments, Deck leveling, Maintenance | Exmark lazer Z E ...

Adjustments, Deck leveling, Maintenance | Exmark lazer Z E ...

eXmark Lazer Z Advantage Series LZAS25KC604 790000+ and Schematics  LAS25KC604 | eBay

eXmark Lazer Z Advantage Series LZAS25KC604 790000+ and Schematics LAS25KC604 | eBay

eXmark Lazer Z CT S/N 540,000-599,999, LCT4818BV S/N 540,000 ...

eXmark Lazer Z CT S/N 540,000-599,999, LCT4818BV S/N 540,000 ...

www.mymowerparts.com For Exmark Mower Parts Call 606-678-9623 ...

www.mymowerparts.com For Exmark Mower Parts Call 606-678-9623 ...

Exmark LAZER Z HP User Manual - Page 1 of 56 | Manualsbrain.com

Exmark LAZER Z HP User Manual - Page 1 of 56 | Manualsbrain.com

Lz27lka724 | Outlet tercesa.com

Lz27lka724 | Outlet tercesa.com

0 Response to "41 exmark lazer z parts diagram"

Post a Comment

Iklan Atas Artikel

Iklan Tengah Artikel 1

Iklan Tengah Artikel 2

Iklan Bawah Artikel