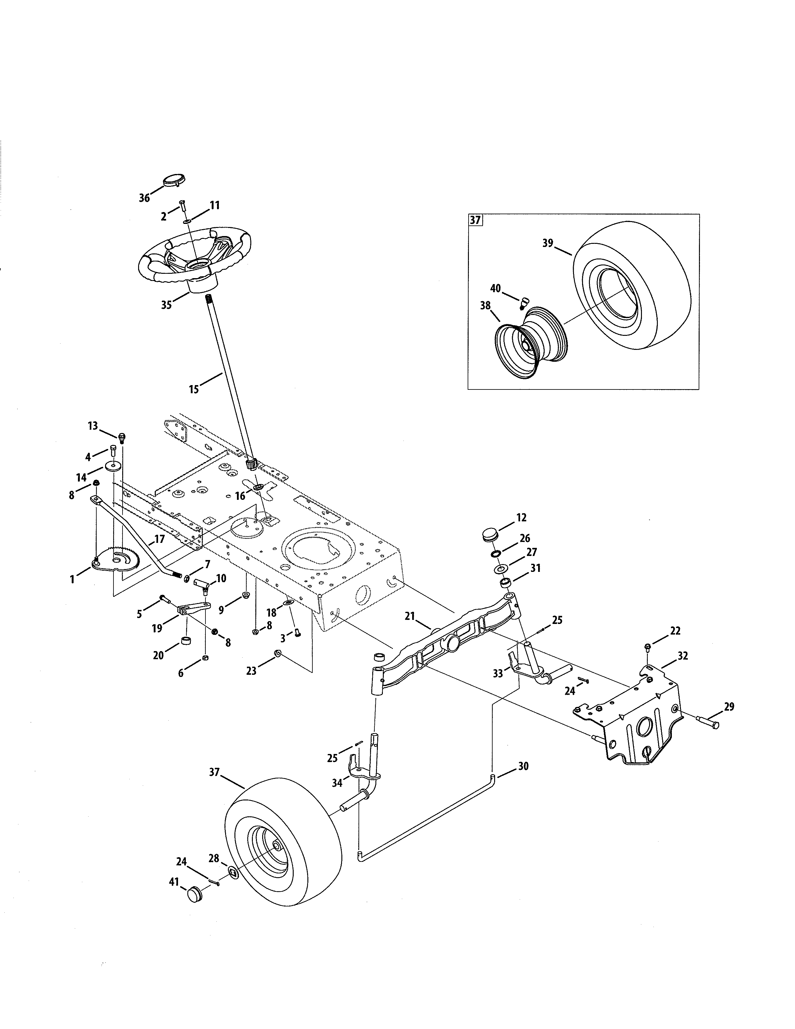
38 mtd lawn tractor parts diagram
OEM MTD Lawn Tractor Parts [13A1762F029] | Repair Videos ... Shop for MTD Lawn Tractor 13A1762F029 repair parts today! Find parts by name, location or by symptoms like drive system does not work & excess vibration. Mtd Lt 12.5 38 Wiring Diagram - schematron.org Mtd Lt 12.5 38 Wiring Diagram 13.11.2018 5 Comments MTD MTD LT /38 Mdl F/SWC# Parts Diagrams Electrical, Single Cylinder KIT DECK ASM 38 No Longer Available. Wiring Harness Schematic. . Harness, LT-5, NRMC,Dual. 7. Page 8. 1 Style Hood. B. 1. A. A.
Riding Lawn Mower Parts | MTD Parts Genuine MTD lawn tractor parts can help you maintain your outdoor power equipment long-term. Find riding lawn mower blades, belts, cables and more to repair your unit as needed. 908 Results Sort By: Riding Mower 42-inch Deck Belt 954-04060C $43.99 Add to Cart In Stock Deck Engagement Cable 946-04173E $48.66 Add to Cart In Stock
Mtd lawn tractor parts diagram
MTD Gold 42" 20 HP Riding Lawn Tractor - MTD Parts MTD Gold 42" 20 HP Riding Lawn Tractor. Model: 13AX795S504. 20 HP Kohler Single Engine. Twin blade 42 in cutting deck with staggered side discharge. Durable hydrostatic transmission allows for proper speed selection. Mid-back seat for comfortable operation. 3-Year Limited Warranty. 20 HP Kohler Single Engine. Twin blade 42 in cutting deck with ... Free MTD Lawn Mower User Manuals | ManualsOnline.com MTD Lawn Mower 105 thru 108 Series, 130 thru 148 Series, 730 thru 738 Series. MTD Mulching Rotary Mower Owner's Guide. Pages: 12. Spares and Parts for MTD Lawn tractors - Power Tool Spares MTD Lawn tractors Spares and Parts. Select the relevant item from the list below: BACK. Select the relevant item from the list below: MTD (1988/1989) 139-558-611 Spares and Parts. MTD (1991) 131-686F611 Spares and Parts. MTD (1996) 13-304P / 136C450D611 Spares and Parts.
Mtd lawn tractor parts diagram. Bolens Lawn Mower Parts Diagram Model 13am762f765 MTD 13AMF () Exploded View parts lookup by model. Complete exploded views of all the major manufacturers. It is EASY and FREE. schematron.org - Select MTD 13AMF - Bolens Lawn Tractor () Diagrams and order Genuine MTD Mowers: lawn & garden tractor Parts. Easy Ordering, Fast Shipping and Great Service! MTD Tractor Service/Repair Manuals - Tradebit MTD White Outdoor 700 Series Lawn Tractor 2010-2012 Factory Service and Repair Workshop Manual Instant Download. MTD Cub Cadet 1000 1500 series tractor service manual. MTD 700 SERIES 42 INCH RIDING MOWER TRACTOR 2010-2013 SERVICE REPAIR MANUAL. MTD Cub cadet 2000 series tractor service manual. MTD 700 Series Lawn Workshop Service Repair Manual. Mtd Variable Speed Pulley Diagram MTD LT-5 Manual Online: Variable Speed Pulley Removal, Variable Speed Idler Bracket Removal. Remove The Cutting Deck. Using A Spring Puller Or. Displaying Variable Drive parts for the MTD 13A - Yard-Man Lawn Tractor MTD C (replaces ) Variable Speed Pulley Assembly. diagramweb.net: MTD B Variable Speed Pulley Assembly: Garden & Outdoor. Shop Bolens Parts | MTD Parts Find all the genuine replacement parts for Bolens on our Parts Diagram. We carry everything for your machine and the Parts Diagram helps visualize every component found in your equipment. Give it a try and if you can't find what you are looking for or need assistance installing the new part, call 1-800-269-6215 today. Quick Search: Model Part
Yardman Riding Lawn Mower Wiring Diagram Mtd Lawn Tractor Wiring Diagram Fresh 42 Yardman Riding Lawn Mower Wiring Diagram 42 Get Free. Mtd Lawn Tractor Wiring Diagram Lovely Mtd Tractor On. yardman riding lawn tractor i am looking for a wiring diragram for the engine starter switch to starter and coil pack wiring Here is a search for diagram. MTD - Used Lawn Tractor Parts Used MTD lawn tractor parts for sale. Showing 1-12 of 29 results. MTD Yard Machines Gas Fuel Tank 751-0555B_751-0603 $ 22.00 Add to cart; MTD Yard Machines Muffler Shield 783-0615B $ 26.00 Add to cart; MTD Yard Machines Deck Rod 747-04018_947-04018A $ 12.00 Add to cart; MTD Yard Machines Steering Wheel 631-04028 ... MTD 13AQA1ZQ093 front-engine lawn tractor parts | Sears ... MTD 13AQA1ZQ093 front-engine lawn tractor parts - manufacturer-approved parts for a proper fit every time! We also have installation guides, diagrams and manuals to help you along the way! MTD 134L667F118 (1994) Parts Diagram for Deck Assembly MTD 134L667F118 (1994) Deck Assembly Exploded View parts lookup by model. ... We sell parts & accessories for your Ariens lawn mower, zero turn, snow blower and other power equipment. See: Ariens exploded parts diagrams. We sell parts & accessories for your Briggs & Stratton equipment. We also carry New Briggs & Stratton Engines!
MTD 136C471F190 Lawn Tractor L-12 (1996) Parts Diagram for ... MTD 136C471F190 Lawn Tractor L-12 (1996) Switches And Lights Wiring Diagram Parts Diagram SWIPE SWIPE Deck And Blades Deck Assembly Differential And Housing Frame, Pulley, Transaxle And Engine Seat, Battery And Gas Tank Steering Assembly Switches And Lights Wiring Diagram 136C471F190 Lawn Tractor L-12 (1996) Switches And Lights Wiring Diagram Move MTD 13-Lawn Tractors Parts Lookup by Model MTD 13-Lawn Tractors Parts Lookup by Model Please leave us a message! JACKS SMALL ENGINES HAS JOINED THE NORTHERN TOOL FAMILY! Learn More » Order Status Get Support (open) 1-877-737-2787 Hours of Operation M-F 9AM-6PM ET Sat 9AM-5PM ET Sun 11AM-5PM ET Contact Us » Name Guest Sign In Sign Up 0 Shopping Cart 3+ Million Parts 365 Day Returns Spares and Parts for MTD Lawn tractors - Power Tool Spares MTD Lawn tractors Spares and Parts. Select the relevant item from the list below: BACK. Select the relevant item from the list below: MTD (1988/1989) 139-558-611 Spares and Parts. MTD (1991) 131-686F611 Spares and Parts. MTD (1996) 13-304P / 136C450D611 Spares and Parts. Free MTD Lawn Mower User Manuals | ManualsOnline.com MTD Lawn Mower 105 thru 108 Series, 130 thru 148 Series, 730 thru 738 Series. MTD Mulching Rotary Mower Owner's Guide. Pages: 12.
MTD Gold 42" 20 HP Riding Lawn Tractor - MTD Parts MTD Gold 42" 20 HP Riding Lawn Tractor. Model: 13AX795S504. 20 HP Kohler Single Engine. Twin blade 42 in cutting deck with staggered side discharge. Durable hydrostatic transmission allows for proper speed selection. Mid-back seat for comfortable operation. 3-Year Limited Warranty. 20 HP Kohler Single Engine. Twin blade 42 in cutting deck with ...
0 Response to "38 mtd lawn tractor parts diagram"
Post a Comment