Iklan 300x250

42 exmark lazer z wiring diagram

Exmark Lazer Z инструкция обслуживания - BKManuals Следовательно в инструкции Exmark Lazer Z можно найти описание этапов поведения. - 15 - 3.8.8 Route the long, unattached wiring harness lead up the left hand side of the handle and connect the two leads, in any order, to the operator presence Страница 39. - 34 - 8. wiring diagrams[...] Electrical help with Exmark Lazer Z - DoItYourself.com Community... I'm working on an exmark lazer z with 25 hp Kohler engine. Everytime you turn the key to start it, it blows the fuse. I have done everything from replacing all the safety switches, I put a whole new wiring harness in it, and have cleaned all the...

Exmark Lazer Z 60 | My Tractor Forum Exmark Lazer Z 60. Jump to Latest Follow. My neighbor has a Lazer Z and has a big grin every time he mows.:sidelaugh I have never seen a mower cut so fast and do a good job at the same time.

Exmark lazer z wiring diagram

Exmark lazer z wiring diagram

Exmark Lazer Z Wiring Diagram | autocardesign Exmark Lazer Z Wiring Diagram- wiring diagram is a simplified tolerable pictorial representation of an electrical circuit. It shows the components of the circuit as simplified shapes, and the capability and signal links between the devices. A wiring diagram usually gives recommendation approximately the... View and Download Exmark Lazer Z instruction manual online. Exmark reserves the right to make changes or add improvements to its products at any time without incurring any obligation to make such changes to products manufactured previously. Exmark, or its distributors and dealers, accept no responsibility for variations which may be evident in the actual... I need belt diagram for ExMark Lazer Z ct Zero turn mower, - Fixya SOURCE: 44" Exmark lazer z pto/blade problem. My problem is that I don't know what your problem is exactly. Posted on May 06, 2012. To find belt diagram, Look for a diagram sticker underneath the driver side foot rest. (faces the ground). Goodluck people. Posted on Jun 13, 2013.

Exmark lazer z wiring diagram. Exmark Manuals - 2005 and Older | Exmark The Exmark Quest is a great fit for homeowners looking to cut their lawns faster and easier. When you think about what your time is worth, it's easy to see the value of more Exmark Radius X-Series delivers the cut quality and durability professionals demand with a host of new features and innovations. Exmark Lazer Z Belt Diagram - Wiring Diagram Source Exmark 48 Belt Diagram Best Wiring Library. Exmark Wiring Schematic Free Wiring Diagram For You. Exmark Lzs27kc524ca Exmark 52 Lazer Z S Series Zero Turn Mower. Exmark Lazer Z Maintenance Tips Part 4 Youtube. Exmark Lazer Z инструкция - Скачать инструкцию обслуживания... ... Exmark Lazer Z - page 2. i ! W arn I n g ! WA R N I N G . . . ! CAUTION The engine ex haust from this produ ct contains chemicals k nown to the Exmark Lazer Z - page 4. iii CONGRATULATIONS on the purchase of your Exmark Mower. This product has been carefully designed and manufactured to... Exmark Zero-Turn Mowers Lazer Z Parts with Diagrams - PartsTree LAS28KA724 - Exmark 72" Lazer Z AS Zero-Turn Mower, 28HP Kawasaki (SN: 670000 - 719999) (2007). Next 10. This model has more than one variation.

Toro Z-Master/Exmark Lazer Z LED Spotlights - YouTube Here is a quick run down of the spotlights I installed on the Z-Master. These lights would work on most machines. This system requires 3 Amps of power. Exmark Lazer Z Belt Diagram - Free Wiring Diagram Exmark mower part diagram 48 belt wiring hub lazer z get free image about oem spec replacement belt for exmark 706087 1 633127 lazer z 60 exmark pioneer s series mower overview shank lawn blog 48 inch parts belt diagram exmark drive belt diagram beautiful encore zero turn basic guide wiring of. Exmark Lazer Z 26 Hp Wiring Diagram Exmark lazer z mower wiring diagrams. Air-cooled models (56 pages) Page Wiring.Solenoid wiring help on older Exmark Lazer HP | LawnSiteEXMARK LAZER Z OPERATOR'S MANUAL Pdf Download. Exmark LAZER Z Manuals (LAZER Z Lawn and...) | GuidesLIB.com Exmark LAZER Z Operator's Manual. PDF File Information Exmark LAZER Z Lawn Mower User Manual. GB_240334_exmark/lazer-z.pdf.

Exmark LAZER Z User Manuals PDF Download | Guidessimo.com ℹ Download Exmark LAZER Z Manuals (Total Manuals: 16) for free in PDF. Find more compatible user manuals for LAZER Z Lawn and Garden Equipment, Lawn Mower device. 16 User Guides and Instruction Manuals found for Exmark LAZER Z. Exmark LAZER Z Lawn Mower Parts manual | OnlineFreeGuides.com The Asus Exmark LAZER Z document found is checked and safe for using. Download for free or view this Exmark LAZER Z Parts Manual online on OnlineFreeGuides.com. View online or download PDF Parts manual for Exmark Lawn Mower LAZER Z for Free. exmark lazer z diagram - Bing Exmark Lazer Z Wiring Diagram - wiring diagram is a simplified tolerable pictorial representation of an electrical circuit. Exmark Lazer Z key switch would turn engine over. Pull up the parts manual and look at the wiring diagrams, the yellow wire goes to the start. Wiring Diagrams - Exmark Lazer Z Operator's Manual... | ManualsLib Also See for Exmark Lazer Z. Exmark Lazer Z Operator's Manual 80 pages. Exmark Turf Tracer TT20KCC. Turf Tracer HP 4500-359 Wiring Diagrams.

Ignition Switch 430 120 Compatible with Exmark Lazer Z ...

Ignition Switch 430 120 Compatible with Exmark Lazer Z ...

Exmark Lazer Z manuals View lawn mower Exmark Lazer Z Manual online or download in pfd format. When we buy new device such as Exmark Lazer Z we often through away most of the documentation but the warranty. Very often issues with Exmark Lazer Z begin only after the warranty period ends and you may want...

Exmark Lazer Z XS Diesel S/N 670,000 & Up LXS25KD605 S/N ...

Exmark Lazer Z XS Diesel S/N 670,000 & Up LXS25KD605 S/N ...

Exmark lazer z s-series 0 User Manual - Page 1 of... | Manualsbrain.com LAZER Z. ®. S-SERIES. For Serial Nos. Page 6Safety • Inspect the area where the equipment is to be DANGER used and remove all rocks, toys, sticks, wires Page 56Schematics Hydraulic Diagram 56. Page 57 Exmark Lazer Z X-Series, Lazer Z S-Series, and Vantage Turf Equipment 3...

Exmark LZ26KC604 S/N 260,000-319,999 (2001) Parts Diagram for ...

Exmark LZ26KC604 S/N 260,000-319,999 (2001) Parts Diagram for ...

Exmark LAZER Z Lawn and Garden Equipment... | Bankofmanuals.com Download Exmark Lawn and Garden Equipment LAZER Z free PDF Operator's Manual, and get more Exmark LAZER Z manuals on Bankofmanuals.com. This manual for Exmark LAZER Z, given in the PDF format, is available for free online viewing and download without logging on.

Exmark Lazer Z HP S/N 160,000-169,999 LHP4417KA S/N 150,000 ...

Exmark Lazer Z HP S/N 160,000-169,999 LHP4417KA S/N 150,000 ...

Exmark Lazer Z Wiring Schematic - Free Wiring Diagram Assortment of exmark lazer z wiring schematic. A wiring diagram is a streamlined conventional photographic representation of an electric circuit. It shows the elements of the circuit as simplified shapes, as well as the power and signal links between the devices.

Page 47 of Exmark Lawn Mower Lazer Z XS User Guide ...

Page 47 of Exmark Lawn Mower Lazer Z XS User Guide ...

Инструкция обслуживания Exmark Lazer Z Косилка Официальный документ инструкции продукта Exmark Lazer Z предоставленный производителем Exmark. - 15 - 3.8.8 Route the long, unattached wiring harness lead up the left hand side of the handle and connect the two leads, in any order, to the Страница 39. - 34 - 8. wiring diagrams.

EXMARK LAZER Z OPERATOR'S MANUAL Pdf Download | ManualsLib

EXMARK LAZER Z OPERATOR'S MANUAL Pdf Download | ManualsLib

Exmark Lazer Z Belt Diagram - Wiring Site Resource The belt came off of the deck 52 inch deck and there is no manual or diagram on the deck to show how it is threaded back on. Exmark lazer z...

Exmark LAZER ZTM User's Manual | Manualzz

Exmark LAZER ZTM User's Manual | Manualzz

34 Exmark Lazer Z Wiring Diagram - Wiring Diagram Database Exmark lazer z mower wiring diagrams books can be found on the web in a variety of shop the worlds largest selection of exmark lazer z mower belt diagram. Details about exmark lazer z hp wiring diagram has been uploaded by ella brouillard and tagged in this category.

Exmark Lazer Z AS S/N 790,000-849,999 LZAS20BV484 S/N 790,000 ...

Exmark Lazer Z AS S/N 790,000-849,999 LZAS20BV484 S/N 790,000 ...

PDF Exmark Lazer Z Service Manual eXmark Lazer HP Parts - Shank's Lawn Equipment eXmark Lazer Z X Series Parts; eXmark Phazer our Parts Assistance service. of Genuine OEM replacement parts to keep your eXmark Exmark Lazer Z - Sluggish performance -Hello everyone, I hope this is the right place to post this thread.

Exmark Zero Turn Mowers Drive Pump Belt Idler - Fits Lazer Z Model - See  Diagram

Exmark Zero Turn Mowers Drive Pump Belt Idler - Fits Lazer Z Model - See Diagram

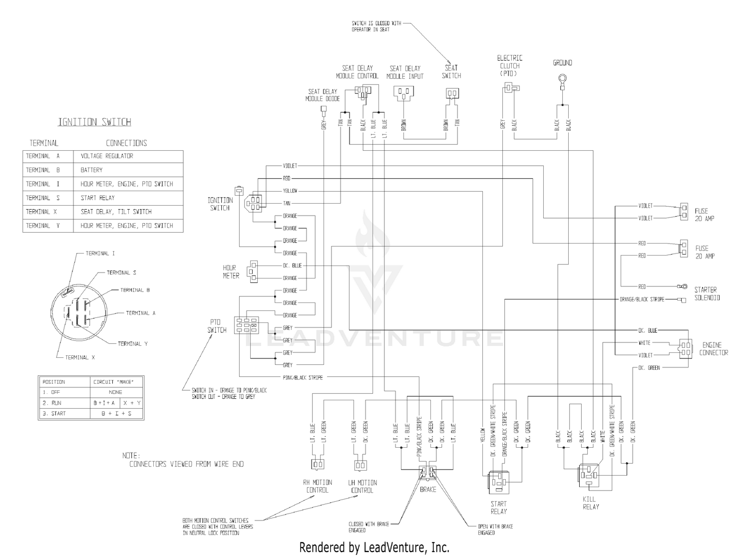
Schematics, Electrical diagram — kohler, Ignition switch | Exmark... Schematics. Electrical Diagram — Kohler. Violet. Dk green. Om. Wire end. Terminal. Connections. Lazer Z HP 465. Popular Brands.

EXMARK LASER Z OPERATOR'S MANUAL Pdf Download | ManualsLib

EXMARK LASER Z OPERATOR'S MANUAL Pdf Download | ManualsLib

Exmark Lazer Z Wiring Diagram Collection Exmark Lazer Z Wiring Diagram from ww2.justanswer.com. Effectively read a wiring diagram, one provides to know how the components in the system operate. For example , when a module will be powered up and it sends out a signal of fifty percent the voltage and the technician would not know...

kohler 26 and 28 efi problems | Page 2 | LawnSite™ is the ...

kohler 26 and 28 efi problems | Page 2 | LawnSite™ is the ...

Exmark Lazer Z CT Operator's Manual | Manualzz View online (52 pages) or download PDF (1 MB) Exmark Lazer Z CT User manual • Lazer Z CT lawnmowers PDF manual download and more Exmark online manuals. Remove spark plug wire(s) or remove key before adjusting, servicing, or performing maintenance. 7. ELECTRICAL DIAGRAM.

Exmark Lazer Z AS S/N 600,000-669,999 LAS23KC524 S/N 600,000 ...

Exmark Lazer Z AS S/N 600,000-669,999 LAS23KC524 S/N 600,000 ...

I need belt diagram for ExMark Lazer Z ct Zero turn mower, - Fixya SOURCE: 44" Exmark lazer z pto/blade problem. My problem is that I don't know what your problem is exactly. Posted on May 06, 2012. To find belt diagram, Look for a diagram sticker underneath the driver side foot rest. (faces the ground). Goodluck people. Posted on Jun 13, 2013.

Exmark LZ27KC604 User's Manual | Manualzz

Exmark LZ27KC604 User's Manual | Manualzz

View and Download Exmark Lazer Z instruction manual online. Exmark reserves the right to make changes or add improvements to its products at any time without incurring any obligation to make such changes to products manufactured previously. Exmark, or its distributors and dealers, accept no responsibility for variations which may be evident in the actual...

Exmark LZ23KC604 - Exmark 60

Exmark LZ23KC604 - Exmark 60" Lazer Z Zero-Turn Mower, 23HP ...

Exmark Lazer Z Wiring Diagram | autocardesign Exmark Lazer Z Wiring Diagram- wiring diagram is a simplified tolerable pictorial representation of an electrical circuit. It shows the components of the circuit as simplified shapes, and the capability and signal links between the devices. A wiring diagram usually gives recommendation approximately the...

eXmark Lazer Z XS S/N 540,000-599,999, LZ31BV604 S/N 540,000 ...

eXmark Lazer Z XS S/N 540,000-599,999, LZ31BV604 S/N 540,000 ...

Electrical System 226V Grasshopper Mower Parts 2010.5- The ...

Electrical System 226V Grasshopper Mower Parts 2010.5- The ...

EXMARK LAZER Z OWNERS MANUAL OLDER MODEL WIRING DIAGRAM DECK PARTS | eBay

EXMARK LAZER Z OWNERS MANUAL OLDER MODEL WIRING DIAGRAM DECK PARTS | eBay

I am rewireing a 26 hp Kawasaki on a exmark mower, can you ...

I am rewireing a 26 hp Kawasaki on a exmark mower, can you ...

eXmark Lazer Z XS Air Cooled S/N 510,000-599,999, LZ31BV724 S ...

eXmark Lazer Z XS Air Cooled S/N 510,000-599,999, LZ31BV724 S ...

Simplicity 5901879 Wiring Diagram | Manualzz

Simplicity 5901879 Wiring Diagram | Manualzz

Exmark 103-6319 Check Service Decal Lazer Z AC as LC for sale ...

Exmark 103-6319 Check Service Decal Lazer Z AC as LC for sale ...

Exmark LZ23KC604 - Exmark 60

Exmark LZ23KC604 - Exmark 60" Lazer Z Zero-Turn Mower, 23HP ...

SureFit PTO Switch Replacement for Exmark 103-5221 LazerZ AC AS HP XS  LAS25KC604 LHP20KC505 LXS29LKA665 LXS29LKA725

SureFit PTO Switch Replacement for Exmark 103-5221 LazerZ AC AS HP XS LAS25KC604 LHP20KC505 LXS29LKA665 LXS29LKA725

Buy Rareelectrical NEW PTO CLUTCH COMPATIBLE WITH EXMARK ...

Buy Rareelectrical NEW PTO CLUTCH COMPATIBLE WITH EXMARK ...

Exmark LZ27DD604 - Exmark 60

Exmark LZ27DD604 - Exmark 60" Lazer Z XP Zero-Turn Mower ...

eXmark Lazer Z XP S/N 260,000-319,999, LZ27DD724 S/N 260,000 ...

eXmark Lazer Z XP S/N 260,000-319,999, LZ27DD724 S/N 260,000 ...

The Mower Shop, Inc.- Grasshopper Lawn Mower Parts Diagrams

The Mower Shop, Inc.- Grasshopper Lawn Mower Parts Diagrams

Drive Lever Switch LOCATION on Exmark Lazer Z HP | LawnSite ...

Drive Lever Switch LOCATION on Exmark Lazer Z HP | LawnSite ...

Schematics, Electrical diagram | Exmark lazer Z E-Series 312 ...

Schematics, Electrical diagram | Exmark lazer Z E-Series 312 ...

Exmark Lazer Z Lawn Mower Lhp4820Kc Users Manual 4500 567

Exmark Lazer Z Lawn Mower Lhp4820Kc Users Manual 4500 567

2019 125 Wiring Assembly - Grasshopper Mower Parts ...

2019 125 Wiring Assembly - Grasshopper Mower Parts ...

Exmark Lazer Z AC S/N 510,000-599,999 LZ23KC604 S/N 510,000 ...

Exmark Lazer Z AC S/N 510,000-599,999 LZ23KC604 S/N 510,000 ...

Exmark LAS28KA604 - Exmark 60

Exmark LAS28KA604 - Exmark 60" Lazer Z AS Zero-Turn Mower ...

Exmark Lazer Z AS S/N 850,000-919,999 Electrical Diagram

Exmark Lazer Z AS S/N 850,000-919,999 Electrical Diagram

Untitled Document

Untitled Document

Exmark 72

Exmark 72" Deck Spindle Assembly No. 644092 | Exmark Spindle ...

EXMARK LAZER Z Owners Manual Older Model Wiring Diagram Deck ...

EXMARK LAZER Z Owners Manual Older Model Wiring Diagram Deck ...

HD Switch Replacement Starter Ignition Wire Harness for Toro Exmark Lazer Z  & Many More - Made in The USA

HD Switch Replacement Starter Ignition Wire Harness for Toro Exmark Lazer Z & Many More - Made in The USA

Exmark LAZER Z HP 103 9172 User Manual To The 9a02d47a 8a63 ...

Exmark LAZER Z HP 103 9172 User Manual To The 9a02d47a 8a63 ...

EXMARK LAZER Z OWNERS MANUAL OLDER MODEL SER#440,000 WIRING DIAGRAM DECK  PARTS | eBay

EXMARK LAZER Z OWNERS MANUAL OLDER MODEL SER#440,000 WIRING DIAGRAM DECK PARTS | eBay

Exmark Lazer Z X Series Commercial Mowers 0 Users Manual

Exmark Lazer Z X Series Commercial Mowers 0 Users Manual

Exmark Lazer Z AS S/N 790,000-849,999 LZAS20BV484 S/N 790,000 ...

Exmark Lazer Z AS S/N 790,000-849,999 LZAS20BV484 S/N 790,000 ...

0 Response to "42 exmark lazer z wiring diagram"

Post a Comment

Iklan Atas Artikel

Iklan Tengah Artikel 1

Iklan Tengah Artikel 2

Iklan Bawah Artikel