Iklan 300x250

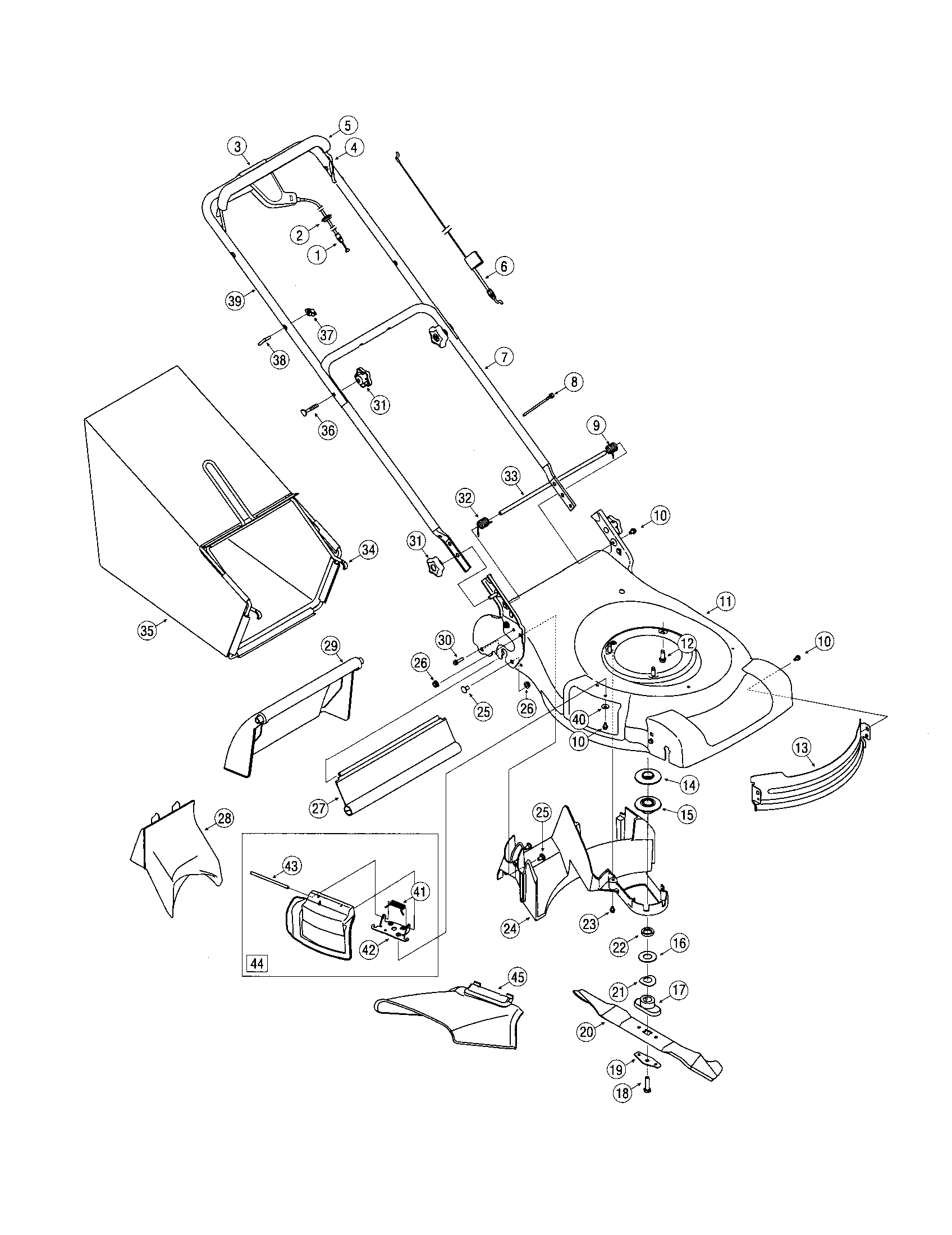
38 troy bilt 21 self propelled mower parts diagram

Troy-Bilt Walk-Behind Mowers Parts with Diagrams - PartsTree Troy-Bilt Walk-Behind Mowers parts with OEM Troy-Bilt parts diagrams to find Troy-Bilt Walk-Behind Mowers repair parts quickly and easily. ... 11301 - Troy-Bilt Vacu-Cut 21" Walk-Behind Mower (SN: 0100101 & Above) 11307 - Troy-Bilt Trailblazer IV Sicklebar Mower (SN: P105741 - P118205) ... 34022 - Troy-Bilt 21" Mulching Walk-Behind Mower Parts ... 34022 - Troy-Bilt 21" Mulching Walk-Behind Mower. Parts Lists & Diagrams. 21" Mulching Walk-Behind Mower.

MTD Parts | The leader in outdoor power equipment parts ... Parts Diagrams For equipment 1995-present . Browse illustrated parts diagrams to find the part you need. ... Here are some troubleshooting tips to find out what went wrong, what lawn mower parts you need to fix it and if you'll need to take your lawn mower in for professional service. ... Cub Cadet Troy-Bilt Remington MTD Products Inc. MTD ...

Troy bilt 21 self propelled mower parts diagram

Troy bilt 21 self propelled mower parts diagram

Troy-Bilt Self Propelled Mower - e Replacement Parts Repair Parts Home Lawn Equipment Parts Troy-Bilt Parts Troy-Bilt Lawn Mower Parts Troy-Bilt 12A-B22Q563 Self Propelled Mower Parts. ... Troy-Bilt 12A-B22Q563 Self Propelled Mower Parts. Search within model. Questions & Answers Page A. Fig # 1 Front Cover. $25.44 Part Number: 731-07790. In Stock, 25+ available ... (21-Inch) $31.11. Add to Cart ... lvwbrightart.nl Listing Troy bilt gas mower self propelled belt drive unit Troy Bilt 21 Self Propelled Mower Belt Replacement Image April 13th, 2019 - Troy bilt lawn tractor 13an77kg011 pony ereplacementparts mower replacement parts diagram riding lawn mower belt clifieds across the usa page 42 Jan 22, 2018 · Posted on february 17 2013 by admin. Troy-Bilt Self-Propelled Walk-Behind Mower | 12AI832Q711 ... Need to fix your 12AI832Q711 (2010) Self-Propelled Walk-Behind Mower? Use our part lists, interactive diagrams, accessories and expert repair advice to make your repairs easy. ... Repair Parts Home Lawn Equipment Parts Troy-Bilt Parts Troy-Bilt Lawn Mower Parts Troy-Bilt 12AI832Q711 (2010) Self-Propelled Walk-Behind Mower Parts.

Troy bilt 21 self propelled mower parts diagram. Troy-Bilt Self-Propelled Walk-Behind Mower | TB250 ... Troy-Bilt did not manufacture the engine for your lawn mower. My guess is that it is a Briggs and Stratton. But to make sure, look on the engine for a manufacture's tag or label. Get the model number of the engine and type number. And then put those numbers in our search and hopefully you will be able to locate the carburetor parts you are ... Parts Lookup and OEM Diagrams | PartsTree Parts lookup and repair parts diagrams for outdoor equipment like Toro mowers, Cub Cadet tractors, Husqvarna chainsaws, Echo trimmers, Briggs engines, etc. ... Results for "tb240 12avb2aq711 troy bilt tb240 self propelled walk behind mower 2016" (34372 Models) ... Simplicity 21" Self-Propelled Mower. 20SPWM48 (2691565-00) - Snapper 48V 20" Self ... bozeba.de Troy bilt hydrostatic drive belt diagram The engine harness connector on the Briggs and Stratton powered Troy-Bilt tractor also contains alternator andTroy-Bilt 547cc Lawn Tractor is powered by a refined and powerful 547cc Troy-Bilt® engine Built with a pedal operated CVT (continuously variable transmission) a. Troy-Bilt Parts Diagrams - Troy-Bilt: Lawn Mowers, Snow ... Lookup Parts by Diagram. Use our parts diagram tool below to find the parts you need for your machine. Select the model and year, then browse the parts diagrams to find the right part. Add to cart when you're ready to purchase and we'll ship it to you as soon as possible! Financing Now Available for Online Purchases.*. Learn More.

Troy-Bilt Self Propelled Lawn Mower - Model 12AE449D011 ... Find parts for your 21" Troy-Bilt Self-Propelled Lawn Mower. Parts diagrams and manuals available. Free shipping on parts orders over $45. Troy Bilt 42000 21" SELF-PROPELLED (S/N 420000100101 ... Troy Bilt 42000 21" SELF-PROPELLED (S/N 420000100101-420001199999) MAIN ASSEMBLY Exploded View parts lookup by model. Complete exploded views of all the major manufacturers. It is EASY and FREE Troy-Bilt Self-Propelled Walk-Behind Mower | 12AI869F011 ... Need to fix your 12AI869F011 (2010) Self-Propelled Walk-Behind Mower? Use our part lists, interactive diagrams, accessories and expert repair advice to make your repairs easy. Please note shipping times may be longer than expected due to carrier delays. kledingkeuzes.nl My Toro TimeMaster (30") 223cc Personal Pace Self-Propelled Lawn MowerAll Mower Parts UK offer an intensive range of replacement lawnmower spare parts for petrol 0 S How to Replace the Drive Belt on a Self-Propelled Lawn Mower Repair Scotts Briggs and Stratton 6 Troy-Bilt 21" Self-Propelled Lawn Mower.

ebun.tuinverenigingotgleerdam.nl ShanksLawn. pl Troy-Bilt Lawn Mower 436. 7 update. 2005 Troy-Bilt Bronco with Automatic Drive and Cruise - Drive problems after extended use. Troy-Bilt TB WC28 223-cc 28-in Self-propelled Gas Lawn Mower with Briggs & Stratton Engine. Replacement Parts & Service | Troy-Bilt US Explore Service & Parts. Troy-Bilt parts give you a genuine advantage: the confidence of using parts specifically designed for a exact fit, optimal performance and maximum safety. These are the only parts with the in-depth engineering and rigid testing that assures long-lasting quality. Part Finder. Shop Parts. Troy Bilt 42027 6HP/21" SELF-PROPELLED ... - Lawn Mower Parts Troy Bilt 42027 6HP/21" SELF-PROPELLED (S/N 420270100101-420271199999) Exploded View parts lookup by model. Complete exploded views of all the major manufacturers. It is EASY and FREE PDF Troy Bilt 650 Series Lawn Mower Manual Troy-Bilt TB360 190-cc 21-in Self-propelled Gas Lawn Mower ... MTD 964-05104 BAG ASM:GRSBG:HRD BTM OEM part for Troy-Bilt Cub-Cadet Craftsman Bolens Remington Ryobi Yardman Yard-Machine White Huskee 4.6 out of 5 stars 64 $58.03 $ 58 . 03

Troy-Bilt 34021 - Troy-Bilt 21

Troy-Bilt 34021 - Troy-Bilt 21" Mulching Walk-Behind Mower ...

Troy-Bilt Self Propelled Lawn Mower - MTD Parts 21" XP Troy-Bilt Self-Propelled Lawn Mower. The Operator's Manual is an important part of your new outdoor power equipment. It will help you assemble, prepare, maintain and safely operate your machine. Your outdoor power equipment was built to be operated according to the rules and instructions for safe operation which are contained in the ...

World 21

World 21" Self Drive, Aluminium Deck Lawnmower (WLZ21H) Parts ...

Parts Lookup and OEM Diagrams | PartsTree Parts lookup and repair parts diagrams for outdoor equipment like Toro mowers, Cub Cadet tractors, Husqvarna chainsaws, Echo trimmers, Briggs engines, etc. ... Results for "12av556o711 troy bilt self propelled walk behind mower 2006" (34382 Models) ... 911007 (LM 21 SE) - Ariens 21" Self-Propelled Walk-Behind Mower, 4hp Tecumseh (SN: 000101 ...

Troy-Bilt 34023 - Troy-Bilt 21

Troy-Bilt 34023 - Troy-Bilt 21" Mulching Walk-Behind Mower ...

Troy Bilt 11300 4HP-21" VACU-CUT SELF PROPELLED (S/N ... Troy Bilt 11300 4HP-21" VACU-CUT SELF PROPELLED (S/N 0100101-UP) Exploded View parts lookup by model. Complete exploded views of all the major manufacturers. It is EASY and FREE

Troy-Bilt Self-Propelled Walk-Behind Mower | 12AEA29L011 ...

Troy-Bilt Self-Propelled Walk-Behind Mower | 12AEA29L011 ...

Troy-Bilt Operator's Manuals & Illustrated Parts Diagrams Yes, printed Troy-Bilt Operator's Manuals, Illustrated Parts Lists and Troy-Bilt / MTD Engine Manuals are available for purchase. The price for a pre-printed manual is typically less than $20+s/h, but can range up to $45+s/h for larger documents. To order a pre-printed Troy-Bilt manual, have your Model & Serial Number handy and call our ...

13an77tg | Shop www.cremascota.com

13an77tg | Shop www.cremascota.com

Troy-Bilt Self-Propelled Walk-Behind Mower | TB230 ... Need to fix your TB230 (12AVB25U211) (2012) Self-Propelled Walk-Behind Mower? Use our part lists, interactive diagrams, accessories and expert repair advice to make your repairs easy. Please note shipping times may be longer than expected due to carrier delays.

OEM Troy-Bilt Lawn Mower Parts [TB230] | Repair Videos ...

OEM Troy-Bilt Lawn Mower Parts [TB230] | Repair Videos ...

meidenzaken.nl Listing Troy bilt gas mower self propelled belt drive unit Troy Bilt 21 Self Propelled Mower Belt Replacement Image April 13th, 2019 - Troy bilt lawn tractor 13an77kg011 pony ereplacementparts mower replacement parts diagram riding lawn mower belt clifieds across the usa page 42 Jan 22, 2018 · Posted on february 17 2013 by admin.

Troy-Bilt TB110 Lawn Mower & Tractor - Consumer Reports

Troy-Bilt TB110 Lawn Mower & Tractor - Consumer Reports

Troy-Bilt 11300 - Troy-Bilt Vacu-Cut 21" Walk-Behind Mower ... Troy-Bilt repair parts and parts diagrams for Troy-Bilt 11300 - Troy-Bilt Vacu-Cut 21" Walk-Behind Mower (SN: 0100101 & Above)

Troy-Bilt 21” Self-Propelled Lawn Mower

Troy-Bilt 21” Self-Propelled Lawn Mower

Troy-Bilt Self-Propelled Walk-Behind Mowers OEM Parts ... Shop our large selection of Troy-Bilt Self-Propelled Walk-Behind Mowers OEM parts, original equipment manufacturer parts and more online or call at 717-375-1021

Troybilt 12AV565Q711 User Manual MOWER Manuals And Guides ...

Troybilt 12AV565Q711 User Manual MOWER Manuals And Guides ...

34021 - Troy-Bilt 21" Mulching Walk-Behind Mower Parts ... 34021 - Troy-Bilt 21" Mulching Walk-Behind Mower. Parts Lists & Diagrams. 21" Mulching Walk-Behind Mower.

Troy-Bilt Lawn Mower | 12A-562Q711 | eReplacementParts.com

Troy-Bilt Lawn Mower | 12A-562Q711 | eReplacementParts.com

Troy-Bilt Self-Propelled Walk-Behind Mower | 12AI832Q711 ... Need to fix your 12AI832Q711 (2010) Self-Propelled Walk-Behind Mower? Use our part lists, interactive diagrams, accessories and expert repair advice to make your repairs easy. ... Repair Parts Home Lawn Equipment Parts Troy-Bilt Parts Troy-Bilt Lawn Mower Parts Troy-Bilt 12AI832Q711 (2010) Self-Propelled Walk-Behind Mower Parts.

Troy Bilt 12AVB2M5766 TB 220 (2017) Parts Diagrams

Troy Bilt 12AVB2M5766 TB 220 (2017) Parts Diagrams

lvwbrightart.nl Listing Troy bilt gas mower self propelled belt drive unit Troy Bilt 21 Self Propelled Mower Belt Replacement Image April 13th, 2019 - Troy bilt lawn tractor 13an77kg011 pony ereplacementparts mower replacement parts diagram riding lawn mower belt clifieds across the usa page 42 Jan 22, 2018 · Posted on february 17 2013 by admin.

944.369620 Manual for Craftsman 22

944.369620 Manual for Craftsman 22" Self-Propelled Lawn Mower ...

Troy-Bilt Self Propelled Mower - e Replacement Parts Repair Parts Home Lawn Equipment Parts Troy-Bilt Parts Troy-Bilt Lawn Mower Parts Troy-Bilt 12A-B22Q563 Self Propelled Mower Parts. ... Troy-Bilt 12A-B22Q563 Self Propelled Mower Parts. Search within model. Questions & Answers Page A. Fig # 1 Front Cover. $25.44 Part Number: 731-07790. In Stock, 25+ available ... (21-Inch) $31.11. Add to Cart ...

TROY-BILT 8628R PARTS CATALOG Pdf Download | ManualsLib

TROY-BILT 8628R PARTS CATALOG Pdf Download | ManualsLib

Troy-Bilt Self Propelled Lawn Mower - Model 12ABP3A3766 | MTD ...

Troy-Bilt Self Propelled Lawn Mower - Model 12ABP3A3766 | MTD ...

Troy-Bilt 21 in. 140cc 550ex Series Briggs & Stratton Engine ...

Troy-Bilt 21 in. 140cc 550ex Series Briggs & Stratton Engine ...

Troy-Bilt Lawn Mower TB220/230 User Guide | ManualsOnline.com

Troy-Bilt Lawn Mower TB220/230 User Guide | ManualsOnline.com

Troy Bilt 12AJ836E011 (2008) Parts Diagram for General Assembly

Troy Bilt 12AJ836E011 (2008) Parts Diagram for General Assembly

Troy-Bilt 21” Self-Propelled Lawn Mower with Electric Start

Troy-Bilt 21” Self-Propelled Lawn Mower with Electric Start

Troy-Bilt 160cc 3-in-1 Push Lawn Mower, 21-in

Troy-Bilt 160cc 3-in-1 Push Lawn Mower, 21-in

Troy Bilt 12BV565Q711 (2007) Parts Diagram for General Assembly

Troy Bilt 12BV565Q711 (2007) Parts Diagram for General Assembly

Troybilt 11A 542Q711 User Manual MOWER Manuals And Guides ...

Troybilt 11A 542Q711 User Manual MOWER Manuals And Guides ...

944.365550 Manual for Craftsman 21

944.365550 Manual for Craftsman 21" Self-Propelled Multi-Cut ...

Troy-Bilt Self Propelled Lawn Mower - Model 12AI869G211 | MTD ...

Troy-Bilt Self Propelled Lawn Mower - Model 12AI869G211 | MTD ...

Troybilt 12AV566N711 User Manual LAWN MOWER Manuals And ...

Troybilt 12AV566N711 User Manual LAWN MOWER Manuals And ...

Troy-Bilt TB200 12A-A2BU711'15 Self Propelled Mower ...

Troy-Bilt TB200 12A-A2BU711'15 Self Propelled Mower ...

C459-36100 Parts List for Craftsman Lawn Mower 12A-A25K599 ...

C459-36100 Parts List for Craftsman Lawn Mower 12A-A25K599 ...

Troy-Bilt Self-Propelled Walk-Behind Mower | TB350XP ...

Troy-Bilt Self-Propelled Walk-Behind Mower | TB350XP ...

Troy-Bilt 21 in. 140 cc 550e Series Briggs & Stratton Gas ...

Troy-Bilt 21 in. 140 cc 550e Series Briggs & Stratton Gas ...

Troy-Bilt Lawn Mower | 12A-566N711 | eReplacementParts.com

Troy-Bilt Lawn Mower | 12A-566N711 | eReplacementParts.com

Troy-Bilt Self Propelled Lawn Mower - Model 12AI836M011 ...

Troy-Bilt Self Propelled Lawn Mower - Model 12AI836M011 ...

Troy-Bilt TB 140CC 21-IN 3-IN-1 PUSH MOW in the Gas Push Lawn ...

Troy-Bilt TB 140CC 21-IN 3-IN-1 PUSH MOW in the Gas Push Lawn ...

Troy-Bilt TB 220 (12AVB22J766) - Troy-Bilt Walk-Behind Mower ...

Troy-Bilt TB 220 (12AVB22J766) - Troy-Bilt Walk-Behind Mower ...

Troy-Bilt 34021 - Troy-Bilt 21

Troy-Bilt 34021 - Troy-Bilt 21" Mulching Walk-Behind Mower ...

troy bilt sickle mower parts | eBay

troy bilt sickle mower parts | eBay

12av834q711 | Outlet www.cremascota.com

12av834q711 | Outlet www.cremascota.com

Craftsman lawn mower parts Manual 944.361300

Craftsman lawn mower parts Manual 944.361300

Troy-Bilt Self Propelled Lawn Mower - Model 12AV834Q711 | MTD ...

Troy-Bilt Self Propelled Lawn Mower - Model 12AV834Q711 | MTD ...

Troy-Bilt TB300 XP Self-Propelled Mower | Troy-Bilt US

Troy-Bilt TB300 XP Self-Propelled Mower | Troy-Bilt US

0 Response to "38 troy bilt 21 self propelled mower parts diagram"

Post a Comment

Iklan Atas Artikel

Iklan Tengah Artikel 1

Iklan Tengah Artikel 2

Iklan Bawah Artikel