Iklan 300x250

42 kenmore sewing machine parts diagram

Kenmore was once a leader in the sewing machine industry, having dominated the market before ceasing production 100 years after building their 1st sewing machine in 1913. Owned by the Sears Company, Kenmore was known for manufacturing reliable and innovative appliances- growing with Americans as we entered the new age of technology. I was happy to receive manual in true electronic form, instead of scanned original. I had no idea if such a thing was even possible There are enough one-dimensional slugfest titles on the market.

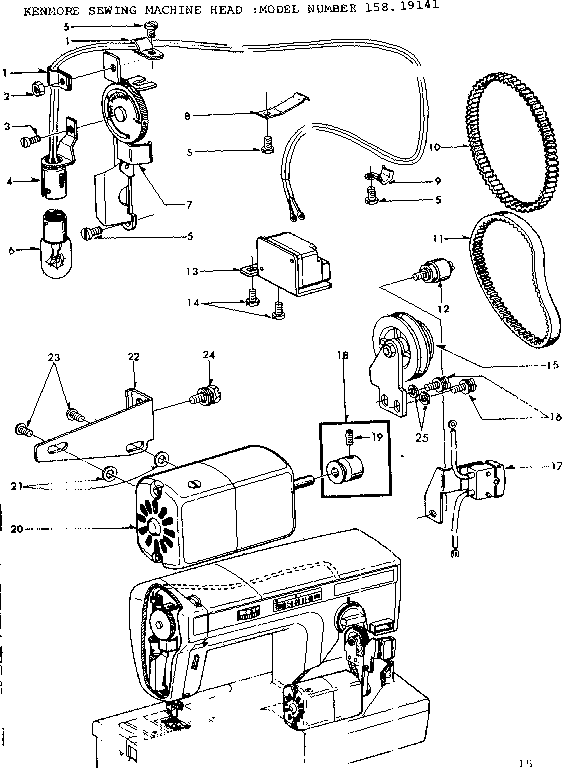
Find the Sears Kenmore sewing machine parts you need to fix any sewing machine failure. We have Kenmore sewing machine 385 parts and accessories as well as parts for other Kenmore models. Use the Kenmore sewing machine parts diagram for your model to look up the replacement parts you need to keep your machine running in top condition.

Kenmore sewing machine parts diagram

Kenmore sewing machine parts diagram

Description: Singer Original Vintage Products Parts intended for Kenmore Sewing Machine Parts Diagram, image size 640 X 493 px, and to view image details please click the image. Honestly, we also have been remarked that kenmore sewing machine parts diagram is being just about the most popular issue at this time. So we attempted to find some good kenmore sewing machine parts diagram graphic for your needs. Find the Sears Kenmore sewing machine parts you need to fix any sewing machine failure. We have Kenmore sewing machine 385 parts and accessories as well as parts for other Kenmore models. Use the Kenmore sewing machine parts diagram for your model to look up the replacement parts you need to keep your machine running in top condition. Mar 10, 2018 · Kenmore Part – Tension Assembly - Pristine. Kenmore Sewing Machine Parts We carry replacement parts, repair parts and accessories for You depend on your Kenmore sewing machine for hobby projects, to mend clothing and to create unique items for gifts. Parts Diagram For Craftsman 24" Snow Thrower Click to Chat We're available to chat.

Kenmore sewing machine parts diagram. Kenmore Sewing Machine Parts We carry replacement parts, repair parts and accessories for You depend on your Kenmore sewing machine for hobby projects, to mend clothing and to create unique items for gifts. Parts Diagram For Craftsman 24" Snow Thrower Click to Chat We're available to chat. Mar 10, 2018 · Kenmore Part – Tension Assembly - Pristine. Kenmore Sewing Machine Parts We carry replacement parts, repair parts and accessories for You depend on your Kenmore sewing machine for hobby projects, to mend clothing and to create unique items for gifts. Parts Diagram For Craftsman 24" Snow Thrower Click to Chat We're available to chat. Find the Sears Kenmore sewing machine parts you need to fix any sewing machine failure. We have Kenmore sewing machine 385 parts and accessories as well as parts for other Kenmore models. Use the Kenmore sewing machine parts diagram for your model to look up the replacement parts you need to keep your machine running in top condition. Description: Singer Original Vintage Products Parts intended for Kenmore Sewing Machine Parts Diagram, image size 640 X 493 px, and to view image details please click the image. Honestly, we also have been remarked that kenmore sewing machine parts diagram is being just about the most popular issue at this time. So we attempted to find some good kenmore sewing machine parts diagram graphic for your needs.

Vintage Kenmore 117-959 Sewing Machine Parts/Repair | #153500462

Vintage Kenmore 117-959 Sewing Machine Parts/Repair | #153500462

SEARS KENMORE 68 95 96 1600 1650 1651 1652 1654 1750 1751 ...

SEARS KENMORE 68 95 96 1600 1650 1651 1652 1654 1750 1751 ...

KENMORE 385.16231400 SERVICE MANUAL Pdf Download | ManualsLib

KENMORE 385.16231400 SERVICE MANUAL Pdf Download | ManualsLib

KENMORE 385.190011890 SERVICE MANUAL Pdf Download | ManualsLib

KENMORE 385.190011890 SERVICE MANUAL Pdf Download | ManualsLib

Kenmore 35, 158.350, 158.351, 158.352 & 158.353 zigzag Sewing Machine  Instruction Manual PDF Download

Kenmore 35, 158.350, 158.351, 158.352 & 158.353 zigzag Sewing Machine Instruction Manual PDF Download

How to find your Kenmore sewing machine model number ...

How to find your Kenmore sewing machine model number ...

Kenmore 385 Models Instruction Manuals

Kenmore 385 Models Instruction Manuals

Kenmore sewing, machine parts

Kenmore sewing, machine parts

Kenmore 15819141 mechanical sewing machine parts | Sears ...

Kenmore 15819141 mechanical sewing machine parts | Sears ...

Kenmore 71 Sewing Machine Instruction Manual PDF Download

Kenmore 71 Sewing Machine Instruction Manual PDF Download

Shop for KENMORE SEARS SEWING MACHINE repair parts for model ...

Shop for KENMORE SEARS SEWING MACHINE repair parts for model ...

SERVICE MANUAL - Sears Parts Direct | Manualzz

SERVICE MANUAL - Sears Parts Direct | Manualzz

Sewing Machine Service and Repair - Laara's Vacuums

Sewing Machine Service and Repair - Laara's Vacuums

Professional 52pcs Sewing Machine Sewing Foot Presser foot ...

Professional 52pcs Sewing Machine Sewing Foot Presser foot ...

Kenmore 158.1200 - 158.12000 Sewing Machine Manual PDF

Kenmore 158.1200 - 158.12000 Sewing Machine Manual PDF

Kenmore 385 19005 sewing machine user manual by David Mannock ...

Kenmore 385 19005 sewing machine user manual by David Mannock ...

SEARS KENMORE 68 95 96 1600 1650 1651 1652 1654 1750 1751 ...

SEARS KENMORE 68 95 96 1600 1650 1651 1652 1654 1750 1751 ...

Sewing School - your online source for all things sewing ...

Sewing School - your online source for all things sewing ...

Kenmore Sewing Machine Owner's Manual Model 385.16221300 ...

Kenmore Sewing Machine Owner's Manual Model 385.16221300 ...

Kenmore sewing, machine parts

Kenmore sewing, machine parts

Kenmore 158.1941: Parts List + Everything You Need to Know ...

Kenmore 158.1941: Parts List + Everything You Need to Know ...

Buy Professional 52pcs Sewing Machine Sewing Foot Presser ...

Buy Professional 52pcs Sewing Machine Sewing Foot Presser ...

Kenmore 148.27 - 148.39 Sewing Machine Service-Parts Manual ...

Kenmore 148.27 - 148.39 Sewing Machine Service-Parts Manual ...

Sewing Machine Repair - iFixit

Sewing Machine Repair - iFixit

Green Sears Kenmore 158.17511 (Model 1751) Sewing Machine – A ...

Green Sears Kenmore 158.17511 (Model 1751) Sewing Machine – A ...

Instruction Manual, Kenmore 385.18630 Models

Instruction Manual, Kenmore 385.18630 Models

Kenmore 148.27 - 148.39 Sewing Machine Service-Parts Manual PDF

Kenmore 148.27 - 148.39 Sewing Machine Service-Parts Manual PDF

KENMORE SEWING MACHINE Vintage Sears 158.18800 Case Manual ...

KENMORE SEWING MACHINE Vintage Sears 158.18800 Case Manual ...

Amazon.com : Sears Kenmore For Vintage Sewing Machine Model ...

Amazon.com : Sears Kenmore For Vintage Sewing Machine Model ...

Kenmore 158.1913 - 19131 Sewing Machine Instruction Manual

Kenmore 158.1913 - 19131 Sewing Machine Instruction Manual

Part 1 Learning the basics of Kenmore 385 Series sewing machine (remake)

Part 1 Learning the basics of Kenmore 385 Series sewing machine (remake)

KENMORE 158 16900 Sears Sewing Machine Parts Motor Lamp Pedal ...

KENMORE 158 16900 Sears Sewing Machine Parts Motor Lamp Pedal ...

Kenmore Sewing Machine Manual – Model 158.17851 – Laughter On ...

Kenmore Sewing Machine Manual – Model 158.17851 – Laughter On ...

Remove, clean, adjust tension assembly on Kenmore sewing machine

Remove, clean, adjust tension assembly on Kenmore sewing machine

Zorba's Secret Sewing Machine Page!

Zorba's Secret Sewing Machine Page!

Kenmore Manual 1581, 1680,1682,1690,1780,1781,1782,1785,17860 ...

Kenmore Manual 1581, 1680,1682,1690,1780,1781,1782,1785,17860 ...

The Guide to Sewing Machine Parts and All Their Uses | Martha ...

The Guide to Sewing Machine Parts and All Their Uses | Martha ...

Kenmore 385.1268180 - 12681 Sewing Machine Instruction Manual

Kenmore 385.1268180 - 12681 Sewing Machine Instruction Manual

Kenmore 158 16900 Sears Sewing Machine Parts Motor Lamp Pedal ...

Kenmore 158 16900 Sears Sewing Machine Parts Motor Lamp Pedal ...

Kenmore 1700, 158.17000, 158.001 Zig-Zag Sewing Machine Instruction Manual  PDF Download

Kenmore 1700, 158.17000, 158.001 Zig-Zag Sewing Machine Instruction Manual PDF Download

Instruction Manual, Kenmore 385.15212 Models

Instruction Manual, Kenmore 385.15212 Models

Kenmore 158.35 - 158.37 Sewing Machine Service-Parts Manual PDF

Kenmore 158.35 - 158.37 Sewing Machine Service-Parts Manual PDF

0 Response to "42 kenmore sewing machine parts diagram"

Post a Comment

Iklan Atas Artikel

Iklan Tengah Artikel 1

Iklan Tengah Artikel 2

Iklan Bawah Artikel