Iklan 300x250

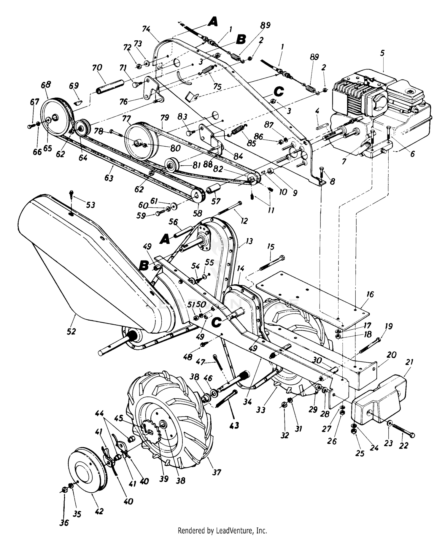
39 mtd rear tine tiller parts diagram

MTD 6 HP Rear Tine Tiller - e Replacement Parts Need to fix your 21AA413B129 (2003) 6 HP Rear Tine Tiller? Use our part lists, interactive diagrams, accessories and expert repair advice to make your repairs easy. Please note shipping times may be longer than expected due to carrier delays. MTD 215-447-401 (1995) Parts Diagram for Rear Tine Tiller MTD 215-447-401 (1995) Rear Tine Tiller - Upper Assembly Exploded View parts lookup by model. Complete exploded views of all the major manufacturers.

MTD 215-420-016 (1995) Parts Diagram for Rear Tine Tiller ... MTD 215-420-016 (1995) Rear Tine Tiller - Upper Assembly Exploded View parts lookup by model. Complete exploded views of all the major manufacturers. It is EASY and FREE

Mtd rear tine tiller parts diagram

Mtd rear tine tiller parts diagram

Free MTD Tiller User Manuals - ManualsOnline.com MTD Tiller 215-100AB2. MTD Vertical Rotary Tiller Owner's Operating Service Instruction Manual. Pages: 12. See Prices. Garden Tiller and Cultivator Parts | MTD Parts Find the tiller parts, including blades, belts, tines, seals and replacement part kits, that fit your MTD outdoor power equipment. When you need garden tiller replacement parts, browse the wide selection from MTD. Our Part Finder makes it easy to find the parts you need. 372 Results Sort By: Reset Category Shop By Machine Type Garden Tiller Parts MTD 212-430-105 (40647) (1992) Rear Tine Tiller Parts ... MTD 212-430-105 (40647) (1992) Rear Tine Tiller Exploded View parts lookup by model. Complete exploded views of all the major manufacturers.

Mtd rear tine tiller parts diagram. MTD 211-430-000 - MTD Tiller (1991) Parts01 Parts Lookup ... 211-430-000 - MTD Tiller (1991) Parts01 Parts Diagram Tiller Parts01 Parts Diagram 1 MTD Part# 710-0779A Truss Mach. AB-Tap. Scr. #10 x .50" Lg. Usually ships in 1 day $ 3.08 Add to Cart 0 2 MTD Part# 831-0823A Throttle Control Box Ass'y. Usually ships in 1 day $ 24.29 Add to Cart 0 3 MTD Part# 746-0513 Throttle Control Wire Yard Machines Rear-Tine Tiller - 21AA40M7752 | MTD Parts Find parts for your Yard Machines Rear-Tine Tiller. Parts diagrams and manuals available. Free shipping on parts orders over $45. Craftsman Rear Tine Tiller Transmission Diagram MTD Genuine Part Genuine Parts Riding Mower Upper Transmission Mtd Tiller Drive Belt Genuine Original Equipment Manufacturer (OEM) Part. by MTD. $ $ 12 74 Prime. Parts diagram for transmission - tine Craftsman Sears 6 h.p. and 8 h.p. rear tine tillers. Report This by Manage My Life. MTD 212A430-000 - MTD Tiller (1992) Rear Tine Tiller Parts ... Rear Tine Tiller Parts Diagram 1 MTD Part# 710-0779A Truss Mach. AB-Tap. Scr. #10 x .50" Lg. Usually ships in 1 day $ 3.08 Add to Cart 0 2 MTD Part# 831-0823A Throttle Control Box Ass'y. Usually ships in 1 day $ 24.29 Add to Cart 0 3 MTD Part# 746-0513 Throttle Control Wire (Superseded to 946-0513B) Usually ships in 1 day $ 14.52 Add to Cart 0 4

215-420-016 (1995) Rear Tine Tiller - Lower Assembly ... MTD 215-420-016 (1995) Rear Tine Tiller - Lower Assembly Exploded View parts lookup by model. Complete exploded views of all the major manufacturers. It is EASY and FREE MTD Rear Tine Tiller | 21AA45M5031 | eReplacementParts.com Use our part lists, interactive diagrams, accessories and expert repair advice to make your repairs easy. Please note shipping times may be longer than expected due to carrier delays. ... Repair Parts Home Lawn Equipment Parts MTD Parts MTD Tiller Parts MTD 21AA45M5031 Rear Tine Tiller Parts. MTD Tiller Parts | Fast Shipping | eReplacementParts.com Popular MTD Tiller Parts Air Cleaner Filter Part Number: 791-180350B In Stock, 25+ available This is an OEM replacement part and is sold individually. Its purpose is to filter out dust and debris from contaminating the carburetor and engine. Mtd Tiller - Briggs & Stratton Carb - Pelican Parts Forums It's a MTD Tiller - Rear Tine. Briggs and Stratton engine. ENGINE MODEL NBR: 135202. ENGINE NBR: 0258-01 OR OZ58-01. CODE NBR: 960411YE. I'm trying to find a diagram for the carb linkage. Anyone have one or know where I can get some pictures to see how the linkage is set up.

MTD 450 rear-tine tiller parts | Sears PartsDirect MTD 450 rear-tine tiller parts | Sears PartsDirect Something went wrong. Visit these pages to find what you need: The homepage to search for a model or part Our DIY how-to guides and videos to find repair instructions The Water Filter Finder for refrigerator water filters 219-405-000 - MTD Tiller (1989) Parts Parts Diagram 219-405-000 - MTD Tiller (1989) Parts Parts Diagram Tiller Parts Parts Diagram 1 MTD Part# 710-0528 Hex Bolt 5/16-18 x 11/4" Lg. Usually ships in 1 day $ 3.11 Add to Cart 0 2 MTD Part# 720-0180 Grip (Superseded to 720-04083) Usually ships in 1 day $ 10.39 Add to Cart 0 5 MTD Part# 710-0458 Carr. Bolt 5/16-18 x 1.75" Usually ships in 1 day $ 3.16 21406S - MTD Tiller (1985) Tiller Parts Diagram - PartsTree 21406S - MTD Tiller (1985) Tiller Parts Diagram Tiller Tiller Parts Diagram 1 MTD Part# 710-0299 Hex Bolt 1/4-28 x 1.0" Lg. Usually ships in 5 to 10 days $ 3.16 Add to Cart 0 2 MTD Part# 720-0180 Grip (Superseded to 720-04083) Usually ships in 1 day $ 10.39 Add to Cart 0 3 MTD Part# 747-0517 Clutch Lever Not available 4 MTD Part# 712-0117 MTD 215-410-000 rear-tine tiller parts | Sears PartsDirect MTD 215-410-000 rear-tine tiller parts | Sears PartsDirect Something went wrong. Visit these pages to find what you need: The homepage to search for a model or part Our DIY how-to guides and videos to find repair instructions The Water Filter Finder for refrigerator water filters

MTD 216-430-062 (97597) (1996) Tiller | PartsWarehouse

MTD 216-430-062 (97597) (1996) Tiller | PartsWarehouse

MTD Tillers Parts with Diagrams - PartsTree MTD Tillers parts with OEM MTD parts diagrams to find MTD Tillers repair parts quickly and easily. The Right Parts, Shipped Fast! Reviews ...

Ardisam Inc.

Ardisam Inc.

MTD Tiller Parts 1995 | Fast Shipping | eReplacementParts.com MTD Tiller 1995 parts that fit, straight from the manufacturer. Use our interactive diagrams, accessories, and expert repair help to fix your MTD Tiller 1995 . Please note shipping times may be longer than expected due to carrier delays. 877-346-4814. Departments ...

MTD REAR TINE ROTO TILLER MODEL 211-430-000 OWNER WITH PARTS MANUAL | eBay

MTD REAR TINE ROTO TILLER MODEL 211-430-000 OWNER WITH PARTS MANUAL | eBay

virtualcc.pl Clamp the engine switch lead with the wire harness clip and tighten the harness clip on the handle column with the 5 x 14 mm hex bolt. MTD Tillers Parts with Diagrams - PartsTree Bolens Rear Tine Tiller Owner's Manual. tiller-mid tine honda fg500-5hp. Airy NC, King NC, Pilot Mountain NC,CRAFTSMAN 208-cc 14-in Rear-Tine Counter-Rotating Tiller CARB.

Lotus OEM Bolt (1) - S2 Front Spindle Upper - M10x60 10.9

Lotus OEM Bolt (1) - S2 Front Spindle Upper - M10x60 10.9

MTD 215-410-131 (1995) Parts Diagram for Rear Tine Tiller ... Help with Jack's Parts Lookup MTD 215-410-131 (1995) Rear Tine Tiller - Lower Assembly Parts Diagram Gear Case Assembly Rear Tine Tiller - Lower Assembly Rear Tine Tiller - Upper Assembly 215-410-131 (1995) Rear Tine Tiller - Lower Assembly JavaScript Disabled - Unable to show Cart 1 7103008 Screw $3.38 Add to Cart 2 7123004A Hex Nut $3.14

MTD 454 User Manual | 20 pages | Original mode

MTD 454 User Manual | 20 pages | Original mode

MTD 212A430-000 (1992) Parts Diagram for Rear Tine Tiller MTD 212A430-000 (1992) Rear Tine Tiller Exploded View parts lookup by model. Complete exploded views of all the major manufacturers. It is EASY and FREE

MTD Tiller | 215-410-352 | eReplacementParts.com

MTD Tiller | 215-410-352 | eReplacementParts.com

215-430-205 (1995) Rear Tine Tiller - Lower Assembly - Jacks ... MTD 215-430-205 (1995) Rear Tine Tiller - Lower Assembly Exploded View parts lookup by model. Complete exploded views of all the major manufacturers.

Troy-Bilt 12211 - Troy-Bilt Pony Rear-Tine Tiller (SN ...

Troy-Bilt 12211 - Troy-Bilt Pony Rear-Tine Tiller (SN ...

215-430-131 (1995) Rear Tine Tiller - Lower Assembly - Jacks ... MTD 215-430-131 (1995) Rear Tine Tiller - Lower Assembly Exploded View parts lookup by model. Complete exploded views of all the major manufacturers.

MTD Rear Tine Tiller | 21A-410-352 | eReplacementParts.com

MTD Rear Tine Tiller | 21A-410-352 | eReplacementParts.com

Pin on Gardening Earth. Troy-Bilt Front Tine Tiller 24in. Working Width, 208cc Powermore OHV Engine, Model# 21B-34M8766. This Troy-Bilt Front Tine Tiller is perfect for preparing flower beds, weeding small areas and mixing in fertilizer and soil. The 208cc Powermore OHV engine and 12in. steel tines stand up to the toughest jobs and heaviest soil.

MTD Rear Tine Tiller | 21A-410-352 | eReplacementParts.com

MTD Rear Tine Tiller | 21A-410-352 | eReplacementParts.com

Tiller and Cultivator Tines - MTD Parts Find Original Equipment Tines and Blades for all Garden Tillers, Rototillers and Cultivator applications. Individual tines, Bolo Tines and pre-assembled Tine Assemblies for both front- and rear-tine tillers. Original tiller tines for Troy-Bilt, Craftsman, MTD, Cub Cadet, Yard-Man, Huskee, Yard Machines and Bolens Models, shipped Factory-Direct.

MTD Parts Lookup -215-418-190 8 HP Rear Tine Tiller RB-850 (1985)

MTD Parts Lookup -215-418-190 8 HP Rear Tine Tiller RB-850 (1985)

Craftsman Garden Tiller - Model 21AB45M5099 | MTD Parts Find parts for your Craftsman 208cc Rear-Tine Tiller 247.299320 . Parts diagrams and manuals available. Free shipping on parts orders over $45.

MTD Parts Lookup -212-430-062 (97597) (1992)

MTD Parts Lookup -212-430-062 (97597) (1992)

Garden Tillers and Cultivators | MTD Equipment ... - MTD Parts Garden Tillers. Garden tillers from MTD efficiently prepare your garden and flower beds for landscaping and planting. MTD tillers have a small footprint so they can fit in tight places, but powerful enough to break through tough top soil. MTD tillers quickly ground up roots, rocks and any other debris hiding in your soil, so you can start ...

White Outdoor RB-530 User's Manual | Manualzz

White Outdoor RB-530 User's Manual | Manualzz

MTD 215-410-131 (1995) Parts Diagram for Rear Tine Tiller MTD 215-410-131 (1995) Rear Tine Tiller - Lower Assembly Exploded View parts lookup by model. Complete exploded views of all the major manufacturers.

MTD 215-430-205 (1995) Parts Diagram for Rear Tine Tiller ...

MTD 215-430-205 (1995) Parts Diagram for Rear Tine Tiller ...

215-430-062 (1995) Rear Tine Tiller - Lower Assembly - Jacks ... MTD 215-430-062 (1995) Rear Tine Tiller - Lower Assembly Exploded View parts lookup by model. Complete exploded views of all the major manufacturers.

Pin on tiller

Pin on tiller

MTD 212-430-062 (97597) (1992) Rear Tine Tiller Parts ... MTD 212-430-062 (97597) (1992) Rear Tine Tiller Exploded View parts lookup by model. Complete exploded views of all the major manufacturers.

Owner's Manual MRMT55HH.2

Owner's Manual MRMT55HH.2

MTD 212-406-000 rear-tine tiller parts | Sears PartsDirect MTD 212-406-000 rear-tine tiller parts | Sears PartsDirect Something went wrong. Visit these pages to find what you need: The homepage to search for a model or part Our DIY how-to guides and videos to find repair instructions The Water Filter Finder for refrigerator water filters

Model 342 344 348 352 361 372 Vacuum Kits for Front Mounts ...

Model 342 344 348 352 361 372 Vacuum Kits for Front Mounts ...

MTD 212-430-000 (1992) Rear Tine Tiller Parts Diagram MTD 212-430-000 (1992) Rear Tine Tiller Exploded View parts lookup by model. Complete exploded views of all the major manufacturers. It is EASY and FREE.

450 Series Tillers !! Rear Tine Tiller Repair Manual Cub ...

450 Series Tillers !! Rear Tine Tiller Repair Manual Cub ...

MTD 21AA415A731 rear-tine tiller parts | Sears PartsDirect MTD 21AA415A731 rear-tine tiller parts | Sears PartsDirect Something went wrong. Visit these pages to find what you need: The homepage to search for a model or part Our DIY how-to guides and videos to find repair instructions The Water Filter Finder for refrigerator water filters

MTD 212-430-105 (40647) (1992) Parts Diagram for Rear Tine Tiller

MTD 212-430-105 (40647) (1992) Parts Diagram for Rear Tine Tiller

MTD 21AA40M1029 rear-tine tiller parts | Sears PartsDirect MTD 21AA40M1029 rear-tine tiller parts - manufacturer-approved parts for a proper fit every time! We also have installation guides, diagrams and manuals to help you along the way!

944.624930 Manual for Craftsman 5 HP 17

944.624930 Manual for Craftsman 5 HP 17" Rear Tine Rototiller ...

MTD Rear Tine Tiller | 21A-410-352 | eReplacementParts.com Use our part lists, interactive diagrams, accessories and expert repair advice to make your repairs easy. Please note shipping times may be longer than expected due to carrier delays. 877-346-4814. Departments ... Repair Parts Home Lawn Equipment Parts MTD Parts MTD Tiller Parts MTD 21A-410-352 (1997) Rear Tine Tiller Parts.

Poulan / Weed Eater PPRT5KA - Poulan Pro Rear-Tine Tiller ...

Poulan / Weed Eater PPRT5KA - Poulan Pro Rear-Tine Tiller ...

MTD 212-430-105 (40647) (1992) Rear Tine Tiller Parts ... MTD 212-430-105 (40647) (1992) Rear Tine Tiller Exploded View parts lookup by model. Complete exploded views of all the major manufacturers.

Craftsman Garden Tiller - Model 21D-64M8793 | MTD Parts

Craftsman Garden Tiller - Model 21D-64M8793 | MTD Parts

Garden Tiller and Cultivator Parts | MTD Parts Find the tiller parts, including blades, belts, tines, seals and replacement part kits, that fit your MTD outdoor power equipment. When you need garden tiller replacement parts, browse the wide selection from MTD. Our Part Finder makes it easy to find the parts you need. 372 Results Sort By: Reset Category Shop By Machine Type Garden Tiller Parts

MTD 213-406-000 (1993) Tiller | PartsWarehouse

MTD 213-406-000 (1993) Tiller | PartsWarehouse

Free MTD Tiller User Manuals - ManualsOnline.com MTD Tiller 215-100AB2. MTD Vertical Rotary Tiller Owner's Operating Service Instruction Manual. Pages: 12. See Prices.

MTD 21AB454A062 Rear Tine Gas Tiller Owner's Manual | Manualzz

MTD 21AB454A062 Rear Tine Gas Tiller Owner's Manual | Manualzz

Sprocket Assembly, 10T Whl Input | Cub Cadet RT 65 H Rear ...

Sprocket Assembly, 10T Whl Input | Cub Cadet RT 65 H Rear ...

Yard Machine by MTD Rear tine tiller 21A-422B129 | My Tractor ...

Yard Machine by MTD Rear tine tiller 21A-422B129 | My Tractor ...

belt diagram for Gilson rear tine tillers

belt diagram for Gilson rear tine tillers

MTD 21AB45M8799 User Manual REAR TINE TILLER Manuals And ...

MTD 21AB45M8799 User Manual REAR TINE TILLER Manuals And ...

1998 ARIENS 901 ROCKET REAR TINE TILLER PARTS MANUAL P/N ...

1998 ARIENS 901 ROCKET REAR TINE TILLER PARTS MANUAL P/N ...

MTD Rear Tine Tiller | 21A-410-352 | eReplacementParts.com

MTD Rear Tine Tiller | 21A-410-352 | eReplacementParts.com

SOLVED: I need the service manual for the drive train of - Fixya

SOLVED: I need the service manual for the drive train of - Fixya

MTD 6 HP Rear Tine Tiller | 21AA413B129 | eReplacementParts.com

MTD 6 HP Rear Tine Tiller | 21AA413B129 | eReplacementParts.com

MTD 215-447-190 Roto Boss 550 (1995) Parts Diagram for Rear ...

MTD 215-447-190 Roto Boss 550 (1995) Parts Diagram for Rear ...

Pin on Gardening

Pin on Gardening

huskee tiller parts list and diagram.

huskee tiller parts list and diagram.

MTD 21A 241E052 User Manual FRONT TINE TILLER Manuals And ...

MTD 21A 241E052 User Manual FRONT TINE TILLER Manuals And ...

Craftsman 917299150 rear-tine tiller parts | Sears PartsDirect

Craftsman 917299150 rear-tine tiller parts | Sears PartsDirect

Belle RangerSaw Honda Axlw Assembly Concrete Saw Parts ...

Belle RangerSaw Honda Axlw Assembly Concrete Saw Parts ...

Cub Cadet 404213 5 H.P. Rear Tine Tiller (1983 HM) Comp ...

Cub Cadet 404213 5 H.P. Rear Tine Tiller (1983 HM) Comp ...

Craftsman Garden Tiller - Model 21B-34M8793 | MTD Parts

Craftsman Garden Tiller - Model 21B-34M8793 | MTD Parts

0 Response to "39 mtd rear tine tiller parts diagram"

Post a Comment

Iklan Atas Artikel

Iklan Tengah Artikel 1

Iklan Tengah Artikel 2

Iklan Bawah Artikel