42 scott lawn mower belt diagram
John Deere Lawn and Garden Tractor Parts; John Deere Lawn Tractor Parts; John Deere Zero Turn Mower Parts; John Deere Front Mower Parts; John Deere Compact Utility Tractor Parts; John Deere Gator/Utility Vehicle Parts; John Deere Utility Tractor Parts; John Deere QuikTrak Mower Parts; John Deere Commercial Walk Behind Mower Parts; John Deere ... The belt drive for the mower blades broke; I need 2 things: a diagram One last question to confirm - you provided belt diagram for a Scott's S; mine is a. Scott's Lawn Tractors S, S, and S PIN ( -) If you need to contact an Assembly.
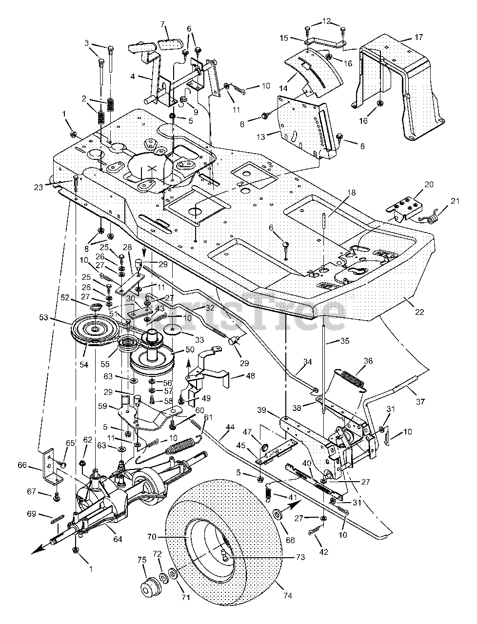
46562x8B - Scotts 46" Lawn Tractor (1997)Parts & DiagramsParts Lists & Diagrams. 46562x8B - Scotts 46" Lawn Tractor (1997)

Scott lawn mower belt diagram
Deck Belt for John Deere, Scotts, Sabre 42" Cut, S1742, S1642, 1542HS, 1542GS, 1642HS, 1742HS, 1742GS, M124895 Rating * Select Rating 1 star (worst) 2 stars 3 stars (average) 4 stars 5 stars (best) How to Replace a Belt on a Scotts S1742 Lawn Mower. Scotts S1642, S1742 and S2046 are all submodels built under the Scotts brand name by John Deere. Essentia... How to Put a Belt on a Scotts 2546 H Mower. If your Scotts S2546 H mower isn't cutting grass properly, it might be time to change the belt. Over time, the belt can develop cracks, burns and frayed ...
Scott lawn mower belt diagram. The lawn tractor is equipped with a 48-inch midmount mower deck that is belt driven. Mower deck belts wear out over time and can eventually break, requiring complete replacement to keep the mower ... Just as standard John Deere lawn mowers utilize a suspended deck and drive belt system, Scotts mowers have the same equipment. When the drive belt stretches beyond the point where the mower deck can compensate, you must replace the belt with a new one or risk having the belt break, which would leave the mower deck disabled. Murray - Murray Outdoor Products Outdoor Power Products Walk Behind Mowers, Tractors, Rear Engine Riders, Tillers, Chippers, Shredders, Edgers, Grass Catchers, Go-karts, Scooters, Snowthrowers, Sweepers and Trimmers I need a belt diagram for the primary and secondary belts of a John Deere 165 Hydro riding lawn mower with a 38 inch deck and electro magnetic clutch. Belt routing for john Deere riding lawnmower. [ 12 Answers ] I need belt routing for a Scotts riding lawnmower by John Deere. It is a 16Hp with a 42 in mower deck. Where can I find a routing diagram. Belt Diagram on John Deere Scott Riding mower ...
Scotts repair parts and parts diagrams for Scotts 21595x8B - Scotts 21" Walk-Behind Mower (1999) Diagram group L17.542 Scotts Lawn Tractor with 42-inch Mower Deck John Deere : 20 ENGINE CCE. 30 FUEL AND AIR CCE. 40 ELECTRICAL CCE. 50 POWER TRAIN CCE. 60 STEERING AND BRAKES CCE. 80 WHEELS, FRAME AND OPERATOR'S STATION CCE. 85 MOWER DECK AND LIFT LINKAGE CCE. 90 LABELS CCE. Scotts S1742 (Deck 42") Riding Lawn Mower Replacement Belt Original Equipment Manufacturer Scotts OEM Part Number M124895 Machine Riding Lawn Mower Model S1742 (Deck 42") Belt Type 4LK/AK Aramid VBG Replacement Id APPL673762 Technical Specifications: (Inches) (mm) Outside Circumference 115.00 2921.00 Top Width 0.50 12.70 Belt Depth 0.3125 7.9375 Bands The belt drive for the mower blades broke; I need 2 things: a diagram One last question to confirm - you provided belt diagram for a Scott's S; mine is a. Hi,I need a drive belt routing diagram for a Scotts (made by John Deere) lawmmower. It is a model Scotts H with a Kohler 16 hp OHV 1. If the belt that drives the blades on your Scotts S lawn ...
Then search below to get the exact replacement belt you need for your Scotts Lawn Mower or Scotts Tractor. Scotts S Parts Diagram Wiring Diagrams - Wiring Diagram For John Deere X likewise Scott h Mower Wiring Diagram additionally Scotts S Mower Wiring Diagram moreover Wiring Diagram 40 12 Horse Wiring Solonid Starter additionally Briggs Stratton Service Manuals. also john deere tractor wiring ... Scotts S1642 (Deck 42") Riding Lawn Mower Replacement Belt Original Equipment Manufacturer Scotts OEM Part Number M124895 Machine Riding Lawn Mower Model S1642 (Deck 42") Belt Type 4LK/AK Aramid VBG Replacement Id APPL673763 Technical Specifications: (Inches) (mm) Outside Circumference 115.00 2921.00 Top Width 0.50 12.70 Belt Depth 0.3125 7.9375 Bands Lubricating Mower Spindles; 51 c. Replacing Mower Drive Belt; 52 c. Servicing Mower Blades; 53 c. Sharpening Blades; Balancing Blades; 54 c. Checking the Battery. NOTE: This is a maintenance free battery, do not attempt to open or service battery in any way. Removing and Installing the Battery; 55 c. Clean Battery and Terminals; 56 c. Charging ... Scotts S2046 Parts Diagram. Document for Scotts Lawn Mower Parts Manual is available in various format s s s operators manual online scotts lawn tractor operators. SCOTTS S PARTS MANUAL -- TABLE OF CONTENT Introduction Brief Description Main Topic Technical Note SCOTTS S PARTS. Catalog Search Results.
Click to get the latest Buzzing content. Take A Sneak Peak At The Movies Coming Out This Week (8/12) Why Your New Year’s Resolution Should Be To Go To The Movies More
Scotts Lawn Mowers Parts Diagrams PS21ESLM Electric Start Lawn Mower Mfg. No. 099923020. PS21ESLM Electric Start Lawn Mower Mfg. No. 099923020 6-20-18 (Rev:04) JACK'S Newsletter. Subscribe to our email newsletter to receive promotions, helpful DIY articles, and special offers. ...
Get Parts, Repair Help, Manuals and Care Guides for FGHD2465NF1A Frigidaire Dishwasher - DISHWASHER. View parts like Dishwasher Bottom Door Gasket and Dishwasher Tub Gasket - …
We sell parts & accessories for your Ariens lawn mower, zero turn, snow blower and other power equipment. ... Diagrams » Parts Diagrams » ... Then search below to get the exact replacement belt you need for your Scotts Lawn Mower or Scotts Tractor.
Scotts S1642 Wiring Diagram. Toro wheelhorse Demystification Electical wiring diagrams for all WheelHorse . Scott's Lawn Tractors S, S, and S PIN ( -) If you need to. This is for a Scotts Picture yourself sitting on the mower looking down at the deck. Starting at the tractor pulley, the belt runs from the right.
1. Looking for a Scotts S1642 by John Deere Drive Belt Diagram. Owners manual only has a diagram for the deck/mower belt. The diagram on the John Deere web site has four pulleys but mower has five. Any help would be appreciated. Visit crigby's homepage! My deck belt came off and I am now trying to put it back on however it appears to be about 5 ...
See the link above for the Diagram this is also a Manual for the your Bekt Diagram should be under Service Mower then Mower Drive Belt. JOHN DEERE Genuine OEM Mower Drive Belt M Scotts Sabre 42`` . Replacement Belt Scotts S S Sabre hs 42" Cut Lawn. Traction Drive & Deck Belt Combo For GS HS HS S GS FITS JOHN DEERE Replacement Drive Belt M Scotts 42" S Buy Replacement Belt Scotts S S Sabre hs ...
Kevin R, Hi Guys, I need to replace my mower deck belt on my Scott's S Joe, Do a goggle search for scotts +belt diagram,a couple posted online. Hi, The transmission drive belt on my Scotts S ride on tractor mower has broken. I have the user manual but there are no instructions or diagram I could not get the belt on with the mower deck on and I didin't want to try. Find great deals for John ...
Get all of Hollywood.com's best Movies lists, news, and more.
diagram group scotts s1742 lawn tractor john deere : 20 engine (17 hp) cce 30 fuel and air cce 40 electrical cce 50 power train cce 60 steering and brakes cce 80 wheels, frame and operator's station cce 85 mower deck and lift linkage cce 90 labels cce
I have a Scott's riding lawn mower (model 1642H). The belt drive for the mower blades broke; I need 2 things: a diagram of how the belt should wind through the pulleys (there is 1 pulley from the engi … read more
Make sure the belt is around engine pulley and keep the right side of the belt away from the pulley and reinstall the guide (the guide is a bolt with a nut on the other side. Use an open end 1/2 inch wrench on the nut side because you wont be able to remove the box end because of the belt. I learned). Now you need to feed the belt loup toward the tranmission pulley and loup it around the ...
Scotts Riding Mower Belt Diagram 42 Inch. Garden product manuals and free pdf instructions. Find the user manual you need for your lawn and garden product and more at ManualsOnline. If the belt that drives the blades on your Scotts S lawn mower is slipping, it's time to Decks that are inch have one belt guard and two cap screws.
1. Messages. 6. Sep 20, 2013. #1. Hello, I am a beginner when it comes to mower repair. I have a scotts s1642 and yesterday while mowing, the drive belt came off. I found a diagram showing the routing and took a picture and used the diagram to place the belt back in the proper location but as soon as I start the mower, it comes off again.
Get Parts, Repair Help, Manuals and Care Guides for FGHD2433KB1 Frigidaire Dishwasher. View parts like Dishwasher Bottom Door Gasket and Dishwasher Tub Gasket - Gray.
Dear Scott, I live nearby to you ... Then the basics, fuel line, new fluids, belt, grease, plug, shear bolts and grease fittings. Pressure washed it, prepped it and painted. All ... , Reel mower and Lawn Vaccum) Eventually ...
We've earned our reputation by delivering our customers high quality products and solutions for over 100 years. You can be sure Ferris will keep you on the cutting edge, with innovative mower designs and technology, for years to come.Ferris mowers are the only mowers in the industry that offer patented suspension technology. Experience the difference suspension makes!
Deck Belt for Scotts S2046, S2546, GX10176 Rating * Select Rating 1 star (worst) 2 stars 3 stars (average) 4 stars 5 stars (best) Name
Back in 1937, when Troy-Bilt® introduced the very first rototiller into the American landscape, it was considered a remarkable innovation for its time. From the start, a reputation for quality and durability helped Troy-Bilt grow strong, adding mowers and …
Get 24⁄7 customer support help when you place a homework help service order with us. We will guide you on how to place your essay help, proofreading and editing your draft – fixing the grammar, spelling, or formatting of your paper easily and cheaply.
These scotts mowers made by john deere were made only a few short years form 1998-2002. The drive belt routing and installation is a little tricky but defini...
Har-Tru Tennis Courts in Melbourne Victoria (Royal South Yarra Tennis Club) Head to Royal South Yarra Tennis Club https://www.rsyltc.org.au/ The best tennis club in Victoria
How to Put a Belt on a Scotts 2546 H Mower. If your Scotts S2546 H mower isn't cutting grass properly, it might be time to change the belt. Over time, the belt can develop cracks, burns and frayed ...
How to Replace a Belt on a Scotts S1742 Lawn Mower. Scotts S1642, S1742 and S2046 are all submodels built under the Scotts brand name by John Deere. Essentia...
Deck Belt for John Deere, Scotts, Sabre 42" Cut, S1742, S1642, 1542HS, 1542GS, 1642HS, 1742HS, 1742GS, M124895 Rating * Select Rating 1 star (worst) 2 stars 3 stars (average) 4 stars 5 stars (best)
If you found this image helpful, put a link to my website in the image caption! [intricateexplorer.com] I appreciate it!
Look at those prints! They are big 5.5â square prints. We had some of our photos printed by them because we wanted to offer MYSTERY print bundles. We like whimsy, fun, and surprises! Who knows which prints youâd receive....maybe weâll even include a Golden Ticket to something one day. Good Vibes Only ððð
0 Response to "42 scott lawn mower belt diagram"
Post a Comment