Iklan 300x250

37 kubota bx2230 parts diagram

Kubota's genuine oil filters are designed to remove harmful contaminants from the engine oil during periods of normal and severe service. Kubota Super UDT 2 is a multi-purpose all-weather hydraulic fluid.This product is specifically recommended for use in the Kubota hydraulic, final drive, transmission, differential, and wet brake systems.

Alternator - Style (10932) fits Kubota GR2120 F2000 G2000 B1550 BX1800 RTV500 BX22 ZD323 BX2230 B20 BX1500 BX2200 ZD321 ZD28 BX1830 G1900 ZD21 B7410 ASAP Item No. 114878 View Details $91.99

Parts for Kubota BX2230D Sub-Compact Tractors | Coleman Equipment. Internet Parts. 877-851-3647. parts@colemanequip.com. Bonner Springs, KS. 24000 W. 43rd St. (913) 422-3040. Lee's Summit, MO.

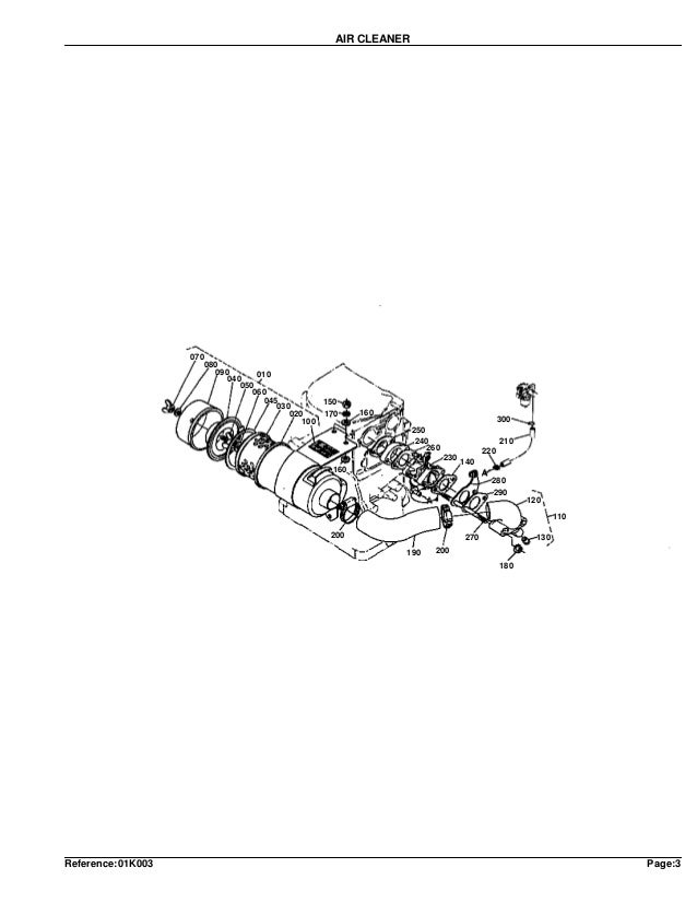
Kubota bx2230 parts diagram

Kubota bx2230 parts diagram

Kubota parts are designed and engineered to original factory specifications to keep your equipment operating at peak performance. And, with our industry-leading parts availability, you can be confident your local Kubota dealer will be able to quickly supply the parts you need. For reliable, long-lasting performance of your Kubota equipment ...

Some of the parts available for your Kubota BX2230 include Air Conditioning, Clutch, Transmission, PTO, Electrical & Gauges, Filters, Lawn and Garden and Specialty Belts, Lights and Related, Seats | Cab Interiors, Shop Supply, Sunbelt - Air Filters, Sunbelt - Blades, Sunbelt - Electrical, Sunbelt - Fuel, Sunbelt - Oil Filters.

Our Kubota Kubota BX2230 Service Manual is a high-quality . Kubota Tractor Parts Manual BX2200D BX2230D BX2200 2230 $9.99. Filetype: BX2230 OWNERS MANUAL PDF Kubota Bx2230 Owners Manual is a great way to gain. FREE KUBOTA TRACTOR PARTS MANUALS AND DIAGRAMS. This website contains some useful manuals applicable to Kubota Tractors.

Kubota bx2230 parts diagram.

Description: Belt Diagram For Mowing Deck - Yesterday's Tractors intended for Kubota Mower Deck Parts Diagram, image size 905 X 452 px, and to view image details please click the image.. Here is a picture gallery about kubota mower deck parts diagram complete with the description of the image, please find the image you need.

Kubota Bx2230 Parts Diagram Front Axle • Downloaddescargar.com KUBOTA L295 DT L295DT TRACTOR PART LIST PARTS MANUALs | eBay Fuel Tank Leaking On Kubota L4200 regarding Kubota Parts Kubota Tractor Parts Diagrams. Please fill in the fields below and one of our dealers will get back to you as quickly as possible. The company produces a variety ...

1-48 of over 20,000 results for "kubota parts" Price and other details may vary based on product size and color. Kubota HH150-32430 Cartridge, OEM Part, Oil Filter Materials. ... OEM Kubota Filter Kit for BX24 BX25 BX2230 BX2350 BX2360 BX2370. 4.7 out of 5 stars 306. $64.91 $ 64. 91. Get it as soon as Tue, Dec 28.

Kubota RCK60B-22BX(BX1830 BX2230) Mower Decks Mower Deck Parts. Search. Common Service Parts and Accessories: ... Kubota RCK60B-22BX(BX1830 BX2230) Mower Deck Parts Diagram Lookup. Select a diagram, then click on the part to view details. See parts list below. CATEGORIES.

Parts list and parts diagram for a Kubota BX2230D Parts {'Toggle navigation'|gettext} Hotline Operating Hours: Monday to Friday, 7AM to 5PM CT Saturday from 7:30AM - Noon (Click here for after-hours parts support) Parts Hotline: (855) 667-0970 Parts Text Message: (309) 204-9222

809. 269. 63. Goshen, IN. Nov 23, 2018. #1. I recently purchased a BX2230, and sometimes the HST light comes on, even when the tractor is cold, and I haven't been able to track down where the sensor is located on the transmission. The transmission fluid was changed at the dealer before I bought the machine, and it is showing full on the dipstick.

Kubota Parts Depot at MB Tractor. Contact Us. #77700-05372 - "GLOVES,XL 303 BLK/BLK PALM DIPPED ***". $9.10.

Bx2230 Kubota Wiring Diagram 68 Jeep Harness Jimny Holden Commodore Jeanjaures37 Fr. Woods F21d Mow N Machine Wiring Diagram Kubota Sel Assembly Parts And. Gravely 989304 000101 Pm460 30hp Kubota Parts Diagram For Wiring. 2003 Kubota Bx22 Had Mower Deck On Today Cutting Tractor Just Stopped Running Without Warning Tried To Restart D.

A Kubota parts manual PDF is an ideal way to check the system in the tractor to see which part is needed, and use the manual in a PDF form to see how it should be fitted. Kubota have always been very good with their documentation, and the advantage of having a parts manual as a PDF is that it is easily downloadable to a computer, laptop or an iPad.

Kubota's Online Parts Catalog For a little while now Kubota has made available on their website a comprehensive illustrated parts list (US) (or click here for the Canadian version ). This is essentially an online portal view into Kubota's EPC (electronic parts catalog) which dealers also use for their parts lookup requirements.

Tractor. 2002 Kubota BX2200. I came across this and thought I would share it with all the BX2200 owners. It is a parts manual in .PDF format, you can also save it to your hard drive for faster access. I think it is around 2.4MBs, so be patient if you have a dial-up (56K) connection.

The Kubota parts diagrams that are part of the manual are important in helping anyone to fit or repair a replacement part, either as part of a routine service, or because the part has become defective. The Kubota BX2230 PDF manual has a number of sections, which would normally cover the following areas of operation and servicing Safety operations

Kubota KAI,KTA Australia,KUK UK,KDG,SKI Thailand,KMI Indonesia Spare Parts  Catalog2021

Kubota kai,kta australia,kuk uk,kdg,ski thailand,kmi indonesia spare parts catalog2021

Kubota BX2230 Parts Catalogs & Information. Extensive diagrams and resources for Kubota equipment. Parts Hotline 877-260-3528 Contact us today! We're on the move! 12/13 - 12/17! Shipments may have slight delay. × Messick's is on the move! ...

V50400 GCK KIT FOR BX2230/BX1830/BX1500 GRASS CATCHER EPC ...

V50400 gck kit for bx2230/bx1830/bx1500 grass catcher epc ...

Kubota Diesel Engine and has a hydrostatic transmission. The BX2230 tractor is a 4WD or 2WD and has 16.7 pto horsepower. View Kubota BX 2230 specifications below. Please click the button or scroll down to find our recommended Kubota BX2230 Attachments. Production: Manufacturer: Kubota. Engine Power: PTO: 16.7 HP. Size: 3 Cyl.

Kubota BX2230D Parts

Kubota bx2230d parts

Frequently Purchased Parts. CAP ASSY. Water Temp. Sender Switch. BX1830 / BX2230 Shop ... BX1830D/BX2230 Parts M... BX1500 BX1830 BX2230 O... Kubota Extended Life A... Kubota BX Series Filte...

KUBOTA BX 2230 BX 2230 D Parts Manual -260pg of BX2230D Tractor Exploded  Diagrams to aid in Service and Repair

Kubota bx 2230 bx 2230 d parts manual -260pg of bx2230d tractor exploded diagrams to aid in service and repair

Wiring diagram for kubota bx2230 d. Bought used and wiring harness was pulled apart. need wiring to start it. ... Turn signals, dome light for cab, work lights, and dash lights are not working. Need a wiring diagram for Kubota M7040 and any help you can give. Read full answer. Be the first to answer Jun 12, 2017 • Cars & Trucks. 0 helpful.

Kubota Kubota L3350 Dsl 2 & 4WD Parts Manual

Kubota kubota l3350 dsl 2 & 4wd parts manual

Kubota BX2200 Parts - Specs. Narrow your search for Kubota BX2200 Parts by selecting categories on the left.. The Kubota BX2200 Tractor was manufactured in Japan from 2001 to 2003. The Kubota BX2200 was designed as a sub-compact utility tractor.The Kubota BX2200 was powered by a 22 hp 0.9L 3-cyl diesel engine.. Click here for the Kubota BX2200 parts diagram. ...

Kubota workshop manuals free download - Truck manual, wiring ...

Kubota workshop manuals free download - truck manual, wiring ...

Kubota BX Parts Catalogs & Information. Extensive diagrams and resources for Kubota equipment. Uploaded by Capnmudd. Workshop Service Manual (WSM) for the Kubota BX & BX compact tractor. .. Before disassembling or servicing electrical wires, always disconnect the ground [1] WIRING DIAGRAM 6-M1 [2] STARTING. Nov 17, maintenance, wiring diagrams ...

ZX470-5G PILOT PIPING (9) Hitachi HOP online

Zx470-5g pilot piping (9) hitachi hop online

This factory Kubota BX2230D parts manual will give you detailed parts information, exploded diagrams, and breakdowns of all parts numbers for all aspects of the Kubota BX2230D, including every detail of the engine parts. This Kubota BX2230D Illustrated Parts List Manual covers these areas of the machine: General Engine Engine Equipment Transmission

Amazon.com: Kubota 16851-96260 Replacement Sealing Cap for ...

Amazon.com: kubota 16851-96260 replacement sealing cap for ...

2,083. Location. Rochester, MN. Tractor. Kubota BX2230. I have a parts manual and it is quite extensive (pdf on cd). But it just says it is a wiring harness, not what the coding for the wires is. Helpful for the bigger stuff, but not for this. Oct 17, 2011 #4.

Bx2230 battery retaining bracket question ...

Bx2230 battery retaining bracket question ...

Dec 17, 2021 · Parts for Kubota RCK60B-22BX(BX1830 BX2230) Parts, with parts diagrams and list of available parts for purchase. The Kubota parts diagrams that are part of the manual are important in helping anyone to fit or repair a replacement part, either as part of a routine service, or because the part has become defective.

James Heard (texheard) - Profile | Pinterest

James heard (texheard) - profile | pinterest

Kubota BX2230 Tractor Stock# 8508 2005 Kubota BX2230 tractor with a 3 cylinder, 22 HP diesel engine, 4 wheel drive, front tire size 18x8.50-8, rear tire size 26x12.00-12, 540 PTO, 3 point hitch, and a hydrostatic transmission.

Kubota BX1860, BX2360, BX2660 Tractor - Transmission System

Kubota bx1860, bx2360, bx2660 tractor - transmission system

Parts Catalogue. All genuine Kubota parts are designed and manufactured to strict factory standards in order to keep your equipment operating at peak performance year after year. With our industry-leading parts availability, you can have confidence knowing that your local Kubota dealer will be able to quickly supply all of the parts that you need.

OPERATOR'S MANUAL

Operator's manual

Kubota BX2200 Mower Deck Lift Arm | My Tractor Forum

Kubota bx2200 mower deck lift arm | my tractor forum

Bush Hog 1747 Front End Loader Parts 1747 Front End Loader ...

Bush hog 1747 front end loader parts 1747 front end loader ...

KUBOTA BX25DLB-1 TRACTOR Illustrated Parts Manual 97898-42920 ...

Kubota bx25dlb-1 tractor illustrated parts manual 97898-42920 ...

Gravely 992111 (000101 - ) PM252MXDZ, 25hp Kaw. Vert., 52 ...

Gravely 992111 (000101 - ) pm252mxdz, 25hp kaw. vert., 52 ...

Bush Hog 1747 Front End Loader Parts 1747 Front End Loader ...

Bush hog 1747 front end loader parts 1747 front end loader ...

Buy Kubota BX1830 BX2230 Tractor Illustrated Parts Manual ...

Buy kubota bx1830 bx2230 tractor illustrated parts manual ...

Tractor Parts | New, Used, Rebuilt | All States Ag Parts

Tractor parts | new, used, rebuilt | all states ag parts

Kubota Tractor Safety Switch Locations | Bobby Ford Tractor ...

Kubota tractor safety switch locations | bobby ford tractor ...

Kubota BX2200, BX2230, BX2350, BX22 Tractor - Transmission

Kubota bx2200, bx2230, bx2350, bx22 tractor - transmission

Kubota Rck60b_22bx Mower Deck Parts Manual

Kubota rck60b_22bx mower deck parts manual

Kubota B2230 Manuals | ManualsLib

Kubota b2230 manuals | manualslib

2003 Kubota BX22: Had mower deck on today cutting, tractor ...

2003 kubota bx22: had mower deck on today cutting, tractor ...

930D2 2008 Engine Assembly - Grasshopper Mower PartsThe Mower ...

930d2 2008 engine assembly - grasshopper mower partsthe mower ...

Bush Hog 1747 Front End Loader Parts 1747 Front End Loader ...

Bush hog 1747 front end loader parts 1747 front end loader ...

Kubota: BX1830D/BX2230 Parts Manual, Part # 97898-41450

Kubota: bx1830d/bx2230 parts manual, part # 97898-41450

help: BX2200 w/o loader attached leaks oil - TractorByNet

Help: bx2200 w/o loader attached leaks oil - tractorbynet

BX2230 Stalls when put in gear or pto is turned on ...

Bx2230 stalls when put in gear or pto is turned on ...

KUBOTA BX2200 BX2200D TRACTOR PARTS MANUALS SET 5 IN 1 BONUS CUSTOM PDF CD  !! | eBay

Kubota bx2200 bx2200d tractor parts manuals set 5 in 1 bonus custom pdf cd !! | ebay

Kubota at70 s walk behind tiller parts catalogue manual

Kubota at70 s walk behind tiller parts catalogue manual

Amazon.com: Kubota 16851-96260 Replacement Sealing Cap for ...

Amazon.com: kubota 16851-96260 replacement sealing cap for ...

Kubota at70 s walk behind tiller parts catalogue manual

Kubota at70 s walk behind tiller parts catalogue manual

Kubota BX2230D Parts

Kubota bx2230d parts

Kubota Rck60b - 22bx Mower Deck Parts Manual | PDF | Nut ...

Kubota rck60b - 22bx mower deck parts manual | pdf | nut ...

BX23 hydraulic lines | My Tractor Forum

Bx23 hydraulic lines | my tractor forum

0 Response to "37 kubota bx2230 parts diagram"

Post a Comment

Iklan Atas Artikel

Iklan Tengah Artikel 1

Iklan Tengah Artikel 2

Iklan Bawah Artikel