Iklan 300x250

37 1998 honda civic wiring diagram

1998 Honda Civic. August 19th, 2012 Posted in Honda Civic. 1998 Honda Civic Stereo Wiring Information. Radio Constant 12V+ Wire: Blue/White ... The stereo wiring diagram listed above is provided "as is" without any kind of warranty. Use of the information above is at your own risk. Leave a Reply. Name (required)

Honda Car Pdf Manual Wiring Diagram Fault Codes Dtc. 1996 1998 map sensor circuit diagram 1 honda marine bf135 wiring pdf car manual 6l civic maf p1129 how to test a what are bad symptoms and motorcycles measure accord signal jet ski throttle position service clean 10 steps manifold absolute pressure sensors dtc p0340 camshaft bf75d png images pngegg team integra forums 92 00 acura engine city ...

Repair Guides Wiring Diagrams Wiring Diagrams 5 Of 103 Repair Guide Electrical Circuit Diagram Honda Civic . Posted on sep 10, 2012. 1998 honda accord starter relay location. Location of starter relay on a 1992 honda accord. Lx i have changed the starter and ignition switch. 4 starter relay problem of the 1998 honda accord.

1998 honda civic wiring diagram

1998 honda civic wiring diagram

Honda Marine Bf75d Wiring Diagram Pdf Manualslib. Part 1 How To Test The Map Sensor 2002 2004 2 4l Honda Cr V. 1996 1998 map sensor circuit diagram 1 honda marine bf135 wiring pdf maf how to measure a accord signal 6l civic 92 00 acura engine p1129 test car manual team integra forums need help 95 what are bad symptoms and jet ski bf75d hks ecu ...

98 Civic Dx Hatchback Fuse 31 Keeps Ing Need Help With Wiring Diagram Page 2 Honda Tech Forum Discussion. Headlights honda civic ex 1997 98 wiring diagram help with 1998 a c not working ignition system 1 radiator fan issue lx 1996 interior lights dx radio o today i was and putting stereo pgm fi main relay circuit diagrams car exterior gx starter motor fuel injector transmission hx sedan window ...

Pin Name. 1998 Honda Civic Wiring Diagram wiring diagram is a simplified customary pictorial representation of an electrical circuit. 1998 honda civic ecu wiring diagram. It shows the components of the circuit as simplified. 1998 honda civic 1999 2000 honda civic 2000 2005 honda s2000. Ignition Control Module.

1998 honda civic wiring diagram.

1998 Honda Civic Engine Wiring Diagram. Oleh admin.rainstore27 11 Agu, 2021 Honda goldwing gl1500 radio external wiring diagram honda goldwing gl1800 2001 to 2004 parts manual… Baca selengkapnya 1998 Honda Civic Engine Wiring Diagram. midget wallpaper wiring. 1979 Mg Midget Wiring Diagram.

Stereo Wiring Diagrams | Subcribe via RSS. 1994 Honda Civic. ... August 19th, 2012 | 1 Comment | Posted in Honda Civic. 1998 Honda Civic. August 19th, 2012 | No Comments | Posted in Honda Civic. 1999 Honda Civic. August 19th, 2012 | No ... 2002 Honda Civic. August 19th, 2012 | No Comments | Posted in Honda Civic. 2003 Honda Civic. August 19th ...

1998 Honda Civic Distributor Wiring Diagram. 06 Des, 2021 Posting Komentar How to Make My Honda Civic Faster by William Zane … N.e.r.d And Rihanna Lemon Free Download. 06 Des, 2021 Posting Komentar D… Ja Rule Wonderful Ft R Kelly Ashanti Download Gratis. 05 Des, 2021 Posting Komentar 2004 single by Ja Rule 2004 single by Ja Rule featuring R ...

99 honda accord wiring diagram.Honda accord 1999 wiring diagram full 98 99 cl 02 obd2b ecu pin sei 1985 diagrams 2006 repair manual pdf fit crv 2001 06 1995 international 4700 1994 civic car Diagram Honda Accord 1999 Wiring Full Version Hd Quality Hassediagram Avisterni It 98 99 Cl 02 Accord Obd2b Ecu Pin Out Honda.

2002 Honda Accord Wiring Diagram StereoWholesale Car Stereo parts for 02 HONDA ACCORD - Radio Kits, Parts stereo kits, harness,wires, parts, bluetooth, iphone, tools, 2-4 door wire diagrams. Toyota Tundra Stereo WiringDiagram. Toyota Tacoma 2000 Honda Accord Wiring Diagram. 2000 Honda Civic 2002 HondaCivic Fuse Box. Honda Accord.

Any user assumes the entire risk as to the accuracy and use of this information. Please verify all wire colors and diagrams before applying any information.

Here is a picture gallery about 1998 honda accord engine diagram complete with the description of the image please find the image you need. 1998 Honda Civic Dx Radio Wiring Diagram Wiring Diagram Data 1998 honda accord 30l v6 funny idle iac intake air control module davidmezera. 1998 honda accord engine diagram .

1998 honda civic lx wiring diagram a genuine honda civic mk7 2000 2005 front and rear window windscreen wiper and washer stalk switch a genuine honda civic mk7 2001 2005 power relay mitsuba 12v no rc 2225 1994 honda civic wiring diagram pdf honda civic type r mk7 2001 2006 abs pump modulator part number 0 265 216 908 honda civic mk7 2 0 ...

95 Honda Civic Engine Wiring Diagram and Civic Wire Diagram - Wiring Diagram Schematics - 15+ 95 Honda Civic Engine Wiring Diagram - Wiringg.net. 95 Honda Civic ...

Honda Civic Wiring Diagram 2011 Alternator Ac Horn Relay 2007 Civic A C Compressor Wiring Diagram Wiring Resources 2019 V Wiring Diagram Drivers Door Harness Radio Wire Color Codes ... 1998 honda civic radio wiring diagram (4) 1998 honda civic wide-body kit (4) 1999 honda civic coupe custom (4) ...

Nov 15, 2020 — Ignition System Wiring Diagram. 1998 1.6L Honda Civic. Ignition Coil, Igniter Circuits.

I need a fuse box diagram for 98 honda civic lx 1998 fuse box block fuse box diagram honda civic 1991 1995 honda civic ex 2003 main fuse interior fuse box honda civic lx. Or At Least with Honda Civic 98 Fuse Box Diagram image size 544 X 593 px and to view image details please click the image.

Power problem to main relay? | Honda / Acura K20a K24a Engine Forum

Power problem to main relay? | honda / acura k20a k24a engine forum

Author: Ryan Published Date: July 24, 2021 Comments: Leave a Comment on 1998 Honda Civic Stereo Wiring Diagram. Repair Guides Mobil . 99 Honda Civic Stereo Wiring Diagram Lorestanfo Honda Civic Honda Honda Accord . 1998 Ford F150 Stereo Wiring Diagram Collection Wiring Diagram Sample Ford Ranger Ford Explorer Diagram .

Starter Motor Circuit Wiring Diagram (1996-2000 1.6L Honda Civic ...

Starter motor circuit wiring diagram (1996-2000 1.6l honda civic ...

Awesome 1998 Honda Civic Wiring Diagram In 2021 Honda Civic Honda Civic New Civic . Pin By Mmarcheco On Radio Honda Civic Honda 2006 Honda Civic . 1995 Honda Civic Wiring Diagram Honda Civic Hatchback Sedan

INTERIOR LIGHTS – Honda Civic DX 1998 – SYSTEM WIRING DIAGRAMS ...

Interior lights – honda civic dx 1998 – system wiring diagrams ...

17.01.2020 - 16+ 1998 Honda Civic Engine Wiring Diagram1998 honda civic dx engine wiring diagram, 1998 honda civic engine wiring diagram, 98 civic engine ...

Obd1 Honda Wiring Diagram, http://bookingritzcarlton.info/obd1 ...

Obd1 honda wiring diagram, http://bookingritzcarlton.info/obd1 ...

1998 honda civic ecu wiring diagram. Fuses are placed in between the battery and every. Honda civic lx 1998 fuse panel board fuse symbol map related diagrams. Honda civic lx 1989 interior fuse box block circuit breaker diagram honda civic lx 1992 fuse box block circuit breaker diagram honda crv 2 2l 2005 component fuse box block circuit breaker ...

EXTERIOR LIGHTS – Honda Civic LX 1998 – SYSTEM WIRING DIAGRAMS ...

Exterior lights – honda civic lx 1998 – system wiring diagrams ...

Wiring diagram for 1998 honda civic the wiring diagram within 1998 honda civic fuse box diagram image size 680 x 395 px and to view image details please click the image. Fuse box diagrams a blown fuse can be a pain to find without the proper diagram. In 1946 the japanese automobile company honda was created.

Honda Civic LX 1998 Fuse Box/Block Circuit Breaker Diagram ...

Honda civic lx 1998 fuse box/block circuit breaker diagram ...

Nov 19, 2014 — Honda Civic / Del Sol (1992 - 2000) - 98 Civic - Wiring diagram/Help with connector wires - Hello Honda-Tech I have this blue connector ...

HEADLIGHTS – Honda Civic EX 1998 – SYSTEM WIRING DIAGRAMS ...

Headlights – honda civic ex 1998 – system wiring diagrams ...

9300 Civic City Light Wiring Gratis Terbaik - Gambar Mobil

9300 civic city light wiring gratis terbaik - gambar mobil

Honda Civic Wiring Harness Diagram Capture Newomatic And In In ...

Honda civic wiring harness diagram capture newomatic and in in ...

PGM-FI Main Relay Circuit Diagram (1996-1998 1.6L Honda Civic)

Pgm-fi main relay circuit diagram (1996-1998 1.6l honda civic)

1996-1998 Fuel Injector Circuit Diagram (1.6L Honda Civic)

1996-1998 fuel injector circuit diagram (1.6l honda civic)

Diagramas Honda Civic | PDF

Diagramas honda civic | pdf

1998 Honda Civic Stereo Wiring Color Codes : 6th Generation Honda Civic

1998 honda civic stereo wiring color codes : 6th generation honda civic

1998 Honda Civic A/c Not working - HondaCivicForum.com

1998 honda civic a/c not working - hondacivicforum.com

INSTRUMENT CLUSTER – Honda Civic LX 1998 – SYSTEM WIRING DIAGRAMS ...

Instrument cluster – honda civic lx 1998 – system wiring diagrams ...

Awesome 1998 Honda Civic Wiring Diagram in 2021 | Honda civic ...

Awesome 1998 honda civic wiring diagram in 2021 | honda civic ...

SOLVED: Need spark plug wire diagram for 1998 civic 4dr lx - Fixya

Solved: need spark plug wire diagram for 1998 civic 4dr lx - fixya

98 Civic Dx Hatchback -- Fuse 31 Keeps blowing. Need help with ...

98 civic dx hatchback -- fuse 31 keeps blowing. need help with ...

Awesome 1998 Honda Accord Stereo Wiring Diagram | Honda accord ...

Awesome 1998 honda accord stereo wiring diagram | honda accord ...

2001 HONDA CIVIC WIRING DIAGRAM - Wiring Diagram Service Manual PDF

2001 honda civic wiring diagram - wiring diagram service manual pdf

Ignition System Wiring Diagram (1998 1.6L Honda Civic)

Ignition system wiring diagram (1998 1.6l honda civic)

98 Civic - Wiring diagram/Help with connector wires - Honda-Tech ...

98 civic - wiring diagram/help with connector wires - honda-tech ...

98 Civic - Wiring diagram/Help with connector wires - Honda-Tech ...

98 civic - wiring diagram/help with connector wires - honda-tech ...

Radio Not Working: HELLO Today I Was Connecting My Aftermarket ...

Radio not working: hello today i was connecting my aftermarket ...

1998 civic sedan lx window will not go up or down with the door ...

1998 civic sedan lx window will not go up or down with the door ...

Ignition System Wiring Diagram (1996-1997 1.6L Honda Civic)

Ignition system wiring diagram (1996-1997 1.6l honda civic)

Wiring Diagrams Honda 93 Engin | PDF

Wiring diagrams honda 93 engin | pdf

Wiring diagram for 2000 honda civic lx power mirrors

Wiring diagram for 2000 honda civic lx power mirrors

Honda Accord Car Stereo Wiring Harness | schematic and wiring ...

Honda accord car stereo wiring harness | schematic and wiring ...

98 Civic Wiring Diagram | Diagram design, Diagram, Circuit diagram

98 civic wiring diagram | diagram design, diagram, circuit diagram

Obd1 Honda Wiring Diagram, http://bookingritzcarlton.info/obd1 ...

Obd1 honda wiring diagram, http://bookingritzcarlton.info/obd1 ...

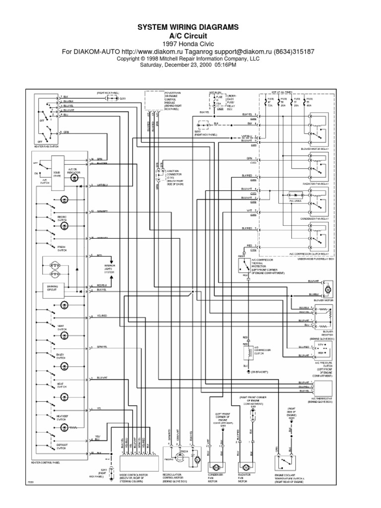
AIR CONDITIONING – Honda Civic DX 1998 – SYSTEM WIRING DIAGRAMS ...

Air conditioning – honda civic dx 1998 – system wiring diagrams ...

15 Honda civic ideas

15 honda civic ideas

Radio Not Working: HELLO Today I Was Connecting My Aftermarket ...

Radio not working: hello today i was connecting my aftermarket ...

Radiator fan issue, 98 civic lx. - Honda-Tech - Honda Forum Discussion

Radiator fan issue, 98 civic lx. - honda-tech - honda forum discussion

1997 Honda Civic Wiring Diagram - Wiring Diagram Service Manual PDF

1997 honda civic wiring diagram - wiring diagram service manual pdf

0 Response to "37 1998 honda civic wiring diagram"

Post a Comment

Iklan Atas Artikel

Iklan Tengah Artikel 1

Iklan Tengah Artikel 2

Iklan Bawah Artikel