40 stihl fs 130 parts diagram
Browse Stihl FS130 Rewind Starter & Fuel Tank Parts and order online from the UK's leading supplier of construction machinery parts and accessories. 01432 373350 info@htsspares.com £0.00 (0 items) Stihl Fs130r Parts Diagram STIHL parts are released exclusively to authorized Dealers, technicians, and For more information on routine maintenance and a list of main parts for your. FS , FS R. English. 1. {. This instruction satisfaction from your STIHL trimmer / brushcutter, it is . models may have different parts and controls. See the.
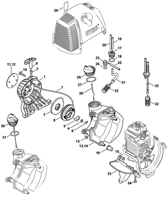
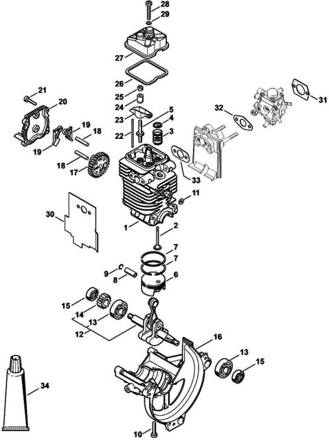
All parts that fit a FS 131 R Brushcutter Pages in this diagram A ENGINE B STARTER & FUEL TANK C MUFFLER & AIR FILTER D IGNITION E CARBURETTOR F CLUTCH H HANDLE J DRIVE TUBE K GEAR HEAD L DEFLECTOR M TRANSPORT GUARD N TOOLS O SERIAL NUMBER P TIGHTENING TORQUES Q TIGHTENING TORQUES

Stihl fs 130 parts diagram
Aug 14, 2018 · on Stihl Fs130r Parts Diagram. Look at the diagram and find parts that fit a Stihl FS Brushcutter, or refer to the list below. All parts that fit a FS Brushcutter. - Stihl Clutch. Troubleshooting manual for Stihl FS Brushcutter. . evaluation should be made to determine what parts are actually in need of replacement or maintenance. Details: Stihl Fs130r Parts Diagram. STIHL parts are released exclusively to authorized Dealers, technicians, and For more information on routine maintenance and a list of main parts for › Get more: Stihl fs 130 trimmer parts Show All. Stihl FS 130 Brushcutter (FS130R) Parts Diagram, Cylinder.Excel. Stihl Km110r Parts Manual The KM 111 R KombiSystem is a multi-task yard tool that comes with ... STIHL FS 130 | Full Specifications: Fuel cubic capacity: 36.3, Line fed: no, Weight: 5.9, Additional handle: yes, Power source: Petrol
Stihl fs 130 parts diagram. STIHL recommends using only STIHL replacement parts for the repair and maintenance of your STIHL equipment. We want every STIHL owner to have the best product performance possible, so if you are in need of STIHL repair or equipment maintenance, contact your local authorized full-line STIHL servicing Dealer . Más Vendidos: Stihl Fs 130 Parts Diagram. Nada encontrado. Y hasta aquí nuestro producto de el día de hoy. Siempre y en todo momento vas a poder andar por nuestra Web de bricolaje y descubrir diferentes tipos de herramientas y artículos relacionados más abajo. Stihl produces trimmers, chainsaws, edgers, leaf blowers, sprayers, and more. If you need a replacement aftermarket part for your Stihl handheld equipment, Jack's has the parts you need. We carry a wide variety of parts, including air filters, bar nuts, belts, carburetors, chainsaw chains, and spark plugs. HST0010. £8.08. Stihl Durocut Pre Cut Line. 3 Items. From £14.04. Stihl FS130 Bike Handle & Control Parts. 28 Items. From £0.21. Stihl FS130 Carburettor C1Q-S174 Parts.
Adefol String Trimmer Replacement Parts Head Spool and Cover Cap 6pcs Kit for STIHL FS80 FS83 FS85 FS100 FS110 FS120 FS130 FS200 with Spring, Line Feed Eyelet Accessories. 4.0 out of 5 stars. 212. $8.99. Main Parts 44 Specifications 46 Maintenance and Repairs 47 Disposal 48 STIHL Incorporated Federal Emission Control Warranty Statement 48 STIHL Incorporated California Exhaust and Evaporative Emissions Control Warranty Statement 50 Trademarks 52 . FS 130, FS 130 R English 2 Pictograms The meanings of the pictograms attached to or embossed on the machine are explained in this manual. Depending ... Part Number: 385-744. Specs: Easy to install by using brush blade hardware Can also be used as fixed line head 6 1/4" head diameter 12" cutting diameter Flail head. Model: 385-744 Flail Trimmer Head Stihl 4003 710 2108, 385-744 Trimmer Heads & Parts (385-744) View More Details. Your Price: Genuine Aftermarket Parts for Stihl FSA130, FSA130R Cordless Trimmer Spare Parts, Parts In Stock for Next Day Delivery. ... See 3 more diagrams See 2 more diagrams. All products. Page. You're currently reading page 1; Page 2; Page 3; Page Next; 1-48 of 100 Items . Set Descending Direction. Only show products that can be dispatched today . Spline Screw M5 x 20 for Stihl Cut Off Saws - 9022 371 ...
25-2 Bump Feed Trimmer Head 10mm x 1.0 LHF for STIHL FS80 FS81 FS85 FS86 FS87 FS100 FS106 FS108 FS110 FS120 FS130 FS200 FS250 Trimmer Weedeater. 4.3 out of 5 stars. 344. $12.99. $12. . 99. Get it as soon as Tue, Sep 21. FREE Shipping on orders over $25 shipped by Amazon. Stihl Hedge Trimmers Find The Best Trimmer For You. Km 94 R Multi Task Tool Lightweight Professional Kombisystem Stihl Usa. Stihl Ht131 Shaft Assembly. Fh Km 145 Power Scythe Attachment For Stihl Kombisystem Usa. Stihl Fs 36 Trimmer You. Husqvarna 135 Mark Ii 2019 09 Ilrated Parts List Free. K Hl. Main Parts 28 Specifications 29 Special Accessories 30 Maintenance and Repairs 31 STIHL Incorporated Federal Emission Control Warranty Statement 31 STIHL Incorporated California Exhaust and Evaporative Emissions Control Warranty Statement 33 Trademarks 35 Warning! Because this KombiEngine is the engine for a high-speed power tool, Stihl String Trimmer Model FS 130 Parts. Stihl String Trimmer Model FS 130 Parts are easily labeled on this page to help you find the correct component for your repair. Filter results by category, title and symptom. You can also view diagrams and manuals, review common problems that may help answer your questions, watch related videos, read insightful articles or use our repair help guide to ...
Stihl String Trimmer Fuel Line. Genuine OEM Part # 530069216 | RC Item # 1987548. Watch Video. $5.70. ADD TO CART. Fuel line (Large). The fuel line allows fuel to travel from the fuel tank to the carburetor and from the primer bulb to the fuel system. Stihl String Trimmer Primer Bulb.
Stihl FS 130 Workshop Service Manual for the repair and service of all Stihl FS 130 Brushcutter, Trimmer and strimmers. Suitable for the 4-MIX engine, the manual is available as a free full PDF download, print or view online, clear diagrams and information to assist you in the chainsaw workshop.
fs 90, fs 100, fs 110, km 110, fc 100, fc 110, ht 100, ht 101 , hl 100 stihl 0000 400 7009 bosch usr7ac ngk cmr5h fs 130, km 130, ht 130, ht 131 br 500, br 550, br 600 stihl 0000 400 7011 ngk cmr6h Refer to the STIHL repair specification charts for other models.
Más Vendidos: Stihl Fs 130 R Parts Diagram. Nada encontrado. Y hasta aquí nuestro producto de el día de hoy. Siempre y en todo momento podrás andar por nuestra Web de bricolaje y descubrir diversos tipos de herramientas y artículos relacionados más abajo.
The FSA 130 is sold with an AutoCut mowing head and appropriate deflector. Other items are available as accessories. 3.3 Battery Harness Options The FSA130 may be powered by a STIHL AR series backpack battery. Alternatively, it may be powered by a STIHL AP series battery in combination with a STIHL AP Battery Bag with Connecting Cord.
STIHL GUARD WASHER 4116 717 2800 Stihl | Ref: ST4116 717 2800 This genuine Stihl spare part is compatible with the following Stihl Machines: FS 300, FS 350, FS 220, FS 220 K, FS 280, FS 280 K, FS 290, FS 300, FS 350, FS 400, FS 450, FS 480, FS 160, FS 180, FS 310, FS 160, FS 180, FS 220, FS 220 K, FS 280, FS 280 K, FS 290, FS 300, FS 350, FS 160, FS 180, FS 400, FS 450, FS 480, FS 360 C, FS ...
Rebuild KIT FS 44 55 80 83 85 90 100 110 120 130 200 4. Stihl trimmer parts diagram Download Free Stihl Fs 80 R Trimmer Parts Manual Stihl Fs 80 R Trimmer Parts Manual Thank you totally much for downloading stihl fs 80 r trimmer parts manual. See 30 more diagrams See 29 more diagrams Page 1-48 of
Free Stihl Chainsaw parts diagram look up. Break downs
STIHL SCREW P6, OX25-T27. $5.99. Add to Wish List. Add to Cart. Add to Compare. #QS 9074 477 4438. STIHL PAN HEAD SELF TAPPING SCREW. $5.99. Add to Wish List.
Genuine and aftermarket spare parts and accessories for Stihl's popular FS130 Brushcutter. Huge selection of parts in stock available for next day delivery. Buy from an approved Stihl dealer.
Dec 31, 2021 · stihl fs 130 brushcutter fs130r parts diagram select a page from the stihl fs 130 brushcutter diagram to view the
Select a page from the Stihl FS 130 Brushcutter diagram to view the parts list and exploded view diagram. All parts that fit a FS 130 Brushcutter Pages in this diagram Carburetor C1Q-S98B, C1QS114 Carburetor C1Q-S130, C1Q-S132 Clutch, Fan housing Cylinder, Engine pan Deflector Drive tube assembly Gear head Handle Ignition system Muffler, Air filter
Stihl Parts available online from LawnMowerPros. We carry a large selection of quality aftermarket Stihl Parts ready to ship direct to your door. Choose from our large selection of Aftermarket Stihl Chainsaw Parts, Cut Off Saw Parts and Trimmer Parts. The following are the most popular aftermarket Stihl Parts categories.
STIHL FS 130 | Full Specifications: Fuel cubic capacity: 36.3, Line fed: no, Weight: 5.9, Additional handle: yes, Power source: Petrol
Details: Stihl Fs130r Parts Diagram. STIHL parts are released exclusively to authorized Dealers, technicians, and For more information on routine maintenance and a list of main parts for › Get more: Stihl fs 130 trimmer parts Show All. Stihl FS 130 Brushcutter (FS130R) Parts Diagram, Cylinder.Excel. Stihl Km110r Parts Manual The KM 111 R KombiSystem is a multi-task yard tool that comes with ...
Aug 14, 2018 · on Stihl Fs130r Parts Diagram. Look at the diagram and find parts that fit a Stihl FS Brushcutter, or refer to the list below. All parts that fit a FS Brushcutter. - Stihl Clutch. Troubleshooting manual for Stihl FS Brushcutter. . evaluation should be made to determine what parts are actually in need of replacement or maintenance.
0 Response to "40 stihl fs 130 parts diagram"
Post a Comment